Prywatne
Forma zajęć: Stacjonarnie
Stawka za godzinę: 80 zł
Opis
Jestem inżynierem mechaniki i budowy maszyn, absolwentem Politechniki Poznańskiej.
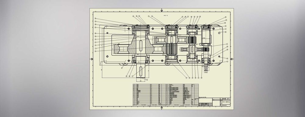
Oferuję profesjonalną pomoc w projektach, analizach i rysunkach technicznych dla studentów i firm.
Zakres pomocy:
- mechanika techniczna i podstawy konstrukcji maszyn,
- grafika inżynierska i rysunek techniczny,
- układy napędowe i konstrukcje mechaniczne,
- symulacje MES (solid Edge),
- wsparcie przy modelowaniu 3D solid edge i dokumentacji projektowej.
Dlaczego warto?
- indywidualne podejście,
- szybkie terminy realizacji,
- doświadczenie w oprogramowaniu CAD/CAE,
- możliwość współpracy zdalnej.
SŁOWA KLUCZOWE:
Inventor, AutoCAD, Solidedge, MES, analiza, rysunek techniczny, grafika inżynierska, PKM, podstawy konstrukcji maszyn, model CAD, wytrzymałość materiałów, mechanika, render, projekt, obliczenia
Oferuję profesjonalną pomoc w projektach, analizach i rysunkach technicznych dla studentów i firm.
Zakres pomocy:
- mechanika techniczna i podstawy konstrukcji maszyn,
- grafika inżynierska i rysunek techniczny,
- układy napędowe i konstrukcje mechaniczne,
- symulacje MES (solid Edge),
- wsparcie przy modelowaniu 3D solid edge i dokumentacji projektowej.
Dlaczego warto?
- indywidualne podejście,
- szybkie terminy realizacji,
- doświadczenie w oprogramowaniu CAD/CAE,
- możliwość współpracy zdalnej.
SŁOWA KLUCZOWE:
Inventor, AutoCAD, Solidedge, MES, analiza, rysunek techniczny, grafika inżynierska, PKM, podstawy konstrukcji maszyn, model CAD, wytrzymałość materiałów, mechanika, render, projekt, obliczenia
ID: 1036984055
xxx xxx xxx
Dodane 08 lutego 2026
Projekty PKM, analiza MES, grafika inżynierska, modelowanie CAD
80 zł
Lokalizacja