Przejdź do głównej części
Czat

Powiadomienia

Dodaj ogłoszenie
Projektowanie instalacji elektrycznych oraz automatyki
Projektowanie instalacji elektrycznych oraz automatyki
Projektowanie instalacji elektrycznych oraz automatyki
Projektowanie instalacji elektrycznych oraz automatyki
Projektowanie instalacji elektrycznych oraz automatyki
PromujOdśwież

Prywatne

SPECJALIZACJE

  • Projekt instalacji elektrycznej

Opis

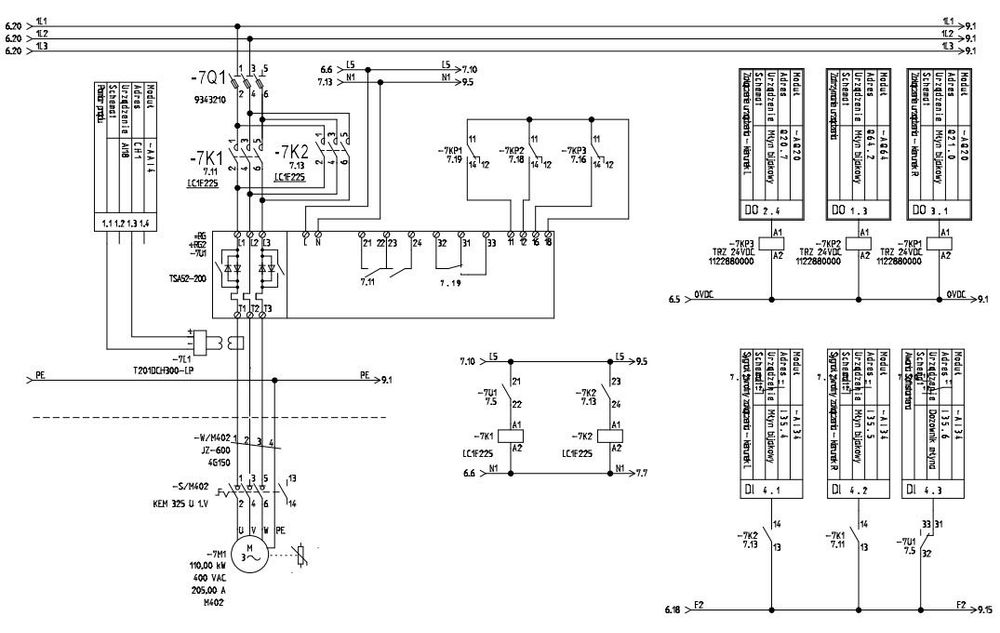
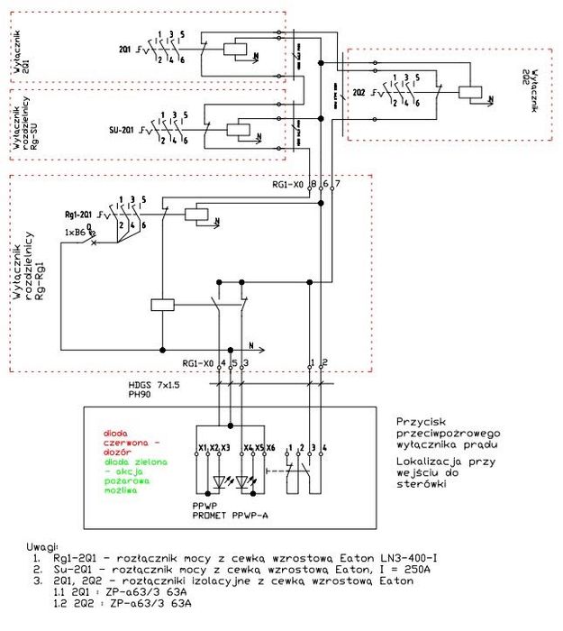
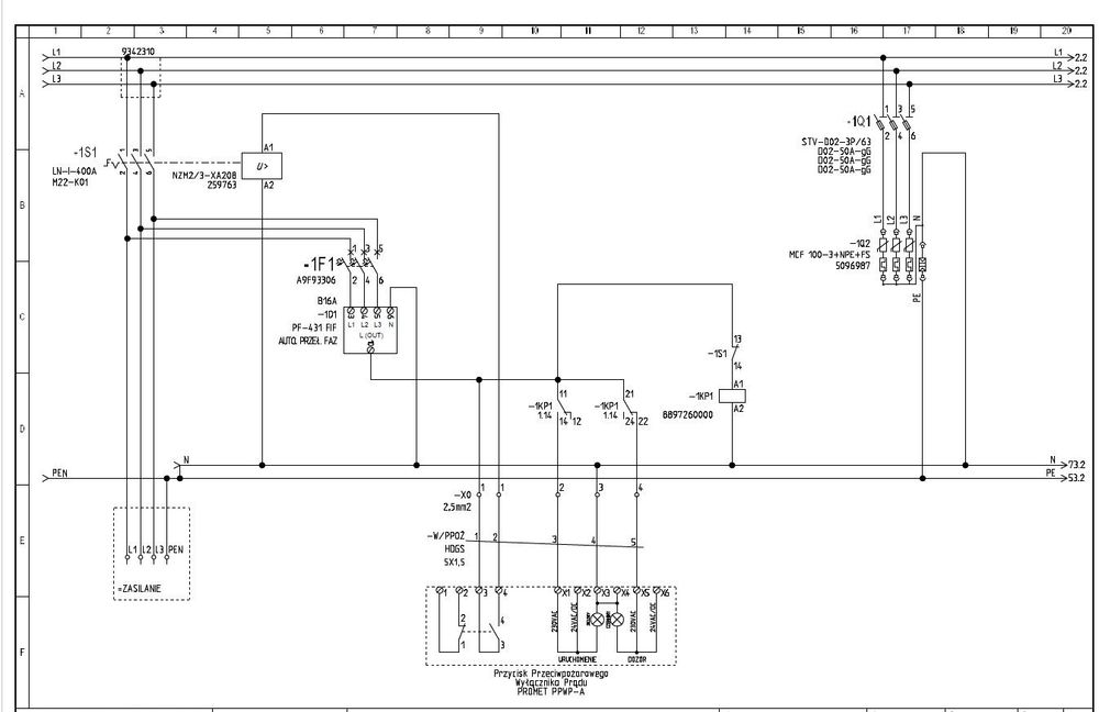
Oferuję pomoc w zakresie:
- Projektowanie rozdzielnic, tras kablowych oraz systemów sterowania wraz z niezbędnymi obliczeniami,
- Dobór aparatury zabezpieczeniowej oraz sterowniczej w zależności od aplikacji,
- Parametryzacja urządzeń.
Posługuję się programami Autocad oraz See Electrical. Nie posiadam uprawnień budowlanych. Osoby zainteresowane zapraszam do kontaktu.
ID: 1054399169

Skontaktuj się

Facebook connected icon

Olgierd

Na OLX od listopad 2017

Ostatnio online w dniu 10 lutego 2026

xxx xxx xxx

Odświeżono dnia 16 lutego 2026

Projektowanie instalacji elektrycznych oraz automatyki

Lokalizacja

Darmowa aplikacja na Twój telefon