Przejdź do głównej części
Czat

Powiadomienia

Dodaj ogłoszenie
PKM, Procesy Technologiczne części maszyn
PKM, Procesy Technologiczne części maszyn
PKM, Procesy Technologiczne części maszyn
PKM, Procesy Technologiczne części maszyn
PKM, Procesy Technologiczne części maszyn
PKM, Procesy Technologiczne części maszyn
PromujOdśwież

Prywatne

Stawka za godzinę: 30 zł

Opis

Oferuję pomoc w zakresie projektowania:
1. Części maszyn: wysięgniki promieniowe, podnośniki , przekładnie, sprzęgła, etc.
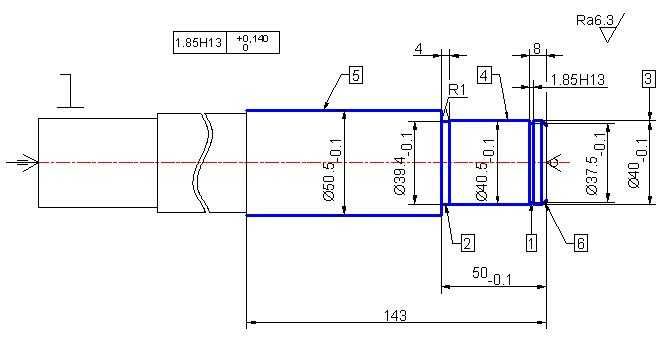
2. Procesów technologicznych części maszyn: wały, koła zębate, korpusy, etc.
Zakres:
1. Obliczenia wytrzymałościowe
2. Dokumentacja rysunkowa
3. Konsultacje.
Więcej informacji po linkiem:
www.pkmprojekt.waw.pl
ID: 1026015151

Skontaktuj się

Mariusz

Na OLX od czerwiec 2011

Ostatnio online wczoraj o 13:18

xxx xxx xxx

Dodane 21 listopada 2025

PKM, Procesy Technologiczne części maszyn

30 zł

Lokalizacja

Darmowa aplikacja na Twój telefon