Firmowe
Opis
WZMOCNIONY ORBITROL OSPC 50 ON Z 4 PRZYŁĄCZAMI 1/2" - M18
KOD SKRAW-MET: [7366]
Zestaw w którego skład wchodzi:
Wzmocniany Orbitrol OSPC 50 ON [2661]
4x Przyłącze Hydrauliczne Proste Nypel G1/2" - M18 [1387]
USZCZELKI ED, KTÓRE W PEŁNI USZCZELNIAJĄ UKŁAD. NYPLE NIE WYMAGAJĄ ZASTOSOWANIA DODATKOWYCH USZCZELEK.
WZMOCNIONY ORBITROL OSPC 50 ON + 4 NYPLE KUBOTA
WZMOCNIONY ORBITROL OSPC 50 ON
KOD SKRAW-MET: [2661]
Zastosowanie:
Doskonale sprawdza się w maszynach i urządzeniach zasilanych hydraulicznie.
Może być wykorzystywany w rolnictwie, sadownictwie, leśnictwie czy budownictwie.
Orbitrol OSPC 50 ON ma za zadanie sterowanie hydraulicznym układem kierowniczym w mini - traktorach, ciągnikach rolniczych, koparkach, kombajnach, widlakach i maszynach budowlanych.
Zastosowanie w ciągnikach:
KUBOTA
URSUS
MTZ
ZETOR
CASE IH AVJ
FIAT
MASSEY FERGUSON
NEW HOLLAND TD
RENAULT
RENAULT CERES
RENAULT CERGOS
Celtis
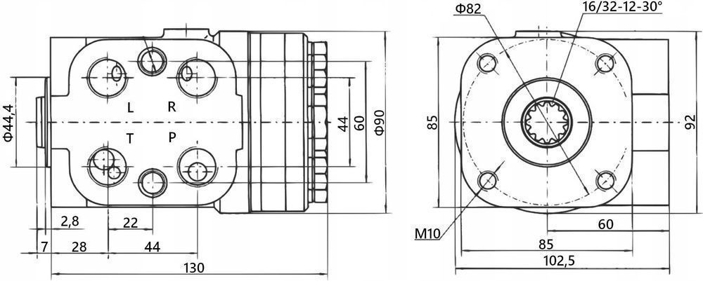
Specyfikacja techniczna:
Objętość geometryczna: 50cm3/obr
Zalecany przepływ oleju w układzie: od 3 do 8L/min.
Gwinty wewnętrzne (P, T, R, L): G1/2" BSP
Gwinty wewnętrzne (obok przyłączeniowych): M10
Mocowanie kolumny kierownicy: 4x śruba M10 - 16mm
Ilość wcięć na wałek: 12z
Ustawienie zaworów:
przelewowy: 160 bar
szokowe: 240 bar
Materiał: żeliwo
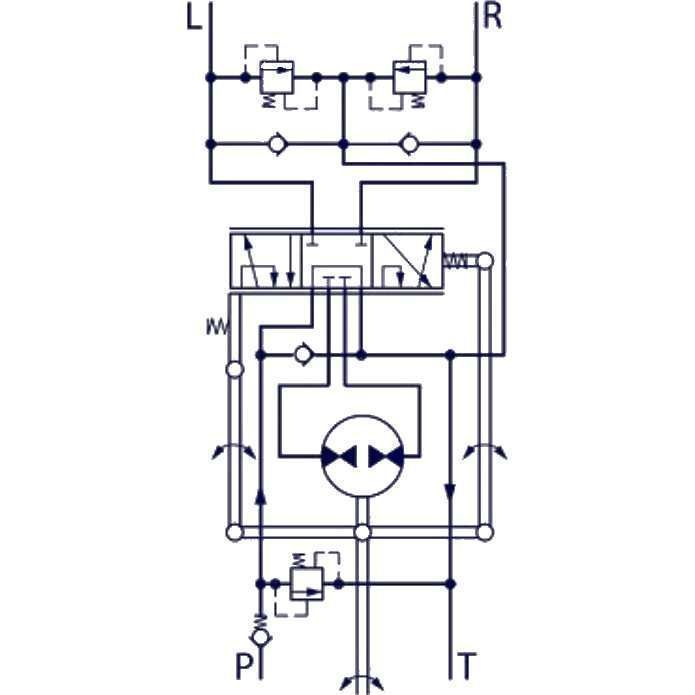
Oznaczenia przyłączeń:
P - zasilanie z pompy
T - powrót do zbiornika
R - skręt w prawo
L - skręt w lewo
Zalety naszych orbitroli:
praca bez szarpania kierownicą, płynne oraz lekkie kierowanie przy bardzo obciążonej osi, dzięki wzmacnianej, precyzyjnej konstrukcji nie powodującej przecieków oraz awarii,
każdy orbitrol posiada opisane przyłącza: P , T , A , B , co zapewnia prawidłowe podłączenie do układu
towar produkowany w Europie, sprawdzony i pochodzący od pewnego producenta.
umożliwia sterowanie pojazdem nawet w trakcie awarii, przy holowaniu pojazdu.
PRZYŁĄCZE HYDRAULICZNE PROSTE NYPEL M1/2" M18
Zastosowanie:
Przyłącze hydrauliczne doskonale sprawdza się w maszynach i urządzeniach zasilanych hydraulicznie. Może być wykorzystywane w rolnictwie, sadownictwie, leśnictwie czy budownictwie.
Przyłącze jest przystosowane do wkręcenia w korpus min: pompy, rozdzielacza itp. Służy do połączenia głównych podzespołów w układzie hydraulicznym z przewodami hydraulicznymi.
PO STRONIE PRZYŁĄCZENIOWEJ ZNAJDUJE SIĘ USZCZELKA ED, KTÓRA W PEŁNI USZCZELNIA UKŁAD. NYPLE NIE WYMAGAJĄ ZASTOSOWANIA DODATKOWYCH USZCZELEK.
Druga strona odpowiada za przyłączenie przewodu hydraulicznego czy kolanka. Uszczelnienie następuje po dokręceniu się złączy na stożku samo-uszczelniającym. Zapewnia to pełne uszczelnienie układu.
Przyłącze przystosowane jest do wkręcenia w korpus. Nie należy nim łączyć dwóch przewodów hydraulicznych. Do tego służą złącza dostępne na innych aukcjach.
Dane techniczne:
Kąt stożka zaciskowego: 24° (typowy dla normy polskiej)
Długość całkowita H: 34,5mm
Średnica nominalna przelotu: 10mm
Gwint M1 od strony korpusu: zewnętrzny calowy 1/2"
Gwint M2 od strony przewodu: zewnętrzny metryczny 18x1.5
Wersja przyłącza: lekka
Ciśnienie nominalne: 180bar
Ciśnienie maksymalne: 230bar
Typ cieczy: olej hydrauliczny
Materiał:
stal spawalna, galwanizowana odporna na korozję
KOD SKRAW-MET: [7366]
Zestaw w którego skład wchodzi:
Wzmocniany Orbitrol OSPC 50 ON [2661]
4x Przyłącze Hydrauliczne Proste Nypel G1/2" - M18 [1387]
USZCZELKI ED, KTÓRE W PEŁNI USZCZELNIAJĄ UKŁAD. NYPLE NIE WYMAGAJĄ ZASTOSOWANIA DODATKOWYCH USZCZELEK.
WZMOCNIONY ORBITROL OSPC 50 ON + 4 NYPLE KUBOTA
WZMOCNIONY ORBITROL OSPC 50 ON
KOD SKRAW-MET: [2661]
Zastosowanie:
Doskonale sprawdza się w maszynach i urządzeniach zasilanych hydraulicznie.
Może być wykorzystywany w rolnictwie, sadownictwie, leśnictwie czy budownictwie.
Orbitrol OSPC 50 ON ma za zadanie sterowanie hydraulicznym układem kierowniczym w mini - traktorach, ciągnikach rolniczych, koparkach, kombajnach, widlakach i maszynach budowlanych.
Zastosowanie w ciągnikach:
KUBOTA
URSUS
MTZ
ZETOR
CASE IH AVJ
FIAT
MASSEY FERGUSON
NEW HOLLAND TD
RENAULT
RENAULT CERES
RENAULT CERGOS
Celtis
Specyfikacja techniczna:
Objętość geometryczna: 50cm3/obr
Zalecany przepływ oleju w układzie: od 3 do 8L/min.
Gwinty wewnętrzne (P, T, R, L): G1/2" BSP
Gwinty wewnętrzne (obok przyłączeniowych): M10
Mocowanie kolumny kierownicy: 4x śruba M10 - 16mm
Ilość wcięć na wałek: 12z
Ustawienie zaworów:
przelewowy: 160 bar
szokowe: 240 bar
Materiał: żeliwo
Oznaczenia przyłączeń:
P - zasilanie z pompy
T - powrót do zbiornika
R - skręt w prawo
L - skręt w lewo
Zalety naszych orbitroli:
praca bez szarpania kierownicą, płynne oraz lekkie kierowanie przy bardzo obciążonej osi, dzięki wzmacnianej, precyzyjnej konstrukcji nie powodującej przecieków oraz awarii,
każdy orbitrol posiada opisane przyłącza: P , T , A , B , co zapewnia prawidłowe podłączenie do układu
towar produkowany w Europie, sprawdzony i pochodzący od pewnego producenta.
umożliwia sterowanie pojazdem nawet w trakcie awarii, przy holowaniu pojazdu.
PRZYŁĄCZE HYDRAULICZNE PROSTE NYPEL M1/2" M18
Zastosowanie:
Przyłącze hydrauliczne doskonale sprawdza się w maszynach i urządzeniach zasilanych hydraulicznie. Może być wykorzystywane w rolnictwie, sadownictwie, leśnictwie czy budownictwie.
Przyłącze jest przystosowane do wkręcenia w korpus min: pompy, rozdzielacza itp. Służy do połączenia głównych podzespołów w układzie hydraulicznym z przewodami hydraulicznymi.
PO STRONIE PRZYŁĄCZENIOWEJ ZNAJDUJE SIĘ USZCZELKA ED, KTÓRA W PEŁNI USZCZELNIA UKŁAD. NYPLE NIE WYMAGAJĄ ZASTOSOWANIA DODATKOWYCH USZCZELEK.
Druga strona odpowiada za przyłączenie przewodu hydraulicznego czy kolanka. Uszczelnienie następuje po dokręceniu się złączy na stożku samo-uszczelniającym. Zapewnia to pełne uszczelnienie układu.
Przyłącze przystosowane jest do wkręcenia w korpus. Nie należy nim łączyć dwóch przewodów hydraulicznych. Do tego służą złącza dostępne na innych aukcjach.
Dane techniczne:
Kąt stożka zaciskowego: 24° (typowy dla normy polskiej)
Długość całkowita H: 34,5mm
Średnica nominalna przelotu: 10mm
Gwint M1 od strony korpusu: zewnętrzny calowy 1/2"
Gwint M2 od strony przewodu: zewnętrzny metryczny 18x1.5
Wersja przyłącza: lekka
Ciśnienie nominalne: 180bar
Ciśnienie maksymalne: 230bar
Typ cieczy: olej hydrauliczny
Materiał:
stal spawalna, galwanizowana odporna na korozję
ID: 661465867
xxx xxx xxx
Dodane 10 listopada 2025
Wzmocniony orbitrol OSPC 50 ON + 4 NYPLE KUBOTA [7366]
338 zł
Lokalizacja