Firmowe
Opis
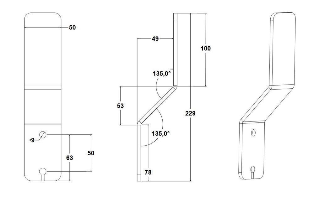
Wspornik zetka, ogranicznik mocowanie plandeki wywrotki
Ogranicznik zwijarki plandeki przyczepy, ocynkowany
Produkujemy solidne burty na wymiar do:
*Przyczep Rolniczych Autosan D35 D47 D55 IFA HL HW THK BSS Brandys i innych
*Rozrzutników obornika
*Aut ciężarowych
*Innych pojazdów
Wykonujemy burty i nadstawki na każdy wymiar, dowolnej wysokości.
Burty o standardowych wymiarach do popularnych przyczep mamy na magazynie dostępne od ręki.
KRÓTKIE TERMINY REALIZACJI!
Najważniejsze cechy naszych burt:
- Rama burty jest konstrukcją wykonaną z profili zamkniętych zacinanych pod kątem 45°. Zapewnia to większą sztywność, oraz zapobiega powstawaniu korozji.
Stosujemy profile ze ścianą grubości 2mm lub 3mm o przekrojach 50x50 lub 60x40.
- Blacha o grubości 2 mm (na specjalne zamówienie 3mm) tłoczona w głęboki trapez i wprasowana w ramę.
- Zagięcia blachy pod kątem 90° przy łączeniu z profilem poziomym, zapewniają szczelność wzmacniają całą konstrukcję i zapobiegają odrywaniu się blachy od ramy burty podczas eksploatacji.
- Nadstawki posiadają pas uszczelniający z płaskownika o grubości 3mm.
- Cała konstrukcja jest szczelnie spawana , a spawy są szlifowane. Burty są oczyszczone z odprysków oraz szczotkowane.
W ofercie posiadamy bardzo dobrej jakości farby podkładowe i nawierzchniowe, których sami używamy przy produkcji kompletnych górnych zabudów,
NIE SPRZEDAJEMY MALOWANYCH BURT. Ich prawidłowy montaż wymaga spawania co powoduje spalanie farby i psuje estetykę gotowego wyrobu.
Burty do przyczep niemieckich i czeskich IFA HL HW THK BSS Brandys i innych
Produkowane są indywidualnie i są dopasowywane do wymiarów podłogi, dzięki czemu możemy dopasować idealnie burty do ramy by zapewnić szczelność oraz odpowiednie działanie zamków i zawiasów.
Burty mogą zostać wyposażone w szereg dodatków jak wysyp/szyber tylny lub boczny, różnego rodzaju zamki, zawiasy, dźwignie, klamki, pręty.
W sprzedaży posiadamy także blachy na podłogi docinane na wymiar.
Znajdziesz u nas wszystko co niezbędne do remontu przyczepy między innymi kute zamknięcia, zawiasy, bolce, sworznie, wysokiej jakości odkuwki i wypałki laserowe, kule i ramiona wywrotu, podesty, drabinki, belki pod lampy, plandeki, farby oraz felgi i koła z oponami. Cały asortyment w bardzo atrakcyjnych cenach.
Kupując u nas wspierasz polską gospodarkę i dostajesz produkt najwyższej jakości, od producenta z najdłuższym doświadczeniem na rynku.
Zapraszamy do naszych innych ogłoszeń
Organizujemy TRANSPORT na terenie całego kraju i nie tylko.
Zadzwoń i zamów telefonicznie, służymy fachowym doradztwem!!
tel: 84 307 01 01 wewnętrzny 1
Zapraszamy do odwiedzenia naszej siedziby, aby obejrzeć nasze produkty osobiście.
FIRMA ZYCHAR
ul. Rolna 4,
23-400 BIŁGORAJ
Ogranicznik zwijarki plandeki przyczepy, ocynkowany
Produkujemy solidne burty na wymiar do:
*Przyczep Rolniczych Autosan D35 D47 D55 IFA HL HW THK BSS Brandys i innych
*Rozrzutników obornika
*Aut ciężarowych
*Innych pojazdów
Wykonujemy burty i nadstawki na każdy wymiar, dowolnej wysokości.
Burty o standardowych wymiarach do popularnych przyczep mamy na magazynie dostępne od ręki.
KRÓTKIE TERMINY REALIZACJI!
Najważniejsze cechy naszych burt:
- Rama burty jest konstrukcją wykonaną z profili zamkniętych zacinanych pod kątem 45°. Zapewnia to większą sztywność, oraz zapobiega powstawaniu korozji.
Stosujemy profile ze ścianą grubości 2mm lub 3mm o przekrojach 50x50 lub 60x40.
- Blacha o grubości 2 mm (na specjalne zamówienie 3mm) tłoczona w głęboki trapez i wprasowana w ramę.
- Zagięcia blachy pod kątem 90° przy łączeniu z profilem poziomym, zapewniają szczelność wzmacniają całą konstrukcję i zapobiegają odrywaniu się blachy od ramy burty podczas eksploatacji.
- Nadstawki posiadają pas uszczelniający z płaskownika o grubości 3mm.
- Cała konstrukcja jest szczelnie spawana , a spawy są szlifowane. Burty są oczyszczone z odprysków oraz szczotkowane.
W ofercie posiadamy bardzo dobrej jakości farby podkładowe i nawierzchniowe, których sami używamy przy produkcji kompletnych górnych zabudów,
NIE SPRZEDAJEMY MALOWANYCH BURT. Ich prawidłowy montaż wymaga spawania co powoduje spalanie farby i psuje estetykę gotowego wyrobu.
Burty do przyczep niemieckich i czeskich IFA HL HW THK BSS Brandys i innych
Produkowane są indywidualnie i są dopasowywane do wymiarów podłogi, dzięki czemu możemy dopasować idealnie burty do ramy by zapewnić szczelność oraz odpowiednie działanie zamków i zawiasów.
Burty mogą zostać wyposażone w szereg dodatków jak wysyp/szyber tylny lub boczny, różnego rodzaju zamki, zawiasy, dźwignie, klamki, pręty.
W sprzedaży posiadamy także blachy na podłogi docinane na wymiar.
Znajdziesz u nas wszystko co niezbędne do remontu przyczepy między innymi kute zamknięcia, zawiasy, bolce, sworznie, wysokiej jakości odkuwki i wypałki laserowe, kule i ramiona wywrotu, podesty, drabinki, belki pod lampy, plandeki, farby oraz felgi i koła z oponami. Cały asortyment w bardzo atrakcyjnych cenach.
Kupując u nas wspierasz polską gospodarkę i dostajesz produkt najwyższej jakości, od producenta z najdłuższym doświadczeniem na rynku.
Zapraszamy do naszych innych ogłoszeń
Organizujemy TRANSPORT na terenie całego kraju i nie tylko.
Zadzwoń i zamów telefonicznie, służymy fachowym doradztwem!!
tel: 84 307 01 01 wewnętrzny 1
Zapraszamy do odwiedzenia naszej siedziby, aby obejrzeć nasze produkty osobiście.
FIRMA ZYCHAR
ul. Rolna 4,
23-400 BIŁGORAJ
ID: 726566462
Skontaktuj się
xxx xxx xxx

