Firmowe
Stan: Nowe
Opis
WIATA GARAŻOWA 300x500cm CARPORT - ZADASZENIE PŁYTY PVC
TRANSPORT GRATIS na terenie całej Polski.
Wiata garażowa to głównie ochrona przed deszczem dla samochodu.
Wiata garażowa jest idealnym miejscem dla samochodu, gdy nie można postawić garażu lub nie ma miejsca na budynek garażowy.
Wiata garażowa posiada znak FSC. Oznacza to, iż drewno pozyskiwane jest z legalnych Ľródeł i pozyskiwanie w drodze ekonomicznej gospodarki leśnej.
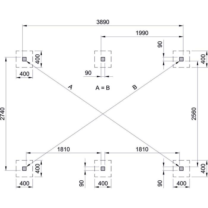
Wymiary wiaty garażowej nr art. 20092:
Wysokość wjazdu: ok. 210 cm
Wysokość całkowita: ok. 230 cm
Szerokość wjazdu: ok. 250 cm
Szerokość całkowita: ok. 300 cm
Długość ok. 500 cm
Odstępy pomiędzy słupami: 181 cm
Materiał:
Konstrukcja: sosna/świerk (FSC), zaimpregnowane ciśnieniowo.
Słupy: 88x88mm
Belka dachowa: 30 x 118 mm - 9 sztuk, belki poprzeczne nie są strugane.
Belka siodłowa: 28 x 98 mm
Zadaszenie:
Płyta falista PCW - grubość 1,2 mm - kolor grafitowy. Mocowane za pomocą plastikowych dystansowników
Zestaw zawiera:
-wszystkie elementy konstrukcyjne
-płyty dachowe
-wszystkie elementy montażowe (śruby, wkręty, kątowniki itp.)
-instrukcję montażu w j. polskim
Zestaw nie zawiera:
-metalowych kotew do mocowania konstrukcji w gruncie.
Nasze wiaty to:
impregnacja ciśnieniowa wszystkich elementów drewnianych:
solidny przekrój słupów: 9 x 9 cm
odpowiednia wytrzymałość dachu - potwierdzone wyliczenia statyczne
prosty montaż i budowa dzięki przygotowanym elementom
wszystkie elementy montażowe w zestawie produktu
prosta, prowadząca przez każdy etap instrukcja montażu
wyliczenia wytrzymałościowe dla każdej z wiat (85 kg/m2)
masywna konstrukcja dachu (belki: 30 x 118 mm)
TRANSPORT - w cenie wiaty na terenie całej Polski
Wiata spakowana jest w paczkę o wymiarach:
3 x 1,2 x 0,5 m.
Waga 250kg.
Transport na terenie całej Polski. Transport w tej ofercie jest darmowy.
UWAGA!!! Transport wiat odbywa się w systemie transportu bezpośredniego. Samochód dostawczy (zazwyczaj BUS) ładuje się u nas i bezpośrednio jedzie do klienta, więc można ustalić dokładnie dzień i mniej więcej godzinę rozładunku towaru.
Z uwagi na duże gabaryty paczki, rozładunek może odbyć się tylko i wyłącznie ręcznie. Kierowca nie ma obowiązku pomagać przy rozładunku. Prosimy o zorganizowanie dwóch-trzech osób, które będą mogły wiatę rozładować z samochodu.
SPADEK
Z uwagi na różne tereny, na którym będzie stała wiata garażowa, każda jest dostarczana całkowicie płaska. Aby zachować bezpieczeństwo, wytrzymałość i odpowiednie odprowadzanie wody z powierzchni dachu, należy wykonać spadek już podczas montażu.
Spadek do tyłu lub do przodu, można wykonać poprzez przycięcie słupów albo odpowiednie ustawienie kotew.
TRANSPORT GRATIS na terenie całej Polski.
Wiata garażowa to głównie ochrona przed deszczem dla samochodu.
Wiata garażowa jest idealnym miejscem dla samochodu, gdy nie można postawić garażu lub nie ma miejsca na budynek garażowy.
Wiata garażowa posiada znak FSC. Oznacza to, iż drewno pozyskiwane jest z legalnych Ľródeł i pozyskiwanie w drodze ekonomicznej gospodarki leśnej.
Wymiary wiaty garażowej nr art. 20092:
Wysokość wjazdu: ok. 210 cm
Wysokość całkowita: ok. 230 cm
Szerokość wjazdu: ok. 250 cm
Szerokość całkowita: ok. 300 cm
Długość ok. 500 cm
Odstępy pomiędzy słupami: 181 cm
Materiał:
Konstrukcja: sosna/świerk (FSC), zaimpregnowane ciśnieniowo.
Słupy: 88x88mm
Belka dachowa: 30 x 118 mm - 9 sztuk, belki poprzeczne nie są strugane.
Belka siodłowa: 28 x 98 mm
Zadaszenie:
Płyta falista PCW - grubość 1,2 mm - kolor grafitowy. Mocowane za pomocą plastikowych dystansowników
Zestaw zawiera:
-wszystkie elementy konstrukcyjne
-płyty dachowe
-wszystkie elementy montażowe (śruby, wkręty, kątowniki itp.)
-instrukcję montażu w j. polskim
Zestaw nie zawiera:
-metalowych kotew do mocowania konstrukcji w gruncie.
Nasze wiaty to:
impregnacja ciśnieniowa wszystkich elementów drewnianych:
solidny przekrój słupów: 9 x 9 cm
odpowiednia wytrzymałość dachu - potwierdzone wyliczenia statyczne
prosty montaż i budowa dzięki przygotowanym elementom
wszystkie elementy montażowe w zestawie produktu
prosta, prowadząca przez każdy etap instrukcja montażu
wyliczenia wytrzymałościowe dla każdej z wiat (85 kg/m2)
masywna konstrukcja dachu (belki: 30 x 118 mm)
TRANSPORT - w cenie wiaty na terenie całej Polski
Wiata spakowana jest w paczkę o wymiarach:
3 x 1,2 x 0,5 m.
Waga 250kg.
Transport na terenie całej Polski. Transport w tej ofercie jest darmowy.
UWAGA!!! Transport wiat odbywa się w systemie transportu bezpośredniego. Samochód dostawczy (zazwyczaj BUS) ładuje się u nas i bezpośrednio jedzie do klienta, więc można ustalić dokładnie dzień i mniej więcej godzinę rozładunku towaru.
Z uwagi na duże gabaryty paczki, rozładunek może odbyć się tylko i wyłącznie ręcznie. Kierowca nie ma obowiązku pomagać przy rozładunku. Prosimy o zorganizowanie dwóch-trzech osób, które będą mogły wiatę rozładować z samochodu.
SPADEK
Z uwagi na różne tereny, na którym będzie stała wiata garażowa, każda jest dostarczana całkowicie płaska. Aby zachować bezpieczeństwo, wytrzymałość i odpowiednie odprowadzanie wody z powierzchni dachu, należy wykonać spadek już podczas montażu.
Spadek do tyłu lub do przodu, można wykonać poprzez przycięcie słupów albo odpowiednie ustawienie kotew.
ID: 954262863
xxx xxx xxx

