Przejdź do głównej części
Czat

Powiadomienia

Dodaj ogłoszenie
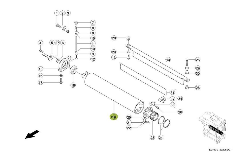
Walec gładki sieczkarni CLAAS JAGUAR 830-980
Walec gładki sieczkarni CLAAS JAGUAR 830-980
PromujOdśwież

Firmowe

Opis

Walec gładki sieczkarni CLAAS JAGUAR 830-980

Zastosowanie: 900-830, 980-930

nr porównawczy: 0009061530, 0014121050

cena brutto
jesteśmy producentami
ID: 859232772

Skontaktuj się

ZMP MIKROSTAL

Na OLX od sierpień 2010

Ostatnio online dziś o 05:31

xxx xxx xxx

Dodane 23 września 2025

Walec gładki sieczkarni CLAAS JAGUAR 830-980

2 460 zł

Lokalizacja

Darmowa aplikacja na Twój telefon