Prywatne
Stan: Nowe
Opis
SZKLARNIA OGRODOWA 4x3m 12m2 projekt
Rysunki do druku wysyłam na maila. Wszystkie rysunki PDF nie mieszczą się na portalu !
Projekt zawiera całościowe opracowanie, w tym rysunki rzuty, widoki, przekroje detale lista części, dla wykonania przez stolarza.
potraficie docenić poradę PKO 06 1020 1332 0000 1002 1093 6740 Karolina Ilczuk
Szklarnia z murem akumulacyjnym, murek ustawiony na promienie słoneczne w południe o 12 by powierzchnia nagrzewała się i kumulowała ciepło, promieniowanie słoneczne podczerwone (ciepło) i nadfioletowe promieniowanie UVB UVA UV.
Murek wykonany z cegły szamotowej (przewodnictwo cieplne i akumulacja) na fundamencie betonowym, wykończony płytką granitową płomieniową (osłona przed zaciekaniem). Cegła i płytki klejone na zaprawie szamotową.
Podwalina dębowa (styk drewna z ziemią) wykonany z drewna o wysokiej twardości impregnowanego olejem spożywczym.
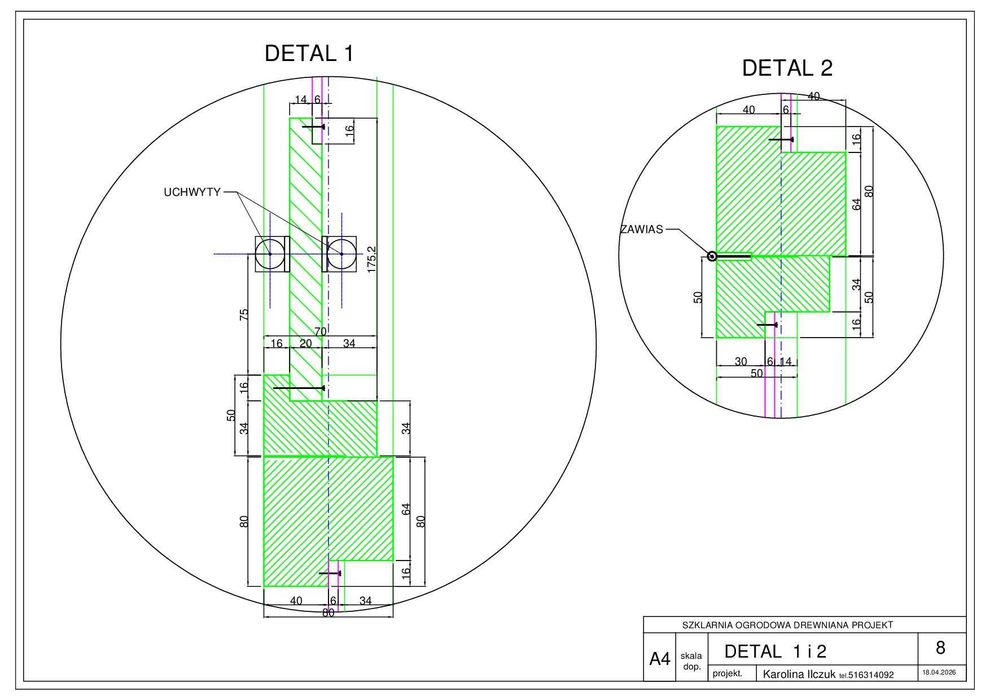
Konstrukcja ustawiona na podwalinie (kotwienie chemiczne) wykonana z kantówek z suchego drewna modrzewiowego (modrzew syberyjski) konstrukcja zamknięta wieńcem łączenie ciesielskie na zakładkę) konstrukcja dachu klatka z krokwi i desek z modrzewia zacinane i kotwione do wieńca.
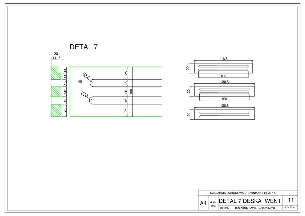
Wentylacja szklarni, powietrze wchodzi przez otwory wentylacyjne z jednej strony, ogrzewa się i podnosi i wychodzi przez uchylne okna.
Poszycie zaprojektowane z lekkiej plexi 6mm wpuszczanej i kotwionej na wkręty ze stali nierdzewnej, Plexiglas przepuszcza wszystkie rodzaje promieniowania słonecznego i jest lepszym rozwiązaniem niż szkło, które jest ciężkie i nie przepuszcza wszystkiego promieniowania (nie opalamy się przez szybę).
Microklimat wytworzony w szklarni jest wspaniały. Ciepło kumulowane przez ustawienie muru powoduje że ziemia nagrzewa się wczesną wiosną i szklarnia spełnia funkcję rozsadnika, gdy sadzonki dorosną ziemia jest odpowiednio nagrzana by pomidory rosły wcześniej w gruncie a cyrkulacja powietrza powoduje że pomidory tworzą zawiązki i nie przegrzewają się. Szklarnia ma konstrukcję do podwieszenia pomidorów. Okna zamyka się na noc by ciepło krążyło w środku.
Drewno malowane olejem spożywczym przed montażem poszycia.
Projekt zawiera całościowe opracowanie, w tym rysunki rzuty, widoki, przekroje detale lista części, dla wykonania przez stolarza.
telefon do projektanta Karolina Ilczuk 51*****92
Rysunki do druku wysyłam na maila. Wszystkie rysunki PDF nie mieszczą się na portalu !
Projekt zawiera całościowe opracowanie, w tym rysunki rzuty, widoki, przekroje detale lista części, dla wykonania przez stolarza.
potraficie docenić poradę PKO 06 1020 1332 0000 1002 1093 6740 Karolina Ilczuk
Szklarnia z murem akumulacyjnym, murek ustawiony na promienie słoneczne w południe o 12 by powierzchnia nagrzewała się i kumulowała ciepło, promieniowanie słoneczne podczerwone (ciepło) i nadfioletowe promieniowanie UVB UVA UV.
Murek wykonany z cegły szamotowej (przewodnictwo cieplne i akumulacja) na fundamencie betonowym, wykończony płytką granitową płomieniową (osłona przed zaciekaniem). Cegła i płytki klejone na zaprawie szamotową.
Podwalina dębowa (styk drewna z ziemią) wykonany z drewna o wysokiej twardości impregnowanego olejem spożywczym.
Konstrukcja ustawiona na podwalinie (kotwienie chemiczne) wykonana z kantówek z suchego drewna modrzewiowego (modrzew syberyjski) konstrukcja zamknięta wieńcem łączenie ciesielskie na zakładkę) konstrukcja dachu klatka z krokwi i desek z modrzewia zacinane i kotwione do wieńca.
Wentylacja szklarni, powietrze wchodzi przez otwory wentylacyjne z jednej strony, ogrzewa się i podnosi i wychodzi przez uchylne okna.
Poszycie zaprojektowane z lekkiej plexi 6mm wpuszczanej i kotwionej na wkręty ze stali nierdzewnej, Plexiglas przepuszcza wszystkie rodzaje promieniowania słonecznego i jest lepszym rozwiązaniem niż szkło, które jest ciężkie i nie przepuszcza wszystkiego promieniowania (nie opalamy się przez szybę).
Microklimat wytworzony w szklarni jest wspaniały. Ciepło kumulowane przez ustawienie muru powoduje że ziemia nagrzewa się wczesną wiosną i szklarnia spełnia funkcję rozsadnika, gdy sadzonki dorosną ziemia jest odpowiednio nagrzana by pomidory rosły wcześniej w gruncie a cyrkulacja powietrza powoduje że pomidory tworzą zawiązki i nie przegrzewają się. Szklarnia ma konstrukcję do podwieszenia pomidorów. Okna zamyka się na noc by ciepło krążyło w środku.
Drewno malowane olejem spożywczym przed montażem poszycia.
Projekt zawiera całościowe opracowanie, w tym rysunki rzuty, widoki, przekroje detale lista części, dla wykonania przez stolarza.
telefon do projektanta Karolina Ilczuk 51*****92
ID: 1068891270
xxx xxx xxx
Odświeżono dnia 26 kwietnia 2026
szklarnia ogrodowa projekt
Za darmo
Lokalizacja