Prywatne
Stan: Nowe
Opis
Witam
Tokarka uchwyt tokarski
Góry miękkie jednolite do uchwytów tokarskich Polskich Bison od 160 do 400
Nowe nie szlifowane i nie żadne zamienniki
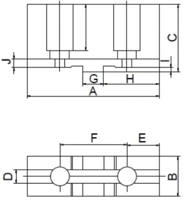
Wymiary w (mm)
160#400#315#315
A 78#140#180#108
B 25/42/35/38
C 42/64/70/78
D 8 /12,5/12,5/12,5
E 18,5/29/51/26
F 38//76/75/47
G 12,5/19/19//19
H 31,5/58/80/44
I 5,5///6//7,5/3
J 4,5///4//5//4,5
Śruba m10/16/18/12
Do 160 posiadam jeszcze dłuższe i wyższe
Cena podana za komplet trzech sztuk do uchwytu 160
Do uchwytu 315 /400 fotki mogę podesłać z ceną
Zainteresowanych zapraszam do kontaktu 785### 607###248
Możliwa wysyłka pobraniowa
Tokarka uchwyt tokarski
Góry miękkie jednolite do uchwytów tokarskich Polskich Bison od 160 do 400
Nowe nie szlifowane i nie żadne zamienniki
Wymiary w (mm)
160#400#315#315
A 78#140#180#108
B 25/42/35/38
C 42/64/70/78
D 8 /12,5/12,5/12,5
E 18,5/29/51/26
F 38//76/75/47
G 12,5/19/19//19
H 31,5/58/80/44
I 5,5///6//7,5/3
J 4,5///4//5//4,5
Śruba m10/16/18/12
Do 160 posiadam jeszcze dłuższe i wyższe
Cena podana za komplet trzech sztuk do uchwytu 160
Do uchwytu 315 /400 fotki mogę podesłać z ceną
Zainteresowanych zapraszam do kontaktu 785### 607###248
Możliwa wysyłka pobraniowa
ID: 876695587
Dodane 05 stycznia 2026
Szczęki jednolite miękkie fi 160
150 zł
Lokalizacja