Firmowe
Opis
Cechy oraz właściwości naszych silników hydraulicznych:
Wzmocniony układ łożysk (PODWÓJNE ŁOŻYSKA) - pozwala na bardzo długą oraz stabilną pracę silnika, poprzez równoważenie sił działających na wałek silnika.
Zawór odprężająco-zwrotny — wpływa na długotrwałą i bezawaryjną pracę silnika w różnych warunkach pogodowych i obciążeniowych.
Dedykowane uszczelnienia — dają niezastąpioną ochronę silnika przed wyciekami oleju w różnych zakresach pracy.
Obudowa z odpowiedniego stopu metalu — odpornego na temperaturę oraz czynniki atmosferyczne.
Wzmocniony silnik hydrauliczny grupy 4
KOD SKRAW MET: [4220]
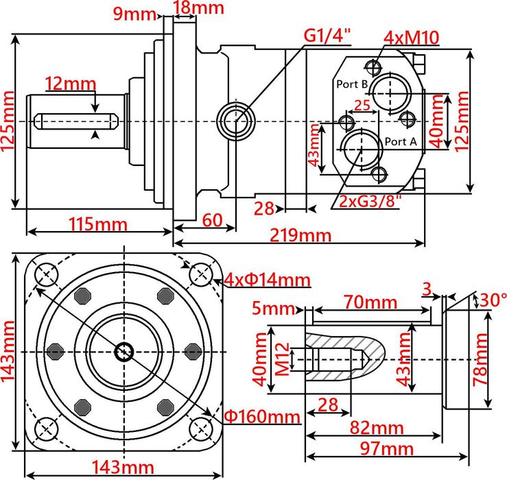
Typ: GEROLOR — podwójnie łożyskowany
Wałek: Φ40 mm
Obroty MAX.: 305 obr/min
Zastosowanie:
Posiada szerokie zastosowanie w układach hydraulicznych w rolnictwie, sadownictwie, leśnictwie, budownictwie i szeroko pojętym przemyśle.
Silniki z takimi samymi wymiarami, w zależności od pochodzenia i producenta występują pod różnymi symbolami m.in.: OMT, BM6, BMT, SMT, OMST, OMZT itp.
Silnik hydrauliczny BMT 400 przeznaczony przede wszystkim do pracy w różnego typu urządzeniach rolniczych i przemysłowych. W układach gdzie jest duże zapotrzebowanie na moc i moment obrotowy.
Rekomendowane zastosowanie:
Kombajny zbożowe, siewniki,
Glebogryzarka rotacyjna, kosiarka, wiertnica gruntowa
Owijarki, sieczkarnie, rozrzutniki
Zamiatarki, piaskarki, odśnieżarki
Rozgarniacze liści i gałęzi
Napędy do taśmociągów
Rębaki i rozdrabniacze gałęzi
Wciągarki leśne i wciągarki do pojazdów
Wiertnice sadownicze i wiertnice do otworów w gruncie
Napędy jezdne
Maszyny włókiennicze, maszyny drukarskie, pracujące z pralką.
Charakterystyka i zalety silników BMR:
Łożyska rolkowe (Zdjęcie obok - 1) zamiast plastikowych wkładek
Wysoki moment rozruchowy i płynna praca tuż po rozruchu
Prosta instalacja
Silniki mogą być stosowane w cięższych pojazdach
Długa żywotność nawet przy ciężkich warunkach użytkowania
Silnik może być używany w warunkach wysokiego ciśnienia, więc jego maksymalny moment obrotowy jest wyższy niż w silnikach BM5.
Zaawansowana konstrukcja, która może zapewnić lepszą wydajność przy niskich obrotach.
Zawór może automatycznie kompensować zużycie, dzięki czemu sprawność objętościowa jest wysoka
Konstrukcja silników BMR bazuje na systemie GEROLOR polegającym na zastosowaniu wewnątrz wzmacnianych łożysk rolkowych. Rolki zapewniają największą wytrzymałość na przeciążenia oraz długą żywotność silnika. Silniki rolkowe polecane są do układów, które pracują w ciężkich warunkach, przy długich nieprzerwanych pracach w rolnictwie i przemyśle.
UWAGA! Najtańsze silniki oferowane na rynku to nie GEROLOR, nie mają łożysk rolkowych a jedynie sztywne tulejki, zapytaj swojego dotychczasowego dostawcę, jaki typ silników ma w swojej ofercie.
Specyfikacja Techniczna:
Kierunek obrotów: obustronny
Gwinty wewnętrzne w korpusie: BSP G3/4"
Gwint wewnętrzny przy kołnierzu: BSP G1/4"
Maksymalne ciśnienie:
w pracy ciągłej: 18 Mpa
w pracy szczytowej: 24 Mpa
Maksymalny moment obrotowy:
w pracy ciągłej: 1080 Nm
w pracy szczytowej: 1450 Nm
Zakres prędkości obrotu (w pracy ciągłej): 305 obr/min
Przepływ maksymalny (w pracy ciągłej): 125 l/min
Maksymalna moc wyjściowa (w pracy ciągłej): 31,2 kW
Zakres dopuszczalnych temperatur:
temperatura otoczenia: -40 °C do +80 °C
temperatura oleju: -15 °C do +80 °C
Materiał korpusu: żeliwo
Wzmocniony układ łożysk (PODWÓJNE ŁOŻYSKA) - pozwala na bardzo długą oraz stabilną pracę silnika, poprzez równoważenie sił działających na wałek silnika.
Zawór odprężająco-zwrotny — wpływa na długotrwałą i bezawaryjną pracę silnika w różnych warunkach pogodowych i obciążeniowych.
Dedykowane uszczelnienia — dają niezastąpioną ochronę silnika przed wyciekami oleju w różnych zakresach pracy.
Obudowa z odpowiedniego stopu metalu — odpornego na temperaturę oraz czynniki atmosferyczne.
Wzmocniony silnik hydrauliczny grupy 4
KOD SKRAW MET: [4220]
Typ: GEROLOR — podwójnie łożyskowany
Wałek: Φ40 mm
Obroty MAX.: 305 obr/min
Zastosowanie:
Posiada szerokie zastosowanie w układach hydraulicznych w rolnictwie, sadownictwie, leśnictwie, budownictwie i szeroko pojętym przemyśle.
Silniki z takimi samymi wymiarami, w zależności od pochodzenia i producenta występują pod różnymi symbolami m.in.: OMT, BM6, BMT, SMT, OMST, OMZT itp.
Silnik hydrauliczny BMT 400 przeznaczony przede wszystkim do pracy w różnego typu urządzeniach rolniczych i przemysłowych. W układach gdzie jest duże zapotrzebowanie na moc i moment obrotowy.
Rekomendowane zastosowanie:
Kombajny zbożowe, siewniki,
Glebogryzarka rotacyjna, kosiarka, wiertnica gruntowa
Owijarki, sieczkarnie, rozrzutniki
Zamiatarki, piaskarki, odśnieżarki
Rozgarniacze liści i gałęzi
Napędy do taśmociągów
Rębaki i rozdrabniacze gałęzi
Wciągarki leśne i wciągarki do pojazdów
Wiertnice sadownicze i wiertnice do otworów w gruncie
Napędy jezdne
Maszyny włókiennicze, maszyny drukarskie, pracujące z pralką.
Charakterystyka i zalety silników BMR:
Łożyska rolkowe (Zdjęcie obok - 1) zamiast plastikowych wkładek
Wysoki moment rozruchowy i płynna praca tuż po rozruchu
Prosta instalacja
Silniki mogą być stosowane w cięższych pojazdach
Długa żywotność nawet przy ciężkich warunkach użytkowania
Silnik może być używany w warunkach wysokiego ciśnienia, więc jego maksymalny moment obrotowy jest wyższy niż w silnikach BM5.
Zaawansowana konstrukcja, która może zapewnić lepszą wydajność przy niskich obrotach.
Zawór może automatycznie kompensować zużycie, dzięki czemu sprawność objętościowa jest wysoka
Konstrukcja silników BMR bazuje na systemie GEROLOR polegającym na zastosowaniu wewnątrz wzmacnianych łożysk rolkowych. Rolki zapewniają największą wytrzymałość na przeciążenia oraz długą żywotność silnika. Silniki rolkowe polecane są do układów, które pracują w ciężkich warunkach, przy długich nieprzerwanych pracach w rolnictwie i przemyśle.
UWAGA! Najtańsze silniki oferowane na rynku to nie GEROLOR, nie mają łożysk rolkowych a jedynie sztywne tulejki, zapytaj swojego dotychczasowego dostawcę, jaki typ silników ma w swojej ofercie.
Specyfikacja Techniczna:
Kierunek obrotów: obustronny
Gwinty wewnętrzne w korpusie: BSP G3/4"
Gwint wewnętrzny przy kołnierzu: BSP G1/4"
Maksymalne ciśnienie:
w pracy ciągłej: 18 Mpa
w pracy szczytowej: 24 Mpa
Maksymalny moment obrotowy:
w pracy ciągłej: 1080 Nm
w pracy szczytowej: 1450 Nm
Zakres prędkości obrotu (w pracy ciągłej): 305 obr/min
Przepływ maksymalny (w pracy ciągłej): 125 l/min
Maksymalna moc wyjściowa (w pracy ciągłej): 31,2 kW
Zakres dopuszczalnych temperatur:
temperatura otoczenia: -40 °C do +80 °C
temperatura oleju: -15 °C do +80 °C
Materiał korpusu: żeliwo
ID: 1029910438
xxx xxx xxx
Dodane 03 października 2025
SILNIK Hydrauliczny Do Wiertnicy BM6 400 cm3 GR4 [4220]
1 088 zł
Lokalizacja