Firmowe
Opis
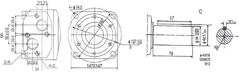
SILNIK HYDRAULICZNY TYPU BM6 400
[1795]
TYP: GEROLER
WAŁEK: 40mm
Zastosowanie:
Często stosowany w Wiertnicach.
Posiada szerokie zastosowanie w układach hydraulicznych w rolnictwie, sadownictwie, leśnictwie, budownictwie i szeroko pojętym przemyśle.
Silniki z takimi samymi wymiarami, w zależności od pochodzenia i producenta występują pod różnymi symbolami m.in.: BMT, BM6, OMT, MT, MGT, GMT i inne
Silnik hydrauliczny BM6 400 przeznaczony przede wszystkim do pracy w różnego typu urządzeniach rolniczych i przemysłowych. W układach gdzie jest duże zapotrzebowanie na moc i moment obrotowy.
Rekomendowane zastosowanie:
Kombajny zbożowe, siewniki,
Glebogryzarka rotacyjna, kosiarka, wiertnica gruntowa
Owijarki, sieczkarnie, rozrzutniki
Zamiatarki, piaskarki, odśnieżarki
Rozgarniacze liści i gałęzi
Napędy do taśmociągów
Rębaki i rozdrabniacze gałęzi
Wciągarki leśne i wciągarki do pojazdów
Wiertnice sadownicze i wiertnice do otworów w gruncie
Napędy jezdne
Maszyny włókiennicze, maszyny drukarskie, pracujące z pralką.
Charakterystyka i zalety silników BM6:
Dodatkowo łożyskowany wałek
Wysoki moment rozruchowy i płynna praca tuż po rozruchu
Prosta instalacja
Podwójna konstrukcja łożyska, która pozwala na większe obciążenia promieniowe
Silniki mogą być stosowane w cięższych pojazdach
Długa żywotność nawet przy ciężkich warunkach użytkowania
Silnik może być używany w warunkach wysokiego ciśnienia, więc jego maksymalny moment obrotowy jest wyższy niż w silnikach BM5.
Zaawansowana konstrukcja, która może zapewnić lepszą wydajność przy niskich obrotach.
Zawór może automatycznie kompensować zużycie, dzięki czemu sprawność objętościowa jest wysoka.
UWAGA! Najtańsze silniki oferowane na rynku to nie GEROLER, nie mają łożysk rolkowych a jedynie sztywne tulejki, zapytaj swojego dotychczasowego dostawcę, jaki typ silników ma w swojej ofercie.
Dane techniczne:
Kierunek obrotów: obustronny
Gwinty wewnętrzne w korpusie: 1/2"
Porty BSP: podłączenie z boku 3/4
Materiał korpusu: żeliwo
Maksymalne parametry w pracy ciągłej:
Maksymalny przepływ: 150 l/min
Maksymalna prędkość obrotu: 383 obr/min
Maksymalne ciśnienie: 20,5 MPa
Maksymalna moc: 31 kW
Maksymalny moment obrotowy: 1169 Nm
Maksymalne parametry w pracy chwilowej max 6 sekund co minutę:
Maksymalny przepływ: 225 l/min
Maksymalna prędkość obrotu: 563 obr/min
Maksymalne ciśnienie: 31 MPa
Maksymalna moc: 35 kW
Maksymalny moment obrotowy: 1655 Nm
Zalecany zakres temperatur oleju:
Dopuszczalna temperatura otoczenia: -40 C do +80 C
Dopuszczalna temperatura oleju: -15 C do +80 C
[1795]
TYP: GEROLER
WAŁEK: 40mm
Zastosowanie:
Często stosowany w Wiertnicach.
Posiada szerokie zastosowanie w układach hydraulicznych w rolnictwie, sadownictwie, leśnictwie, budownictwie i szeroko pojętym przemyśle.
Silniki z takimi samymi wymiarami, w zależności od pochodzenia i producenta występują pod różnymi symbolami m.in.: BMT, BM6, OMT, MT, MGT, GMT i inne
Silnik hydrauliczny BM6 400 przeznaczony przede wszystkim do pracy w różnego typu urządzeniach rolniczych i przemysłowych. W układach gdzie jest duże zapotrzebowanie na moc i moment obrotowy.
Rekomendowane zastosowanie:
Kombajny zbożowe, siewniki,
Glebogryzarka rotacyjna, kosiarka, wiertnica gruntowa
Owijarki, sieczkarnie, rozrzutniki
Zamiatarki, piaskarki, odśnieżarki
Rozgarniacze liści i gałęzi
Napędy do taśmociągów
Rębaki i rozdrabniacze gałęzi
Wciągarki leśne i wciągarki do pojazdów
Wiertnice sadownicze i wiertnice do otworów w gruncie
Napędy jezdne
Maszyny włókiennicze, maszyny drukarskie, pracujące z pralką.
Charakterystyka i zalety silników BM6:
Dodatkowo łożyskowany wałek
Wysoki moment rozruchowy i płynna praca tuż po rozruchu
Prosta instalacja
Podwójna konstrukcja łożyska, która pozwala na większe obciążenia promieniowe
Silniki mogą być stosowane w cięższych pojazdach
Długa żywotność nawet przy ciężkich warunkach użytkowania
Silnik może być używany w warunkach wysokiego ciśnienia, więc jego maksymalny moment obrotowy jest wyższy niż w silnikach BM5.
Zaawansowana konstrukcja, która może zapewnić lepszą wydajność przy niskich obrotach.
Zawór może automatycznie kompensować zużycie, dzięki czemu sprawność objętościowa jest wysoka.
UWAGA! Najtańsze silniki oferowane na rynku to nie GEROLER, nie mają łożysk rolkowych a jedynie sztywne tulejki, zapytaj swojego dotychczasowego dostawcę, jaki typ silników ma w swojej ofercie.
Dane techniczne:
Kierunek obrotów: obustronny
Gwinty wewnętrzne w korpusie: 1/2"
Porty BSP: podłączenie z boku 3/4
Materiał korpusu: żeliwo
Maksymalne parametry w pracy ciągłej:
Maksymalny przepływ: 150 l/min
Maksymalna prędkość obrotu: 383 obr/min
Maksymalne ciśnienie: 20,5 MPa
Maksymalna moc: 31 kW
Maksymalny moment obrotowy: 1169 Nm
Maksymalne parametry w pracy chwilowej max 6 sekund co minutę:
Maksymalny przepływ: 225 l/min
Maksymalna prędkość obrotu: 563 obr/min
Maksymalne ciśnienie: 31 MPa
Maksymalna moc: 35 kW
Maksymalny moment obrotowy: 1655 Nm
Zalecany zakres temperatur oleju:
Dopuszczalna temperatura otoczenia: -40 C do +80 C
Dopuszczalna temperatura oleju: -15 C do +80 C
ID: 536806906
xxx xxx xxx
Dodane 10 października 2025
Silnik Hydrauliczny BM6 BMT OMT 400 cm3 ALSG4 GR4 [1795]
1 288 zł
Lokalizacja