Firmowe
Opis
Cechy oraz właściwości naszych silników hydraulicznych:
-Obudowa z odpowiedniego stopu metalu - odpornego na temperaturę oraz czynniki atmosferyczne.
-Wzmocniony układ łożysk (PODWÓJNE ŁOŻYSKA) - pozwala na bardzo długą oraz stabilną pracę silnika, poprzez równoważenie sił działających na wałek silnika.
-Dedykowane uszczelnienia - dają niezastąpioną ochronę silnika przed wyciekami oleju w różnych zakresach pracy.
-Zawór odprężająco-zwrotny - wpływa na długotrwałą i bezawaryjną pracę silnika w różnych warunkach pogodowych i obciążeniowych.
___
SILNIK HYDRAULICZNY TYPU BMR 200 WRAZ Z ZAWOREM HYDRAULICZNYM KRZYŻOWYM VAU 1/2
KOD SKRAW-MET: [7277]
Typ: WZMOCNIONY, PODWÓJNIE ŁOŻYSKOWANY, BMR, GEROLOR
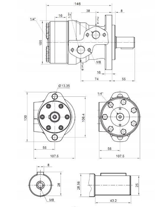
Wałek: 25 mm
Obroty MAX.: 375 obr/min
___
Zastosowanie:
Posiada szerokie zastosowanie w układach hydraulicznych w rolnictwie, sadownictwie, leśnictwie, budownictwie i szeroko pojętym przemyśle.
Silniki z takimi samymi wymiarami, w zależności od pochodzenia i producenta występują pod różnymi symbolami m.in.: SMR, BMP, OMP , EMP i inne
Silnik hydrauliczny BMR 200 przeznaczony przede wszystkim do pracy w różnego typu urządzeniach rolniczych i przemysłowych. W układach gdzie jest średnie zapotrzebowanie na moc i przy średnim wydatku oleju chcemy uzyskać dość dużą prędkość obrotową.
Rekomendowane zastosowanie:
Owijarki, sieczkarnie, rozrzutniki
Zamiatarki, piaskarki, odśnieżarki
Podcinacze do naci marchwi, buraków, cebuli i innych
Rozgarniacze liści i gałęzi
Napędy do taśmociągów
Rębaki i rozdrabniacze gałęzi
Wciągarki leśne i wciągarki do pojazdów
Wiertnice sadownicze i wiertnice do otworów w gruncie
Charakterystyka i zalety silników BMR:
łożyska rolkowe zamiast plastikowych wkładek
możliwość łączenia szeregowo i równolegle
wysoki moment rozruchowy i płynna praca tuż po rozruchu
duża odporność na siły osiowe i promieniowe
prosta instalacja
niski poziom hałasu
długa żywotność nawet przy ciężkich warunkach użytkowania
Konstrukcja silników BMR bazuje na systemie GEROLOR polegającym na zastosowaniu wewnątrz wzmacnianych łożysk rolkowych. Rolki zapewniają największą wytrzymałość na przeciążenia oraz długą żywotność silnika. Silniki rolkowe polecane są do układów, które pracują w ciężkich warunkach, przy długich nieprzerwanych pracach w rolnictwie i przemyśle.
UWAGA! Najtańsze silniki oferowane na rynku to nie GEROLOR, nie mają łożysk rolkowych a jedynie sztywne tulejki, zapytaj swojego dotychczasowego dostawcę, jaki typ silników ma w swojej ofercie.
Specyfikacja techniczna:
Kierunek obrotów: obustronny
Gwinty: calowe BSP 1/2" podłączenie z boku
Przeciek: calowy BSP 1/4" w tylnym deklu.
Materiał korpusu: żeliwo
Maksymalne parametry w pracy ciągłej:
Maksymalny przepływ: 60 l/min
Maksymalna prędkość obrotu: 300 obr/min
Maksymalne ciśnienie: 13 MPa
Maksymalna moc: 10,5 kW
Maksymalny moment obrotowy: 360 Nm
Maksymalne parametry w pracy chwilowej max. 6 sekund co minutę:
Maksymalny przepływ: 75 l/min
Maksymalna prędkość obrotu: 375 obr/min
Maksymalne ciśnienie: 17,5 MPa
Maksymalna moc: 15 kW
Maksymalny moment obrotowy: 448 Nm
Zalecany zakres temperatur oleju:
Dopuszczalna temperatura otoczenia: -40 C do +80 C
Dopuszczalna temperatura oleju: -15 C do +80 C
___
ZAWÓR HYDRAULICZNY KRZYŻOWY (VAU) DO SILNIKÓW BMR/OMR/OMP 1/2 60L
Zawór przelewowy krzyżowy (bezpieczeństwa) - inaczej szokowy -wykorzystywany jest gdy na celu mamy kontrolę, ograniczenie lub regulację ciśnień maksymalnych na dwóch wejściach układu Hydraulicznego.
Idealnie ochrania przed nagłymi skokami ciśnień.
Zastosowanie:
Posiada szerokie zastosowanie w układach hydraulicznych w rolnictwie, sadownictwie, leśnictwie, budownictwie i szeroko pojętym przemyśle.
Wykorzystywany bardzo często w ładowaczach, owijarkach, ładowarkach, wiertnicach, świdrach, wózkach widłowych oraz w silnikach hydraulicznych.
Podłączenie:
Podłącz jedną stronę V1 i V2 do linii ciśnieniowych np. rozdzielacz hydrauliczny.
Analogiczne wyjścia z drugiej strony V1 i V2 do portów przyłączeniowych silnika hydraulicznego.
Specyfikacja Techniczna:
Maksymalny przepływ: 60 l/min
Ilość otworów hydraulicznych w korpusie: 4
Gwinty wewnętrzne w korpusie [BSP]: 1/2''
Regulacja zaworu przelewowego: 45 bar (na pełen obrót)
Zakres regulacji zaworów przelewowych: 50 - 200 bar
Dopuszczalne maksymalne ciśnienie: 350 bar
Dopuszczalna temperatura otoczenia: -40 C do +60 C
Dopuszczalna temperatura oleju: -15 C do +80 C
Typ oleju: Olej hydrauliczny na bazie oleju mineralnego
Materiał: stal galwanizowana
_
Towar jest nowy,
wysyłany w ciągu 24h od zamówienia, a więc do 48h powinien być u państwa.
99,9% ZADOWOLONYCH KUPUJĄCYCH
WYSTAWIAMY FAKTURY VAT / PARAGON
SPRZEDAJEMY RÓWNIEŻ HURTOWO
Możliwość rabatu dla stałych klientów
KUPUJĄC W NASZEJ FIRMIE OTRZYMUJESZ:
-Sprawdzony i pewny towar
-Tanią wysyłkę
-Fachowe doradztwo techniczne
___
Silniki hydrauliczne oraz nyple jak i wiele innych przedmiotów z zakresu hydrauliki siłowej znajdą państwo na naszych innych aukcjach.
-Obudowa z odpowiedniego stopu metalu - odpornego na temperaturę oraz czynniki atmosferyczne.
-Wzmocniony układ łożysk (PODWÓJNE ŁOŻYSKA) - pozwala na bardzo długą oraz stabilną pracę silnika, poprzez równoważenie sił działających na wałek silnika.
-Dedykowane uszczelnienia - dają niezastąpioną ochronę silnika przed wyciekami oleju w różnych zakresach pracy.
-Zawór odprężająco-zwrotny - wpływa na długotrwałą i bezawaryjną pracę silnika w różnych warunkach pogodowych i obciążeniowych.
___
SILNIK HYDRAULICZNY TYPU BMR 200 WRAZ Z ZAWOREM HYDRAULICZNYM KRZYŻOWYM VAU 1/2
KOD SKRAW-MET: [7277]
Typ: WZMOCNIONY, PODWÓJNIE ŁOŻYSKOWANY, BMR, GEROLOR
Wałek: 25 mm
Obroty MAX.: 375 obr/min
___
Zastosowanie:
Posiada szerokie zastosowanie w układach hydraulicznych w rolnictwie, sadownictwie, leśnictwie, budownictwie i szeroko pojętym przemyśle.
Silniki z takimi samymi wymiarami, w zależności od pochodzenia i producenta występują pod różnymi symbolami m.in.: SMR, BMP, OMP , EMP i inne
Silnik hydrauliczny BMR 200 przeznaczony przede wszystkim do pracy w różnego typu urządzeniach rolniczych i przemysłowych. W układach gdzie jest średnie zapotrzebowanie na moc i przy średnim wydatku oleju chcemy uzyskać dość dużą prędkość obrotową.
Rekomendowane zastosowanie:
Owijarki, sieczkarnie, rozrzutniki
Zamiatarki, piaskarki, odśnieżarki
Podcinacze do naci marchwi, buraków, cebuli i innych
Rozgarniacze liści i gałęzi
Napędy do taśmociągów
Rębaki i rozdrabniacze gałęzi
Wciągarki leśne i wciągarki do pojazdów
Wiertnice sadownicze i wiertnice do otworów w gruncie
Charakterystyka i zalety silników BMR:
łożyska rolkowe zamiast plastikowych wkładek
możliwość łączenia szeregowo i równolegle
wysoki moment rozruchowy i płynna praca tuż po rozruchu
duża odporność na siły osiowe i promieniowe
prosta instalacja
niski poziom hałasu
długa żywotność nawet przy ciężkich warunkach użytkowania
Konstrukcja silników BMR bazuje na systemie GEROLOR polegającym na zastosowaniu wewnątrz wzmacnianych łożysk rolkowych. Rolki zapewniają największą wytrzymałość na przeciążenia oraz długą żywotność silnika. Silniki rolkowe polecane są do układów, które pracują w ciężkich warunkach, przy długich nieprzerwanych pracach w rolnictwie i przemyśle.
UWAGA! Najtańsze silniki oferowane na rynku to nie GEROLOR, nie mają łożysk rolkowych a jedynie sztywne tulejki, zapytaj swojego dotychczasowego dostawcę, jaki typ silników ma w swojej ofercie.
Specyfikacja techniczna:
Kierunek obrotów: obustronny
Gwinty: calowe BSP 1/2" podłączenie z boku
Przeciek: calowy BSP 1/4" w tylnym deklu.
Materiał korpusu: żeliwo
Maksymalne parametry w pracy ciągłej:
Maksymalny przepływ: 60 l/min
Maksymalna prędkość obrotu: 300 obr/min
Maksymalne ciśnienie: 13 MPa
Maksymalna moc: 10,5 kW
Maksymalny moment obrotowy: 360 Nm
Maksymalne parametry w pracy chwilowej max. 6 sekund co minutę:
Maksymalny przepływ: 75 l/min
Maksymalna prędkość obrotu: 375 obr/min
Maksymalne ciśnienie: 17,5 MPa
Maksymalna moc: 15 kW
Maksymalny moment obrotowy: 448 Nm
Zalecany zakres temperatur oleju:
Dopuszczalna temperatura otoczenia: -40 C do +80 C
Dopuszczalna temperatura oleju: -15 C do +80 C
___
ZAWÓR HYDRAULICZNY KRZYŻOWY (VAU) DO SILNIKÓW BMR/OMR/OMP 1/2 60L
Zawór przelewowy krzyżowy (bezpieczeństwa) - inaczej szokowy -wykorzystywany jest gdy na celu mamy kontrolę, ograniczenie lub regulację ciśnień maksymalnych na dwóch wejściach układu Hydraulicznego.
Idealnie ochrania przed nagłymi skokami ciśnień.
Zastosowanie:
Posiada szerokie zastosowanie w układach hydraulicznych w rolnictwie, sadownictwie, leśnictwie, budownictwie i szeroko pojętym przemyśle.
Wykorzystywany bardzo często w ładowaczach, owijarkach, ładowarkach, wiertnicach, świdrach, wózkach widłowych oraz w silnikach hydraulicznych.
Podłączenie:
Podłącz jedną stronę V1 i V2 do linii ciśnieniowych np. rozdzielacz hydrauliczny.
Analogiczne wyjścia z drugiej strony V1 i V2 do portów przyłączeniowych silnika hydraulicznego.
Specyfikacja Techniczna:
Maksymalny przepływ: 60 l/min
Ilość otworów hydraulicznych w korpusie: 4
Gwinty wewnętrzne w korpusie [BSP]: 1/2''
Regulacja zaworu przelewowego: 45 bar (na pełen obrót)
Zakres regulacji zaworów przelewowych: 50 - 200 bar
Dopuszczalne maksymalne ciśnienie: 350 bar
Dopuszczalna temperatura otoczenia: -40 C do +60 C
Dopuszczalna temperatura oleju: -15 C do +80 C
Typ oleju: Olej hydrauliczny na bazie oleju mineralnego
Materiał: stal galwanizowana
_
Towar jest nowy,
wysyłany w ciągu 24h od zamówienia, a więc do 48h powinien być u państwa.
99,9% ZADOWOLONYCH KUPUJĄCYCH
WYSTAWIAMY FAKTURY VAT / PARAGON
SPRZEDAJEMY RÓWNIEŻ HURTOWO
Możliwość rabatu dla stałych klientów
KUPUJĄC W NASZEJ FIRMIE OTRZYMUJESZ:
-Sprawdzony i pewny towar
-Tanią wysyłkę
-Fachowe doradztwo techniczne
___
Silniki hydrauliczne oraz nyple jak i wiele innych przedmiotów z zakresu hydrauliki siłowej znajdą państwo na naszych innych aukcjach.
ID: 537249378
xxx xxx xxx
Dodane 20 października 2025
Silnik BMR 200 cm3 GR2 + Zawór VAU 1/2 Do Owijarki [7277]
488 zł
Lokalizacja