Firmowe
Opis
Oryginalny Rozdzielacz Hydrauliczny 80L do Łuparki
KOD SKRAW-MET: [3536]
Produkcja: SM-G (SKRAW-MET GROUP)
Rozdzielacz dedykowany do łuparek drewna.
Na suwak w jedną stronę działa sprężyna, przez co podczas łupania rozdzielacz wymaga trzymania dźwigni, natomiast powrót tłoczyska jest na zatrzask z odskokiem (gdy tłok siłownika wróci do pozycji startowej, zatrzask sam odskakuje i odciąża pompę).
Rozdzielacz doskonale sprawdza się w maszynach i urządzeniach zasilanych hydraulicznie.
Może być wykorzystywany w rolnictwie, sadownictwie, leśnictwie czy budownictwie.
Rozdzielacz posiada zawór bezpieczeństwa.
Rozdzielacz może sterować siłownikami dwustronnego działania.
Specyfikacja techniczna:
Przepływ oleju: 80 L/min
Ciśnienie maksymalne: 300 Bar
Temperatura oleju od -15°C do +80°C
Typ oleju: olej hydrauliczny na bazie oleju mineralnego
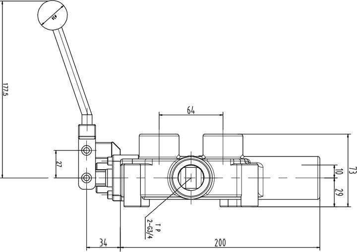
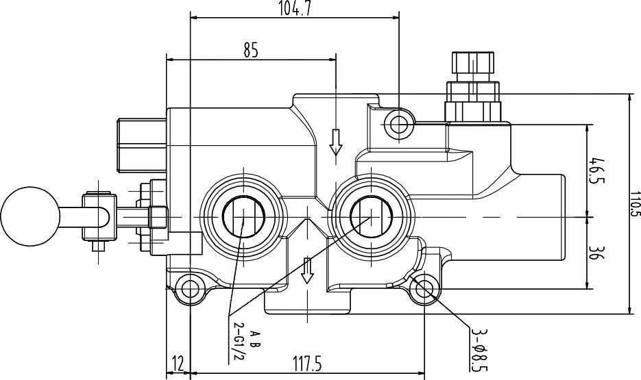
Przyłącza (Gwinty wewnętrzne w korpusie):
Zasilanie 3/4"
Powrót 3/4"
Siłowniki 1/2"
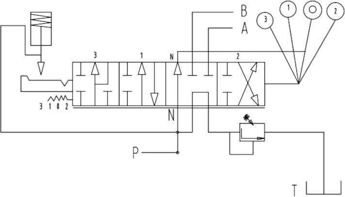
Dźwignia trzypozycyjna (1 - 0 - 2):
Pozycja 0 neutralna (dźwignia ustawiona w pionie) tłoczysko siłownika stoi - olej idzie na przelew.
Pozycja 1 robocza (dźwignia ustawiona w pozycji ukośnej do tyłu) tłoczysko siłownika chowa się.
Pozycja 2 robocza (dźwignia ustawiona w pozycji ukośnej do przodu) tłoczysko siłownika wysuwa się w trybie standardowym (tryb mocy).
Zawór przelewowy: Ustawiony fabrycznie na 175 Bar
Możliwość samodzielnej regulacji, pełny obrót zmiana o 30 Bar.
KOD SKRAW-MET: [3536]
Produkcja: SM-G (SKRAW-MET GROUP)
Rozdzielacz dedykowany do łuparek drewna.
Na suwak w jedną stronę działa sprężyna, przez co podczas łupania rozdzielacz wymaga trzymania dźwigni, natomiast powrót tłoczyska jest na zatrzask z odskokiem (gdy tłok siłownika wróci do pozycji startowej, zatrzask sam odskakuje i odciąża pompę).
Rozdzielacz doskonale sprawdza się w maszynach i urządzeniach zasilanych hydraulicznie.
Może być wykorzystywany w rolnictwie, sadownictwie, leśnictwie czy budownictwie.
Rozdzielacz posiada zawór bezpieczeństwa.
Rozdzielacz może sterować siłownikami dwustronnego działania.
Specyfikacja techniczna:
Przepływ oleju: 80 L/min
Ciśnienie maksymalne: 300 Bar
Temperatura oleju od -15°C do +80°C
Typ oleju: olej hydrauliczny na bazie oleju mineralnego
Przyłącza (Gwinty wewnętrzne w korpusie):
Zasilanie 3/4"
Powrót 3/4"
Siłowniki 1/2"
Dźwignia trzypozycyjna (1 - 0 - 2):
Pozycja 0 neutralna (dźwignia ustawiona w pionie) tłoczysko siłownika stoi - olej idzie na przelew.
Pozycja 1 robocza (dźwignia ustawiona w pozycji ukośnej do tyłu) tłoczysko siłownika chowa się.
Pozycja 2 robocza (dźwignia ustawiona w pozycji ukośnej do przodu) tłoczysko siłownika wysuwa się w trybie standardowym (tryb mocy).
Zawór przelewowy: Ustawiony fabrycznie na 175 Bar
Możliwość samodzielnej regulacji, pełny obrót zmiana o 30 Bar.
ID: 788361437
xxx xxx xxx
Dodane 10 grudnia 2025
Rozdzielacz Hydrauliczny 1 SEKCJA 80L/MIN ŁUPARKA [3536]
315 zł
Lokalizacja