Firmowe
Opis
Rozdzielacz czterosekcyjny kompletny blokowy typ CETOP. Sterowanie elektryczne, cewki 12V. W zestawie z elektrycznym panelem sterującym.
I.
INFORMACJE OGÓLNE ROZDZIELACZA:
Ilość obsługiwanych sekcji roboczych: 4
Sekcja startowa: TAK
Maksymalny przepływ: 50L/min
Zasilanie: 12V
II.
ZASADA DZIAŁANIA ROZDZIELACZA:
CETOP posiada jedną sekcję startową i cztery sekcje robocze. Sekcja startowa inaczej odciążająca
jest niezbędna, ma za zadanie odciążać pompę podczas gdy nie sterujemy żadnym rozdzielaczem.
Żaden rozdzielacz nie zadziała jeśli na sekcję startową nie będzie puszczony prąd, w związku z tym
podłączenie elektryczne musi być tak skonfigurowane, że każdy sygnał elektryczny puszczony na
sekcje robocze musi dotrzeć również do sekcji startowej.
Zasada działania suwaka na sekcji startowej:
Pozycja 1 odciążająca(dopływ prądu odcięty) cały olej z pompy idzie na przelew.
Pozycja 2 robocza (dopływ prądu otwarty)cały olej z pompy idzie na sekcje robocze.
Zasada działania suwaków na sekcjach roboczych:
Pozycja 1 neutralna (dopływ prądu odcięty) tłoczysko cylindra stoi - olej idzie na przelew.
Pozycja 2 robocza (dopływ prądu tylko do cewki pierwszej) tłoczysko cylindra wysuwa się.
Pozycja 3 robocza (dopływ prądu tylko do cewki drugiej) tłoczysko cylindra chowa się.
III.
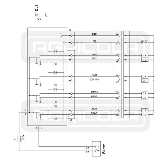
PODŁĄCZENIE:
P: zasilanie z pompy gwint wewnętrzny w bloku: BSP 1/2"
T: powrót do zbiornika gwint wewnętrzny bloku: BSP 1/2"
A i B: wyjścia na siłowniki lub silniki hydrauliczne gwinty wewnętrzne w bloku: BSP 3/8"
Ponadto rozdzielacz wyposażony jest we wszystkie potrzebne przyłącza, wyprowadzone
gwinty pod wszystkie przewody: M18x1.5. (w razie potrzeby możliwa jest zmiana gwintów).
IV.
ZAKRES CIŚNIEŃ:
Maksymalne ciśnienie na zasilaniu:250Bar
Maksymalne ciśnienie na powrocie: 50Bar
Maksymalne ciśnienie na sekcjach: 300Bar
Zawór przelewowy ustawiony fabrycznie na 175Bar
Możliwość samodzielnej regulacji, pełny obrót zmiana o 30Bar.
V.
ZAKRES TEMPERATUR I TYP OLEJU:
Dopuszczalna temperatura otoczenia: -40 C do +60 C
Dopuszczalna temperatura oleju: -15 C do+80 C
Rekomendowany olej:
Rzadki wysokiej jakości olej: LOTOS AGROL BOXOL 26
Średnio-gęsty wysokiej jakości olej: AGRO OIL L-HL 32
Zalecana filtracja oleju na poziomie 10- 15 µ
VI.
INFORMACJE OGÓLNE PANEL STERUJĄCY:
Wszystkie włączniki góra - dół z automatycznym centrowaniem (1-0-2)bez zatrzasku.
Każdy panel sprzedawany jest w komplecie z dwumetrowym przewodem zasilającym, oraz zespolonym, czterometrowym przewodem z wtyczkami łączącym panel z rozdzielaczem.
Symbol: 1.10.60.041
I.
INFORMACJE OGÓLNE ROZDZIELACZA:
Ilość obsługiwanych sekcji roboczych: 4
Sekcja startowa: TAK
Maksymalny przepływ: 50L/min
Zasilanie: 12V
II.
ZASADA DZIAŁANIA ROZDZIELACZA:
CETOP posiada jedną sekcję startową i cztery sekcje robocze. Sekcja startowa inaczej odciążająca
jest niezbędna, ma za zadanie odciążać pompę podczas gdy nie sterujemy żadnym rozdzielaczem.
Żaden rozdzielacz nie zadziała jeśli na sekcję startową nie będzie puszczony prąd, w związku z tym
podłączenie elektryczne musi być tak skonfigurowane, że każdy sygnał elektryczny puszczony na
sekcje robocze musi dotrzeć również do sekcji startowej.
Zasada działania suwaka na sekcji startowej:
Pozycja 1 odciążająca(dopływ prądu odcięty) cały olej z pompy idzie na przelew.
Pozycja 2 robocza (dopływ prądu otwarty)cały olej z pompy idzie na sekcje robocze.
Zasada działania suwaków na sekcjach roboczych:
Pozycja 1 neutralna (dopływ prądu odcięty) tłoczysko cylindra stoi - olej idzie na przelew.
Pozycja 2 robocza (dopływ prądu tylko do cewki pierwszej) tłoczysko cylindra wysuwa się.
Pozycja 3 robocza (dopływ prądu tylko do cewki drugiej) tłoczysko cylindra chowa się.
III.
PODŁĄCZENIE:
P: zasilanie z pompy gwint wewnętrzny w bloku: BSP 1/2"
T: powrót do zbiornika gwint wewnętrzny bloku: BSP 1/2"
A i B: wyjścia na siłowniki lub silniki hydrauliczne gwinty wewnętrzne w bloku: BSP 3/8"
Ponadto rozdzielacz wyposażony jest we wszystkie potrzebne przyłącza, wyprowadzone
gwinty pod wszystkie przewody: M18x1.5. (w razie potrzeby możliwa jest zmiana gwintów).
IV.
ZAKRES CIŚNIEŃ:
Maksymalne ciśnienie na zasilaniu:250Bar
Maksymalne ciśnienie na powrocie: 50Bar
Maksymalne ciśnienie na sekcjach: 300Bar
Zawór przelewowy ustawiony fabrycznie na 175Bar
Możliwość samodzielnej regulacji, pełny obrót zmiana o 30Bar.
V.
ZAKRES TEMPERATUR I TYP OLEJU:
Dopuszczalna temperatura otoczenia: -40 C do +60 C
Dopuszczalna temperatura oleju: -15 C do+80 C
Rekomendowany olej:
Rzadki wysokiej jakości olej: LOTOS AGROL BOXOL 26
Średnio-gęsty wysokiej jakości olej: AGRO OIL L-HL 32
Zalecana filtracja oleju na poziomie 10- 15 µ
VI.
INFORMACJE OGÓLNE PANEL STERUJĄCY:
Wszystkie włączniki góra - dół z automatycznym centrowaniem (1-0-2)bez zatrzasku.
Każdy panel sprzedawany jest w komplecie z dwumetrowym przewodem zasilającym, oraz zespolonym, czterometrowym przewodem z wtyczkami łączącym panel z rozdzielaczem.
Symbol: 1.10.60.041
ID: 857385091

