Firmowe
Opis
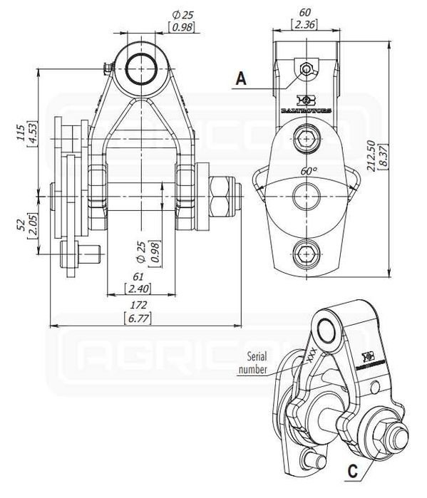
Część łącząca rotator hydrauliczny z ramieniem/dźwigiem hydraulicznym szanowanej i renomowanej łotewskiej firmy Baltrotors, ogniwa z hamulcami są niezbędne do cięższych zastosowań, które wymagają tłumienia kołysania, maksymalny udźwig: 3000kg. Średnica sworznia mocującego: 25mm
Symbol 1.51.00.110
Symbol 1.51.00.110
ID: 770058240

