Firmowe
Opis
MULTIPLIKATOR Z POMPĄ HYDRAULICZNĄ
KOD SKRAW-MET:[7010]
- MULTIPLIKATOR PRZEŁOŻENIE 1:3.8
- TYP 60004-6 Z GNIAZDEM PASUJĄCYM NA WAŁEK WOM OD CIĄGNIKA
- POMPA HYDRAULICZNA GRUPY 2 ZĘBATA 25cm3/obr 40L
- SPRZĘGŁO WIELOWPUSTOWE
___
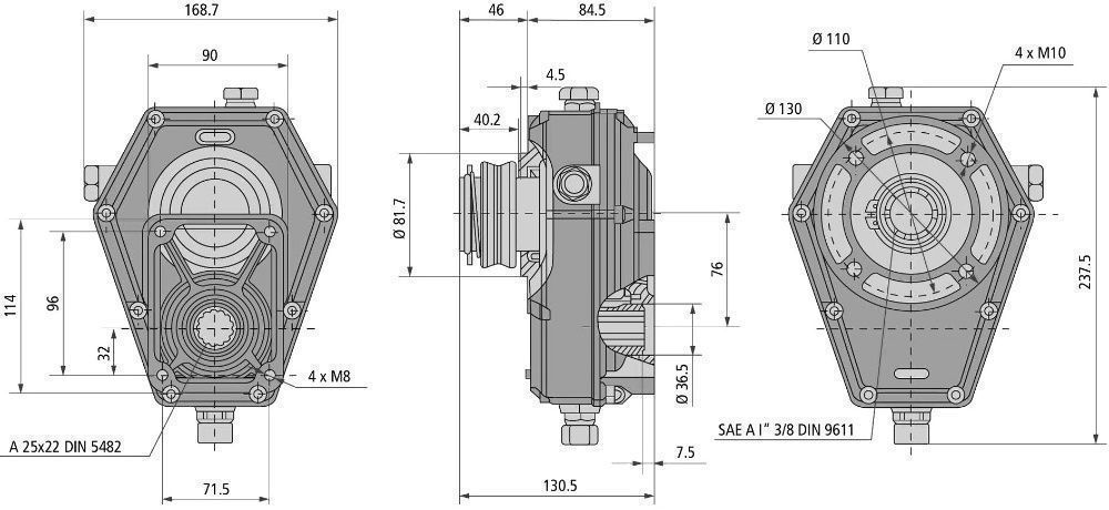
MULTIPLIKATOR PRZEKŁADNIA Z PRZEŁOŻENIEM 1:3.8 gr 2
KOD SKRAW-MET: [0198]
TYP 60004-6 (mały)
Przekładnia wałka przekaźnika mocy z tuleją profilowaną 1 3/8" 6-częściową. Przekładnia dostarczana z tuleją sprzęgła (grupa 2), jednak bez oleju.
Idealnie nadaje się do napędu pomp hydraulicznych w maszynach leśnych, budowlanych i wielu ciągnikach m. in C-330, C-360, C-385, ZETOR, MF i innych posiadających wyjście WOM.
Przekładnia montowana jest na wałek WOM 1,3/8" DIN9611 za pomocą zatrzasku, rozwiązanie to powoduje że można ją dość szybko zamontować lub zdemontować w przypadku gdy okaże się że jest nam potrzebny WOM do podłączenia wałka przekaźnika od innej maszyny.
Przekładnia idealnie nadaje się do napędu pomp hydraulicznych grupy 2 (20) z kołnierzem typu europejskiego.
Dane techniczne przekładni:
Stosunek Przełożenia: 1:3,8
Typ wału pompy: stożkowy 1:8
Pobór mocy maks. (kW) : 10
Liczba obrotów maks. (obr./min.):
Wejście: 540
Wyjście: 2052
Moment obrotowy (da Nm):
Wejście: 15,9
Wyjście: 4,2
Materiał:
korpus - aluminium
koła zębate - stal
Wymaga zalania olejem przekładniowym.
Zalecany olej: SAE 90
Posiada wizjer do sprawdzenia poziomu oleju przekładniowego.
Przy pierwszym użyciu, dla zwiększenia żywotności przekładni, zaleca się wymianę oleju po pierwszych 50 roboczogodzinach.
___
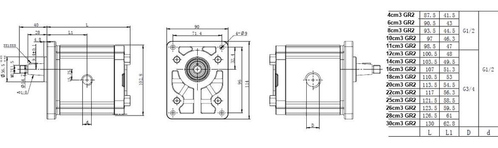
POMPA HYDRAULICZNA 26cm3/obr. GWINT 1/2" 3/4" OBROTY PRAWE
KOD SKRAW-MET:[1169]
Wydajność 26cm3/obr.
Może być wykorzystywana w rolnictwie, sadownictwie, leśnictwie czy budownictwie.
Dostosowana jest do pracy w: maszynach rolniczych, ciągnikach, opryskiwaczach, turach, cyklopach , ładowaczach HDS, maszynach budowlanych, ładowarkach, koparkach, zamiatarkach, maszynach przemysłowych i innych
Nasze elementy cechuje wysoka jakość materiału z jakiego zostały wykonane. Zalecamy zakup lepszych części, które wydłużą żywotność urządzenia oraz zmniejszą ryzyko uszkodzeń i niekontrolowanych postojów.
Specyfikacja Techniczna:
kierunek obrotów: prawy
prędkość znamionowa: 2000 obr/min
wydajność: 26cm3
Maksymalna prędkość obrotowa (ciągła): 2000 obr./min
Maksymalna prędkość obrotowa (chwilowa): 4000 obr./min
Kołnierz montażowy: europejski 114 x 90 mm
Czop wału napędowego: stożek 1:8, M12 x 1,5 - na jeden klin
Typ przyłączy (gwintowane):
1/2"
3/4"
Ciśnienia:
Ciśnienie maksymalne ciśnienie: 200Bar
Ciśnienie robocze: 180Bar
Cechy i zalety:
Pompy zębate wykonane ze stopu aluminium i korpusu z żeliwa i tylnych pokryw.
Wysoka sprawność objętościowa dzięki innowacyjnej konstrukcji i dokładnej kontroli tolerancji obróbki.
Kompensację osiową uzyskuje się za pomocą ruchomych tulei, które umożliwiają wysoką sprawność objętościową w całym zakresie ciśnienia.
Łożysko DU zapewnia wysokie ciśnienie.
Dwuczęściowa integralna jednoczęściowa przekładnia i wał.
Podwójne uszczelnienia wału.
Uszczelki nitrylowe w standardzie i uszczelki vitonowe w wysokich temperaturach.
Dostępne z kołnierzami, wałami i portami dla głównych norm europejskich, niemieckich i SAE.
Dostępne z kilkoma tylnymi pokrywami z wbudowanymi zaworami.
Niezwykle zwarta konstrukcja pompy wielokrotnego montażu 2,5PB / 2,5PB.
Montaż na wielostopniowej pompie dostępny również w połączeniu z typami 2PE i 1,5PB.
Wszystkie pompy są testowane po montażu i docieraniu, aby zapewnić wysoki standard.
KOD SKRAW-MET:[7010]
- MULTIPLIKATOR PRZEŁOŻENIE 1:3.8
- TYP 60004-6 Z GNIAZDEM PASUJĄCYM NA WAŁEK WOM OD CIĄGNIKA
- POMPA HYDRAULICZNA GRUPY 2 ZĘBATA 25cm3/obr 40L
- SPRZĘGŁO WIELOWPUSTOWE
___
MULTIPLIKATOR PRZEKŁADNIA Z PRZEŁOŻENIEM 1:3.8 gr 2
KOD SKRAW-MET: [0198]
TYP 60004-6 (mały)
Przekładnia wałka przekaźnika mocy z tuleją profilowaną 1 3/8" 6-częściową. Przekładnia dostarczana z tuleją sprzęgła (grupa 2), jednak bez oleju.
Idealnie nadaje się do napędu pomp hydraulicznych w maszynach leśnych, budowlanych i wielu ciągnikach m. in C-330, C-360, C-385, ZETOR, MF i innych posiadających wyjście WOM.
Przekładnia montowana jest na wałek WOM 1,3/8" DIN9611 za pomocą zatrzasku, rozwiązanie to powoduje że można ją dość szybko zamontować lub zdemontować w przypadku gdy okaże się że jest nam potrzebny WOM do podłączenia wałka przekaźnika od innej maszyny.
Przekładnia idealnie nadaje się do napędu pomp hydraulicznych grupy 2 (20) z kołnierzem typu europejskiego.
Dane techniczne przekładni:
Stosunek Przełożenia: 1:3,8
Typ wału pompy: stożkowy 1:8
Pobór mocy maks. (kW) : 10
Liczba obrotów maks. (obr./min.):
Wejście: 540
Wyjście: 2052
Moment obrotowy (da Nm):
Wejście: 15,9
Wyjście: 4,2
Materiał:
korpus - aluminium
koła zębate - stal
Wymaga zalania olejem przekładniowym.
Zalecany olej: SAE 90
Posiada wizjer do sprawdzenia poziomu oleju przekładniowego.
Przy pierwszym użyciu, dla zwiększenia żywotności przekładni, zaleca się wymianę oleju po pierwszych 50 roboczogodzinach.
___
POMPA HYDRAULICZNA 26cm3/obr. GWINT 1/2" 3/4" OBROTY PRAWE
KOD SKRAW-MET:[1169]
Wydajność 26cm3/obr.
Może być wykorzystywana w rolnictwie, sadownictwie, leśnictwie czy budownictwie.
Dostosowana jest do pracy w: maszynach rolniczych, ciągnikach, opryskiwaczach, turach, cyklopach , ładowaczach HDS, maszynach budowlanych, ładowarkach, koparkach, zamiatarkach, maszynach przemysłowych i innych
Nasze elementy cechuje wysoka jakość materiału z jakiego zostały wykonane. Zalecamy zakup lepszych części, które wydłużą żywotność urządzenia oraz zmniejszą ryzyko uszkodzeń i niekontrolowanych postojów.
Specyfikacja Techniczna:
kierunek obrotów: prawy
prędkość znamionowa: 2000 obr/min
wydajność: 26cm3
Maksymalna prędkość obrotowa (ciągła): 2000 obr./min
Maksymalna prędkość obrotowa (chwilowa): 4000 obr./min
Kołnierz montażowy: europejski 114 x 90 mm
Czop wału napędowego: stożek 1:8, M12 x 1,5 - na jeden klin
Typ przyłączy (gwintowane):
1/2"
3/4"
Ciśnienia:
Ciśnienie maksymalne ciśnienie: 200Bar
Ciśnienie robocze: 180Bar
Cechy i zalety:
Pompy zębate wykonane ze stopu aluminium i korpusu z żeliwa i tylnych pokryw.
Wysoka sprawność objętościowa dzięki innowacyjnej konstrukcji i dokładnej kontroli tolerancji obróbki.
Kompensację osiową uzyskuje się za pomocą ruchomych tulei, które umożliwiają wysoką sprawność objętościową w całym zakresie ciśnienia.
Łożysko DU zapewnia wysokie ciśnienie.
Dwuczęściowa integralna jednoczęściowa przekładnia i wał.
Podwójne uszczelnienia wału.
Uszczelki nitrylowe w standardzie i uszczelki vitonowe w wysokich temperaturach.
Dostępne z kołnierzami, wałami i portami dla głównych norm europejskich, niemieckich i SAE.
Dostępne z kilkoma tylnymi pokrywami z wbudowanymi zaworami.
Niezwykle zwarta konstrukcja pompy wielokrotnego montażu 2,5PB / 2,5PB.
Montaż na wielostopniowej pompie dostępny również w połączeniu z typami 2PE i 1,5PB.
Wszystkie pompy są testowane po montażu i docieraniu, aby zapewnić wysoki standard.
ID: 667924095
xxx xxx xxx
Dodane 10 października 2025
Przekładnia Multiplikator WOM 60004-6 Pompa GR2 25cm3 40L GWINT [7010]
693 zł
Lokalizacja