Firmowe
Stan: Nowe
Opis
Do zaoferowania nowe, oryginalne pompy, możliwe ryski, udzielamy 24 miesiecznej pisemnej gwarancji, wystawiamy FV 23% lub paragon, możliwa wysyłka DHL lub INPOST w 24h
UPS 40-60/4 F 250Pompa obiegowa z wirnikiem mokrym, układ hydrauliczny i silnik tworzą zwartą jednostkę bez uszczelnienia mechanicznego, z zaledwie dwoma uszczelnieniami. Łożyska są smarowane pompowaną cieczą. Zastosowano kilka różnych materiałów. Pompa obiegowa charakteryzuje się:
Silnik 3-biegowy.
Ceramiczne łożyska promieniowe.
Korek węglowy.
Tuleja i osłona wirnika, gniazdo łożyska ze stali nierdzewnej.
Tuleja stojana ze stopu aluminium.
Korpus cyrkulatora żeliwny.
Stojan ze zintegrowanymi ipsotermami.
Silnik 1-fazowy.
Pompa obiegowa jest wyposażona w standardowy moduł w skrzynce zaciskowej. Pompę obiegową można podłączyć bezpośrednio do sieci elektrycznej za pomocą zewnętrznego stycznika.
Polecenia:
Przekaźnik: bez przekaźnika
Płyn:
Pompowana ciecz: Woda
Zakres temperatur cieczy: -10 .. 120 °C
Wybrana temperatura cieczy: 60°C
Gęstość: 983,2 kg/m³
Techniczny:
Certyfikaty: AAA, EAC
Przybory:
Korpus pompy: Chrzcielnica
EN 1561 EN-GJL-250
35 B - 40 B
Koło: Stal nierdzewna.
EN 1.4301
AISI 304
Obiekt:
Zakres temperatur otoczenia: 0 .. 40 °C
Maksymalne ciśnienie robocze: 10 bar
Typ połączenia: HAŁAS
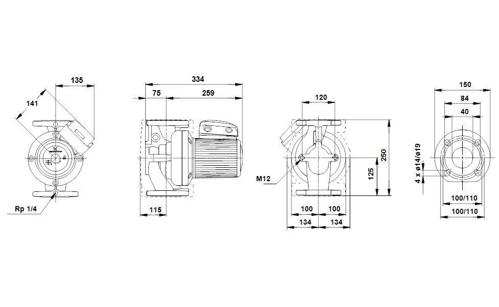
Rozmiar połączenia: DN 40
Ciśnienie nominalne dla podłączenia: PN 6/10
Odległość między środkami: 250 mm
Dane elektryczne:
Moc absorbowana przy prędkości 1: 195 W
Moc absorbowana przy prędkości 2: 260 W
Maksymalny pobór mocy: 340 W
Częstotliwość zasilania: 50 Hz
Napięcie nominalne: 1 x 230-240 V
Intensywność przy prędkości 1: 1,15 A
Intensywność w prędkości 2: 1,4 A
Intensywność witamin 3: 1,6 A
Cos phi przy prędkości 1: 0,74
Cos phi przy prędkości 2: 0,81
Cos phi: 0,92
Pojemność kondensatora - Eksploatacja: 10 µF/400 V
Klasa izolacji (IEC 85): H
Klasa ochrony (IEC 60529): X4D
Standardowa ochrona np.: KONTAKT
Ochrona termiczna: ZEW.
Inni:
Pozycja skrzynki zaciskowej: 1,30 godz.
Waga netto: 20,8 kg
Masa brutto: 23,5 kg
Objętość wysyłki: 0,029 m3
Nazwa produktuUPS 40-60/4 F 250Kod przedmiotu96401897Numer EAN5700390653972CenaTechnicznyPrędkość nie3Maksymalna wysokość.60 dmCertyfikatyAAA, EACPrzyboryKorpus pompyChrzcielnicaEN 1561 EN-GJL-25035 B - 40 BKołoStal nierdzewna.EN 1.4301AISI 304ObiektZakres temperatur otoczenia0 .. 40 °CMaksymalne ciśnienie robocze10 barTyp połączeniaHAŁASRozmiar połączeniaDN 40Ciśnienie nominalne dla podłączeniaPN 6/10Odległość od środka250 mmPłynPompowana cieczWodaZakres temperatur cieczy-10 .. 120 °CWybrana temperatura cieczy60°CGęstość983,2 kg/m³Dane elektryczneMoc absorbowana przy prędkości 1195 WMoc absorbowana przy prędkości 2260 WMaksymalna moc pochłaniana340 WCzęstotliwość zasilania50 HzNapięcie nominalne1 x 230-240 VIntensywność przy prędkości 11,15 AIntensywność w prędkości 21,4 AIntensywność Wit. 31,6 ACos phi przy prędkości 10,74Cos phi w prędkości 20,81Kosmos phi0,92Pojemność kondensatora - Eksploatacja10 µF/400 VKlasa izolacji (IEC 85)HKlasa ochrony (IEC 60529)X4DStandardowa ochrona przeciwwybuchowaKONTAKTOchrona termicznaZEW.ŚwięceniaPrzekaźnikbez przekaźnikaInniPozycja skrzynki zaciskowej1,30 godz.Waga netto20,8 kgMasa całkowita23,5 kgObjętość wysyłki0,029 m3
UPS 40-60/4 F 250Pompa obiegowa z wirnikiem mokrym, układ hydrauliczny i silnik tworzą zwartą jednostkę bez uszczelnienia mechanicznego, z zaledwie dwoma uszczelnieniami. Łożyska są smarowane pompowaną cieczą. Zastosowano kilka różnych materiałów. Pompa obiegowa charakteryzuje się:
Silnik 3-biegowy.
Ceramiczne łożyska promieniowe.
Korek węglowy.
Tuleja i osłona wirnika, gniazdo łożyska ze stali nierdzewnej.
Tuleja stojana ze stopu aluminium.
Korpus cyrkulatora żeliwny.
Stojan ze zintegrowanymi ipsotermami.
Silnik 1-fazowy.
Pompa obiegowa jest wyposażona w standardowy moduł w skrzynce zaciskowej. Pompę obiegową można podłączyć bezpośrednio do sieci elektrycznej za pomocą zewnętrznego stycznika.
Polecenia:
Przekaźnik: bez przekaźnika
Płyn:
Pompowana ciecz: Woda
Zakres temperatur cieczy: -10 .. 120 °C
Wybrana temperatura cieczy: 60°C
Gęstość: 983,2 kg/m³
Techniczny:
Certyfikaty: AAA, EAC
Przybory:
Korpus pompy: Chrzcielnica
EN 1561 EN-GJL-250
35 B - 40 B
Koło: Stal nierdzewna.
EN 1.4301
AISI 304
Obiekt:
Zakres temperatur otoczenia: 0 .. 40 °C
Maksymalne ciśnienie robocze: 10 bar
Typ połączenia: HAŁAS
Rozmiar połączenia: DN 40
Ciśnienie nominalne dla podłączenia: PN 6/10
Odległość między środkami: 250 mm
Dane elektryczne:
Moc absorbowana przy prędkości 1: 195 W
Moc absorbowana przy prędkości 2: 260 W
Maksymalny pobór mocy: 340 W
Częstotliwość zasilania: 50 Hz
Napięcie nominalne: 1 x 230-240 V
Intensywność przy prędkości 1: 1,15 A
Intensywność w prędkości 2: 1,4 A
Intensywność witamin 3: 1,6 A
Cos phi przy prędkości 1: 0,74
Cos phi przy prędkości 2: 0,81
Cos phi: 0,92
Pojemność kondensatora - Eksploatacja: 10 µF/400 V
Klasa izolacji (IEC 85): H
Klasa ochrony (IEC 60529): X4D
Standardowa ochrona np.: KONTAKT
Ochrona termiczna: ZEW.
Inni:
Pozycja skrzynki zaciskowej: 1,30 godz.
Waga netto: 20,8 kg
Masa brutto: 23,5 kg
Objętość wysyłki: 0,029 m3
Nazwa produktuUPS 40-60/4 F 250Kod przedmiotu96401897Numer EAN5700390653972CenaTechnicznyPrędkość nie3Maksymalna wysokość.60 dmCertyfikatyAAA, EACPrzyboryKorpus pompyChrzcielnicaEN 1561 EN-GJL-25035 B - 40 BKołoStal nierdzewna.EN 1.4301AISI 304ObiektZakres temperatur otoczenia0 .. 40 °CMaksymalne ciśnienie robocze10 barTyp połączeniaHAŁASRozmiar połączeniaDN 40Ciśnienie nominalne dla podłączeniaPN 6/10Odległość od środka250 mmPłynPompowana cieczWodaZakres temperatur cieczy-10 .. 120 °CWybrana temperatura cieczy60°CGęstość983,2 kg/m³Dane elektryczneMoc absorbowana przy prędkości 1195 WMoc absorbowana przy prędkości 2260 WMaksymalna moc pochłaniana340 WCzęstotliwość zasilania50 HzNapięcie nominalne1 x 230-240 VIntensywność przy prędkości 11,15 AIntensywność w prędkości 21,4 AIntensywność Wit. 31,6 ACos phi przy prędkości 10,74Cos phi w prędkości 20,81Kosmos phi0,92Pojemność kondensatora - Eksploatacja10 µF/400 VKlasa izolacji (IEC 85)HKlasa ochrony (IEC 60529)X4DStandardowa ochrona przeciwwybuchowaKONTAKTOchrona termicznaZEW.ŚwięceniaPrzekaźnikbez przekaźnikaInniPozycja skrzynki zaciskowej1,30 godz.Waga netto20,8 kgMasa całkowita23,5 kgObjętość wysyłki0,029 m3
ID: 1041574672
xxx xxx xxx
Dodane Dzisiaj o 08:54
pompa obiegowa grundfos ups 40-60/4f 230v nowa
Tylko przedmiot
3 600 zł
Przedmiot z Pakietem Ochronnym
Lokalizacja
Zwroty
Pakiet OchronnyZakup od przedsiębiorcy
Zwróć przedmiot, jeśli jest uszkodzony lub niezgodny z opisem. Zgłoś problem do 24 h od otrzymania przedmiotu. Szczegóły
Zwróć przedmiot do 14 dni od jego otrzymania przy zakupie od przedsiębiorcy. Skontaktuj się bezpośrednio ze sprzedającym, żeby zorganizować zwrot przedmiotu. Szczegóły