Firmowe
Stan: Używane
Opis
pompa grundfos upe magna 32-120 f b
Stan i serwis produktu
- Pompa używana, w pełni sprawna
- Po pełnym serwisie w naszej firmie
- Nie była malowana ani przezwojona – oryginał ma dla nas większą wartość
- Montujemy wyłącznie oryginalne części – bez chińskich zamienników
- Każda pompa przechodzi testy uzwojeń, szczelności, wirnika i łożysk
Co otrzymujesz w zestawie
- Pompa Grundfos – używana, po serwisie
- Instrukcja obsługi – w wersji papierowej
- Dokument sprzedaży – paragon lub faktura VAT
- 12 miesięcy gwarancji sprzedawcy – w formie pisemnej
- Bezpieczne i solidne opakowanie
Informacja o zdjęciach
Na aukcji sprzedajemy więcej niż jedną pompę tego modelu. Zdjęcia przedstawiają przykładowe egzemplarze. Wszystkie pompy są w takim samym stanie technicznym – mogą się różnić jedynie drobnymi szczegółami wizualnymi (np. rysy, etykiety, ślady użytkowania).
Dlaczego warto kupić u nas?
- Specjalizacja – tylko pompy i hydraulika
- Własny serwis – każda sztuka testowana przez nas
- Rzetelne opisy, realne zdjęcia, uczciwe podejście
- Wsparcie techniczne przed i po zakupie
- 14 dni na zwrot – zgodnie z prawem konsumenckim
Hydroit_pl – Twój sprawdzony partner w zakresie pomp obiegowych
pompa używana w idealnym stanie, udzielamy 12 miesięcy pisemnej gwarancji
MAGNA 32-120 F BBezdławnicowa pompa obiegowa z mokrym wirnikiem
silnika, uszczelniona tylko dwoma uszczelkami
spoczynkowymi. pompa i silnik stanowią optymalnie
dopasowaną jednostkę.
Łożyska pompy są smarowane tłoczoną cieczą.
Pompy są łatwe w demontażu i separacji materiałów
do ich utylizacji.
Opis pompy:
* Silnik z magnesami trwałymi
* Zintegrowany regulator w skrzynce zaciskowej
* Ceramiczne łożysko oporowe.
* Węglowe łożysko osiowe.
* Koszulka wirnika i tarcza łożyskowa ze stali
nierdzewnej
* Obudowa statora ze stopu aluminium.
* Stator z wbudowanym łącznikiem termicznym.
* Zabezpieczenie przed przeciążeniem
Silnik 1-fazowy.
Silnik nie wymaga żadnego zewnętrznego
zabezpieczenia.
Pompy MAGNA -część serii 2000-poprzez automatyczną
kontrolę różnicy ciśnień dopasowują swoje
parametry do aktualnych wymagań instalacji
cieplnej.
Możliwe są cztery rodzaje regulacji:
* Regulacja Auto (regulacja automatyczna od
"jednej różnicy ciśnień do następnej)zapewnia
optymalny komfort i redukcję żyżucia energii
do minimum.
* Ciśnienie proporcjonalne.
* Ciśnienie stałe.
* Charakterystyka stała (tylko poprzez komunikację
zewnętrzną)
Pompa może komunikować się przez
- zintegrowany moduł LONWorks (opcja)
- zintegrowany moduł GENIbus (opcja)
- pilota R 100 (zamawiać oddzielnie)
- wejście sygnalizacji zakłóceń
- wejście zał/wył
Ciecz:Czynnik tloczony: Woda
Zakres temperatury cieczy: 2 .. 95 °C
Temperatura cieczy: 60 °C
Gęstość: 983.2 kg/m3
Lepkość kinematyczna: 1 mm2/s
Techniczne:Klasa TF: 110
Dopuszczenia na tabliczce znamionowej: CE,TSE,PCT
Materiały:
Korpus pompy: DIN W.-Nr. 1.4301
Korpus pompy: AISI 304
Wirnik: brąz
Wirnik: DIN W.-Nr. 1.4301
Wirnik: AISI 304
Instalacja:Zakres temperatury otoczenia: 0 .. 40 °C
Maksymalne ciśnienie pracy: 10 bar
Kołnierz standardowy: DIN
Przyłącze rurowe: DN 32
Ciśnienie: PN 6 / PN 10
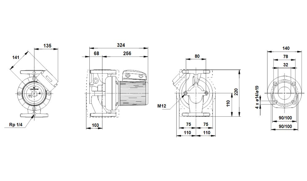
Długość montażowa: 220 mm
Dane elektryczne:Moc wejściowa-P1: 22-345 W
Częstotliwość podstawowa: 50 Hz
Napięcie nominalne: 1 x 230-240 V
X4D
Klasa izolacji (IEC 85): H
Specyfikacja
Nazwa wyrobuMAGNA UPE 32-120 F B
Nr katalogowy96441223
Numer EAN5700394029704
Techniczne
H max120 dm
Klasa TF110
Dopuszczenia na tabliczce znamionowejTSE,GOST2
ModelD
Materiały
Korpus pompyBrąz
Korpus pompyDIN W.-Nr. 2.1176.01
WirnikStal nierdzewna
WirnikDIN W.-Nr. 1.4301
WirnikAISI 304
Instalacja
Zakres temperatury otoczenia0 .. 40 °C
Maksymalne ciśnienie pracy10 bar
Kołnierz standardowyDIN
Przyłącze ruroweDN 32
CiśnieniePN 6 / PN 10
Długość montażowa220 mm
Ciecz
Czynnik tloczonyWoda
Zakres temperatury cieczy15 .. 95 °C
Temperatura cieczy podczas pracy60 °C
Gęstość983.2 kg/m³
Dane elektryczne
Moc wejściowa-P122 .. 345 W
Częstotliwość podstawowa50 Hz
Napięcie nominalne1 x 230-240 V
Max. zużycie prądu0.15 .. 1.55 A
Rodzaj ochrony (IEC 34-5)X4D
Klasa izolacji (IEC 85)H
Układy sterowania
Położenie skrzynki zaciskowej15
- długość montażowa (mm): 220
- przepływ maksymalny Q m3/h: 14
- słup podnoszenia H max m: 12
- napiecie: 1~230V
- wielkość przyłącza: DN 32
- Stan: Używany po pełnym serwisie
Stan i serwis produktu
- Pompa używana, w pełni sprawna
- Po pełnym serwisie w naszej firmie
- Nie była malowana ani przezwojona – oryginał ma dla nas większą wartość
- Montujemy wyłącznie oryginalne części – bez chińskich zamienników
- Każda pompa przechodzi testy uzwojeń, szczelności, wirnika i łożysk
Co otrzymujesz w zestawie
- Pompa Grundfos – używana, po serwisie
- Instrukcja obsługi – w wersji papierowej
- Dokument sprzedaży – paragon lub faktura VAT
- 12 miesięcy gwarancji sprzedawcy – w formie pisemnej
- Bezpieczne i solidne opakowanie
Informacja o zdjęciach
Na aukcji sprzedajemy więcej niż jedną pompę tego modelu. Zdjęcia przedstawiają przykładowe egzemplarze. Wszystkie pompy są w takim samym stanie technicznym – mogą się różnić jedynie drobnymi szczegółami wizualnymi (np. rysy, etykiety, ślady użytkowania).
Dlaczego warto kupić u nas?
- Specjalizacja – tylko pompy i hydraulika
- Własny serwis – każda sztuka testowana przez nas
- Rzetelne opisy, realne zdjęcia, uczciwe podejście
- Wsparcie techniczne przed i po zakupie
- 14 dni na zwrot – zgodnie z prawem konsumenckim
Hydroit_pl – Twój sprawdzony partner w zakresie pomp obiegowych
pompa używana w idealnym stanie, udzielamy 12 miesięcy pisemnej gwarancji
MAGNA 32-120 F BBezdławnicowa pompa obiegowa z mokrym wirnikiem
silnika, uszczelniona tylko dwoma uszczelkami
spoczynkowymi. pompa i silnik stanowią optymalnie
dopasowaną jednostkę.
Łożyska pompy są smarowane tłoczoną cieczą.
Pompy są łatwe w demontażu i separacji materiałów
do ich utylizacji.
Opis pompy:
* Silnik z magnesami trwałymi
* Zintegrowany regulator w skrzynce zaciskowej
* Ceramiczne łożysko oporowe.
* Węglowe łożysko osiowe.
* Koszulka wirnika i tarcza łożyskowa ze stali
nierdzewnej
* Obudowa statora ze stopu aluminium.
* Stator z wbudowanym łącznikiem termicznym.
* Zabezpieczenie przed przeciążeniem
Silnik 1-fazowy.
Silnik nie wymaga żadnego zewnętrznego
zabezpieczenia.
Pompy MAGNA -część serii 2000-poprzez automatyczną
kontrolę różnicy ciśnień dopasowują swoje
parametry do aktualnych wymagań instalacji
cieplnej.
Możliwe są cztery rodzaje regulacji:
* Regulacja Auto (regulacja automatyczna od
"jednej różnicy ciśnień do następnej)zapewnia
optymalny komfort i redukcję żyżucia energii
do minimum.
* Ciśnienie proporcjonalne.
* Ciśnienie stałe.
* Charakterystyka stała (tylko poprzez komunikację
zewnętrzną)
Pompa może komunikować się przez
- zintegrowany moduł LONWorks (opcja)
- zintegrowany moduł GENIbus (opcja)
- pilota R 100 (zamawiać oddzielnie)
- wejście sygnalizacji zakłóceń
- wejście zał/wył
Ciecz:Czynnik tloczony: Woda
Zakres temperatury cieczy: 2 .. 95 °C
Temperatura cieczy: 60 °C
Gęstość: 983.2 kg/m3
Lepkość kinematyczna: 1 mm2/s
Techniczne:Klasa TF: 110
Dopuszczenia na tabliczce znamionowej: CE,TSE,PCT
Materiały:
Korpus pompy: DIN W.-Nr. 1.4301
Korpus pompy: AISI 304
Wirnik: brąz
Wirnik: DIN W.-Nr. 1.4301
Wirnik: AISI 304
Instalacja:Zakres temperatury otoczenia: 0 .. 40 °C
Maksymalne ciśnienie pracy: 10 bar
Kołnierz standardowy: DIN
Przyłącze rurowe: DN 32
Ciśnienie: PN 6 / PN 10
Długość montażowa: 220 mm
Dane elektryczne:Moc wejściowa-P1: 22-345 W
Częstotliwość podstawowa: 50 Hz
Napięcie nominalne: 1 x 230-240 V
X4D
Klasa izolacji (IEC 85): H
Specyfikacja
Nazwa wyrobuMAGNA UPE 32-120 F B
Nr katalogowy96441223
Numer EAN5700394029704
Techniczne
H max120 dm
Klasa TF110
Dopuszczenia na tabliczce znamionowejTSE,GOST2
ModelD
Materiały
Korpus pompyBrąz
Korpus pompyDIN W.-Nr. 2.1176.01
WirnikStal nierdzewna
WirnikDIN W.-Nr. 1.4301
WirnikAISI 304
Instalacja
Zakres temperatury otoczenia0 .. 40 °C
Maksymalne ciśnienie pracy10 bar
Kołnierz standardowyDIN
Przyłącze ruroweDN 32
CiśnieniePN 6 / PN 10
Długość montażowa220 mm
Ciecz
Czynnik tloczonyWoda
Zakres temperatury cieczy15 .. 95 °C
Temperatura cieczy podczas pracy60 °C
Gęstość983.2 kg/m³
Dane elektryczne
Moc wejściowa-P122 .. 345 W
Częstotliwość podstawowa50 Hz
Napięcie nominalne1 x 230-240 V
Max. zużycie prądu0.15 .. 1.55 A
Rodzaj ochrony (IEC 34-5)X4D
Klasa izolacji (IEC 85)H
Układy sterowania
Położenie skrzynki zaciskowej15
- długość montażowa (mm): 220
- przepływ maksymalny Q m3/h: 14
- słup podnoszenia H max m: 12
- napiecie: 1~230V
- wielkość przyłącza: DN 32
- Stan: Używany po pełnym serwisie
ID: 1050463997
xxx xxx xxx
Dodane 25 stycznia 2026
pompa grundfos upe magna 32-120 f b
Tylko przedmiot
3 000 zł
Przedmiot z Pakietem Ochronnym
Lokalizacja
Zwroty
Pakiet OchronnyZakup od przedsiębiorcy
Zwróć przedmiot, jeśli jest uszkodzony lub niezgodny z opisem. Zgłoś problem do 24 h od otrzymania przedmiotu. Szczegóły
Zwróć przedmiot do 14 dni od jego otrzymania przy zakupie od przedsiębiorcy. Skontaktuj się bezpośrednio ze sprzedającym, żeby zorganizować zwrot przedmiotu. Szczegóły