Firmowe
Opis
Pompa Grundfos UPE 50-120 F używana z gwarancją
Stan i serwis produktu
- Pompa używana, w pełni sprawna
- Po pełnym serwisie w naszej firmie
- Nie była malowana ani przezwojona – oryginał ma dla nas większą wartość
- Montujemy wyłącznie oryginalne części – bez chińskich zamienników
- Każda pompa przechodzi testy uzwojeń, szczelności, wirnika i łożysk
Co otrzymujesz w zestawie
- Pompa Grundfos – używana, po serwisie
- Instrukcja obsługi – w wersji papierowej
- Dokument sprzedaży – paragon lub faktura VAT
- 12 miesięcy gwarancji sprzedawcy – w formie pisemnej
- Bezpieczne i solidne opakowanie
Informacja o zdjęciach
Na aukcji sprzedajemy więcej niż jedną pompę tego modelu. Zdjęcia przedstawiają przykładowe egzemplarze. Wszystkie pompy są w takim samym stanie technicznym – mogą się różnić jedynie drobnymi szczegółami wizualnymi (np. rysy, etykiety, ślady użytkowania).
Dlaczego warto kupić u nas?
- Specjalizacja – tylko pompy i hydraulika
- Własny serwis – każda sztuka testowana przez nas
- Rzetelne opisy, realne zdjęcia, uczciwe podejście
- Wsparcie techniczne przed i po zakupie
- 14 dni na zwrot – zgodnie z prawem konsumenckim
Hydroit_pl – Twój sprawdzony partner w zakresie pomp obiegowych
przyłącze:DN50
PN6/10
3~400V
używana w idealnym stanie,po gruntownym przeglądzie i sprawdzeniu pilotem serwisowym R100, 12miesięcy pisemnej gwarancji
Bezdławnicowa pompa obiegowa z mokrym wirnikiem
silnika, uszczelniona tylko dwoma uszczelkami spoczynkowymi. pompa i silnik stanowią optymalnie dopasowaną jednostkę. Łożyska pompy są smarowane tłoczoną cieczą. Pompy są łatwe w demontażu i separacji materiałów do ich utylizacji.
Opis pompy:
- Zintegrowany regulator w skrzynce zaciskowej
- Ceramiczne łożysko oporowe.
- Węglowe łożysko osiowe.
- Koszulka wirnika i tarcza łożyskowa ze stali nierdzewnej
- Obudowa statora ze stopu aluminium.
- Żeliwo szare korpus pompy.
- Stator z wbudowanym łącznikiem termicznym.
Silnik 3-fazowy. Silnik nie wymaga żadnego zewnętrznego zabezpieczenia.
Pompy UPE 2000 poprzez automatyczną kontrolę różnicy ciśnień dopasowują swoje parametry do aktualnych wymagań instalacji cieplnej. Możliwe są dwa rodzaje regulacji:
- Ciśnienie proporcjonalne.
- Ciśnienie stałe.
Ciecz:
Czynnik tloczony: Woda
Zakres temperatury cieczy: 15 .. 95 °C
Temperatura cieczy: 60 °C
Gęstość: 983.2 kg/m3
Techniczne:
Klasa TF: 110
Dopuszczenia na tabliczce znamionowej: CE,B
Materiały:
Korpus pompy: Żeliwo szare
EN-JL1040
ASTM 35 B - 40 B
Wirnik: Stal nierdzewna
DIN W.-Nr. 1.4301
AISI 304
Instalacja:
Zakres temperatury otoczenia: 0 .. 40 °C
Maksymalne ciśnienie pracy: 10 bar
Kołnierz standardowy: DIN
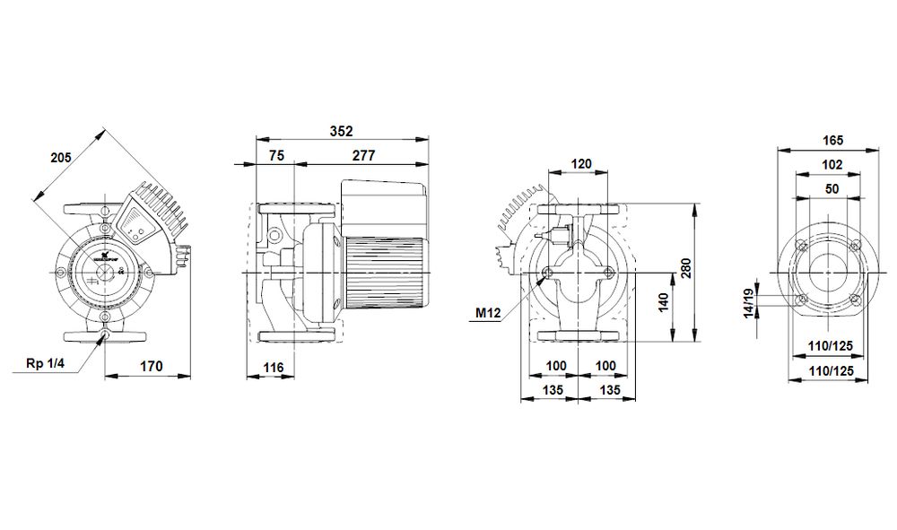
Przyłącze rurowe: DN 50
Ciśnienie: PN 6 / PN 10
Długość montażowa: 280 mm
Dane elektryczne:
Moc wejściowa-P1: 65 .. 790 W
Częstotliwość podstawowa: 50 Hz
Napięcie nominalne: 3 x 400-415 V
Max. zużycie prądu: 0.2 .. 1.45 A
Rodzaj ochrony (IEC 34-5): IP42
Klasa izolacji (IEC 85): H
Inne:
Masa netto: 29.1 kg
Masa: 30.7 kg
Objętość wysyłkowa: 0.043 m3
- długość montażowa (mm): 280
- przepływ maksymalny Q m3/h: 30
- słup podnoszenia H max m: 12
- napiecie: 3~400V
- wielkość przyłącza: DN 50
Stan i serwis produktu
- Pompa używana, w pełni sprawna
- Po pełnym serwisie w naszej firmie
- Nie była malowana ani przezwojona – oryginał ma dla nas większą wartość
- Montujemy wyłącznie oryginalne części – bez chińskich zamienników
- Każda pompa przechodzi testy uzwojeń, szczelności, wirnika i łożysk
Co otrzymujesz w zestawie
- Pompa Grundfos – używana, po serwisie
- Instrukcja obsługi – w wersji papierowej
- Dokument sprzedaży – paragon lub faktura VAT
- 12 miesięcy gwarancji sprzedawcy – w formie pisemnej
- Bezpieczne i solidne opakowanie
Informacja o zdjęciach
Na aukcji sprzedajemy więcej niż jedną pompę tego modelu. Zdjęcia przedstawiają przykładowe egzemplarze. Wszystkie pompy są w takim samym stanie technicznym – mogą się różnić jedynie drobnymi szczegółami wizualnymi (np. rysy, etykiety, ślady użytkowania).
Dlaczego warto kupić u nas?
- Specjalizacja – tylko pompy i hydraulika
- Własny serwis – każda sztuka testowana przez nas
- Rzetelne opisy, realne zdjęcia, uczciwe podejście
- Wsparcie techniczne przed i po zakupie
- 14 dni na zwrot – zgodnie z prawem konsumenckim
Hydroit_pl – Twój sprawdzony partner w zakresie pomp obiegowych
przyłącze:DN50
PN6/10
3~400V
używana w idealnym stanie,po gruntownym przeglądzie i sprawdzeniu pilotem serwisowym R100, 12miesięcy pisemnej gwarancji
Bezdławnicowa pompa obiegowa z mokrym wirnikiem
silnika, uszczelniona tylko dwoma uszczelkami spoczynkowymi. pompa i silnik stanowią optymalnie dopasowaną jednostkę. Łożyska pompy są smarowane tłoczoną cieczą. Pompy są łatwe w demontażu i separacji materiałów do ich utylizacji.
Opis pompy:
- Zintegrowany regulator w skrzynce zaciskowej
- Ceramiczne łożysko oporowe.
- Węglowe łożysko osiowe.
- Koszulka wirnika i tarcza łożyskowa ze stali nierdzewnej
- Obudowa statora ze stopu aluminium.
- Żeliwo szare korpus pompy.
- Stator z wbudowanym łącznikiem termicznym.
Silnik 3-fazowy. Silnik nie wymaga żadnego zewnętrznego zabezpieczenia.
Pompy UPE 2000 poprzez automatyczną kontrolę różnicy ciśnień dopasowują swoje parametry do aktualnych wymagań instalacji cieplnej. Możliwe są dwa rodzaje regulacji:
- Ciśnienie proporcjonalne.
- Ciśnienie stałe.
Ciecz:
Czynnik tloczony: Woda
Zakres temperatury cieczy: 15 .. 95 °C
Temperatura cieczy: 60 °C
Gęstość: 983.2 kg/m3
Techniczne:
Klasa TF: 110
Dopuszczenia na tabliczce znamionowej: CE,B
Materiały:
Korpus pompy: Żeliwo szare
EN-JL1040
ASTM 35 B - 40 B
Wirnik: Stal nierdzewna
DIN W.-Nr. 1.4301
AISI 304
Instalacja:
Zakres temperatury otoczenia: 0 .. 40 °C
Maksymalne ciśnienie pracy: 10 bar
Kołnierz standardowy: DIN
Przyłącze rurowe: DN 50
Ciśnienie: PN 6 / PN 10
Długość montażowa: 280 mm
Dane elektryczne:
Moc wejściowa-P1: 65 .. 790 W
Częstotliwość podstawowa: 50 Hz
Napięcie nominalne: 3 x 400-415 V
Max. zużycie prądu: 0.2 .. 1.45 A
Rodzaj ochrony (IEC 34-5): IP42
Klasa izolacji (IEC 85): H
Inne:
Masa netto: 29.1 kg
Masa: 30.7 kg
Objętość wysyłkowa: 0.043 m3
- długość montażowa (mm): 280
- przepływ maksymalny Q m3/h: 30
- słup podnoszenia H max m: 12
- napiecie: 3~400V
- wielkość przyłącza: DN 50
ID: 1021020077
xxx xxx xxx
Dodane 28 października 2025
Pompa Grundfos UPE 50-120 F używana z gwarancją
4 000 zł
Lokalizacja