Firmowe
Stan: Używane
Opis
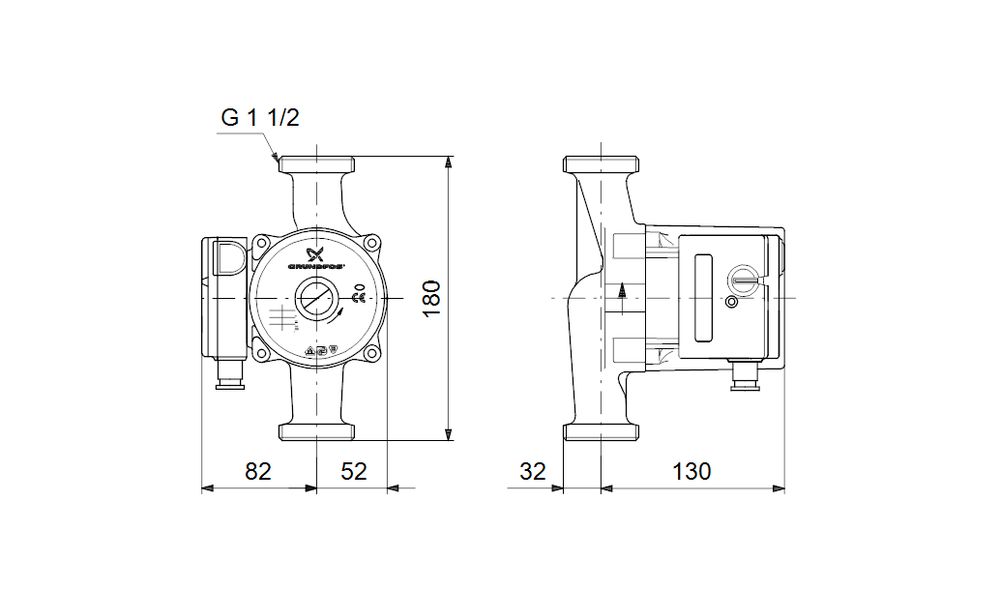
Pompa Grundfos UP 25-80 180 wersja 3~400V
Stan i serwis produktu
- Pompa używana, w pełni sprawna
- Po pełnym serwisie w naszej firmie
- Nie była malowana ani przezwojona – oryginał ma dla nas większą wartość
- Montujemy wyłącznie oryginalne części – bez chińskich zamienników
- Każda pompa przechodzi testy uzwojeń, szczelności, wirnika i łożysk
Co otrzymujesz w zestawie
- Pompa Grundfos – używana, po serwisie
- Instrukcja obsługi – w wersji papierowej
- Dokument sprzedaży – paragon lub faktura VAT
- 12 miesięcy gwarancji sprzedawcy – w formie pisemnej
- Bezpieczne i solidne opakowanie
Informacja o zdjęciach
Na aukcji sprzedajemy więcej niż jedną pompę tego modelu. Zdjęcia przedstawiają przykładowe egzemplarze. Wszystkie pompy są w takim samym stanie technicznym – mogą się różnić jedynie drobnymi szczegółami wizualnymi (np. rysy, etykiety, ślady użytkowania).
Dlaczego warto kupić u nas?
- Specjalizacja – tylko pompy i hydraulika
- Własny serwis – każda sztuka testowana przez nas
- Rzetelne opisy, realne zdjęcia, uczciwe podejście
- Wsparcie techniczne przed i po zakupie
- 14 dni na zwrot – zgodnie z prawem konsumenckim
Hydroit_pl – Twój sprawdzony partner w zakresie pomp obiegowych
POMPA UŻYWANA Z 12 MIESIĘCZNĄ GWARANCJĄ GRUNDFOS UP 25-80 180 3~400V
Bezdławnicowa pompa obiegowa z mokrym wirnikiem silnika jest uszczelniona tylko dwoma uszczelkami spoczynkowymi. Pompa i silnik stanowią optymalnie dopasowaną jednostkę. Łożyska pompy są smarowane tłoczoną cieczą. obrotów.
Opis pompy wg danych producenta składa się:
- Wał i łożysko oporowe - ceramiczne
- Łożysko osiowe - węglowe
- Rotor oraz tarcza łożyskowa wykonana ze stali nierdzewnej
- Wirnik - Kompozytowy, PES/PP
- Korpus pompy z żeliwa szarego
- Silnik 3-fazowy
Dane techniczne wg tabeli na pompie:
- Moc:
1 bieg - 270W
- Napięcie:
3~400V
- Wysokość podnoszenia Hmax:
8 m
- Średnica przyłączy:
6/4 '' , 1 '' - Króćce: gwintowane z gwintem zewnętrznym
- Długość montażowa:
180 mm
- Waga:
4,8 kg
Dane dodatkowe:
Maksymalne ciśnienie pracy: 10 bar
Ciśnienie: PN 10
Zakres temperatury cieczy: -25 - 110 °C
Częstotliwość podstawowa: 50 Hz
- długość montażowa (mm): 180
- przepływ maksymalny Q m3/h: 12
- słup podnoszenia H max m: 8
- napiecie: 3~400V
- wielkość przyłącza: 6/4 cala
Stan i serwis produktu
- Pompa używana, w pełni sprawna
- Po pełnym serwisie w naszej firmie
- Nie była malowana ani przezwojona – oryginał ma dla nas większą wartość
- Montujemy wyłącznie oryginalne części – bez chińskich zamienników
- Każda pompa przechodzi testy uzwojeń, szczelności, wirnika i łożysk
Co otrzymujesz w zestawie
- Pompa Grundfos – używana, po serwisie
- Instrukcja obsługi – w wersji papierowej
- Dokument sprzedaży – paragon lub faktura VAT
- 12 miesięcy gwarancji sprzedawcy – w formie pisemnej
- Bezpieczne i solidne opakowanie
Informacja o zdjęciach
Na aukcji sprzedajemy więcej niż jedną pompę tego modelu. Zdjęcia przedstawiają przykładowe egzemplarze. Wszystkie pompy są w takim samym stanie technicznym – mogą się różnić jedynie drobnymi szczegółami wizualnymi (np. rysy, etykiety, ślady użytkowania).
Dlaczego warto kupić u nas?
- Specjalizacja – tylko pompy i hydraulika
- Własny serwis – każda sztuka testowana przez nas
- Rzetelne opisy, realne zdjęcia, uczciwe podejście
- Wsparcie techniczne przed i po zakupie
- 14 dni na zwrot – zgodnie z prawem konsumenckim
Hydroit_pl – Twój sprawdzony partner w zakresie pomp obiegowych
POMPA UŻYWANA Z 12 MIESIĘCZNĄ GWARANCJĄ GRUNDFOS UP 25-80 180 3~400V
Bezdławnicowa pompa obiegowa z mokrym wirnikiem silnika jest uszczelniona tylko dwoma uszczelkami spoczynkowymi. Pompa i silnik stanowią optymalnie dopasowaną jednostkę. Łożyska pompy są smarowane tłoczoną cieczą. obrotów.
Opis pompy wg danych producenta składa się:
- Wał i łożysko oporowe - ceramiczne
- Łożysko osiowe - węglowe
- Rotor oraz tarcza łożyskowa wykonana ze stali nierdzewnej
- Wirnik - Kompozytowy, PES/PP
- Korpus pompy z żeliwa szarego
- Silnik 3-fazowy
Dane techniczne wg tabeli na pompie:
- Moc:
1 bieg - 270W
- Napięcie:
3~400V
- Wysokość podnoszenia Hmax:
8 m
- Średnica przyłączy:
6/4 '' , 1 '' - Króćce: gwintowane z gwintem zewnętrznym
- Długość montażowa:
180 mm
- Waga:
4,8 kg
Dane dodatkowe:
Maksymalne ciśnienie pracy: 10 bar
Ciśnienie: PN 10
Zakres temperatury cieczy: -25 - 110 °C
Częstotliwość podstawowa: 50 Hz
- długość montażowa (mm): 180
- przepływ maksymalny Q m3/h: 12
- słup podnoszenia H max m: 8
- napiecie: 3~400V
- wielkość przyłącza: 6/4 cala
ID: 1041715681
xxx xxx xxx
Dodane 30 grudnia 2025
pompa grundfos up 25-80 rozstaw 180 wersja 3~400v
Tylko przedmiot
1 000 zł
Przedmiot z Pakietem Ochronnym
Lokalizacja
Zwroty
Pakiet OchronnyZakup od przedsiębiorcy
Zwróć przedmiot, jeśli jest uszkodzony lub niezgodny z opisem. Zgłoś problem do 24 h od otrzymania przedmiotu. Szczegóły
Zwróć przedmiot do 14 dni od jego otrzymania przy zakupie od przedsiębiorcy. Skontaktuj się bezpośrednio ze sprzedającym, żeby zorganizować zwrot przedmiotu. Szczegóły