Firmowe
Opis
Pompa Grundfos Magna 40-100 F 220 używana z gwarancją
Stan i serwis produktu
- Pompa używana, w pełni sprawna
- Po pełnym serwisie w naszej firmie
- Nie była malowana ani przezwojona – oryginał ma dla nas większą wartość
- Montujemy wyłącznie oryginalne części – bez chińskich zamienników
- Każda pompa przechodzi testy uzwojeń, szczelności, wirnika i łożysk
Co otrzymujesz w zestawie
- Pompa Grundfos – używana, po serwisie
- Instrukcja obsługi – w wersji papierowej
- Dokument sprzedaży – paragon lub faktura VAT
- 12 miesięcy gwarancji sprzedawcy – w formie pisemnej
- Bezpieczne i solidne opakowanie
Informacja o zdjęciach
Na aukcji sprzedajemy więcej niż jedną pompę tego modelu. Zdjęcia przedstawiają przykładowe egzemplarze. Wszystkie pompy są w takim samym stanie technicznym – mogą się różnić jedynie drobnymi szczegółami wizualnymi (np. rysy, etykiety, ślady użytkowania).
Dlaczego warto kupić u nas?
- Specjalizacja – tylko pompy i hydraulika
- Własny serwis – każda sztuka testowana przez nas
- Rzetelne opisy, realne zdjęcia, uczciwe podejście
- Wsparcie techniczne przed i po zakupie
- 14 dni na zwrot – zgodnie z prawem konsumenckim
Hydroit_pl – Twój sprawdzony partner w zakresie pomp obiegowych
nowa wtyczka w zestawie, pompa w idealnym stanie
moduł rozszerzeń komunikacji Geni + 500zł
Opis produktu
Grundfos MAGNA 40-100 F
Bezdławnicowa pompa obiegowa z mokrym wirnikiem silnika, uszczelniona tylko dwoma uszczelkami spoczynkowymi. pompa i silnik stanowią optymalnie dopasowaną jednostkę. Łożyska pompy są smarowane tłoczoną cieczą. Pompy są łatwe w demontażu i separacji materiałów do ich utylizacji.
Opis pompy:
Silnik z magnesami trwałymi
Zintegrowany regulator w skrzynce zaciskowej
Ceramiczne łożysko oporowe.
Węglowe łożysko osiowe.
Koszulka wirnika i tarcza łożyskowa ze stali nierdzewnej
Obudowa statora ze stopu aluminium.
Żeliwo szare korpus pompy.
Stator z wbudowanym łącznikiem termicznym.
Zabezpieczenie przed przeciążeniem
Możliwe są cztery rodzaje regulacji:
Regulacja Auto (regulacja automatyczna od jednej różnicy ciśnień do następnej) zapewnia optymalny komfort i redukcję żyżucia energii do minimum.
Ciśnienie proporcjonalne.
Ciśnienie stałe.
Charakterystyka stała (tylko poprzez komunikację zewnętrzną)
Pompa może komunikować się przez:
zintegrowany moduł LONWorks (opcja)
zintegrowany moduł GENIbus (opcja)
pilota R 100 (zamawiać oddzielnie)
wejście sygnalizacji zakłóceń
wejście zał/wył
Ciecz:
Czynnik tloczony: Woda
Zakres temperatury cieczy: 2 .. 95 °C
Temperatura cieczy: 20 °C
Gęstość: 998.2 kg/m3
Techniczne:
Klasa TF: 110
Dopuszczenia na tabliczce znamionowej: CE,TSE,GOST2
Materiały:
Korpus pompy: Żeliwo szare
Korpus pompy: EN-JL1040
Korpus pompy: ASTM 35 B - 40 B
Wirnik: Kompozyt, PES
Instalacja:
Zakres temperatury otoczenia: 0 .. 40 °C
Maksymalne ciśnienie pracy: 10 bar
Kołnierz standardowy: DIN
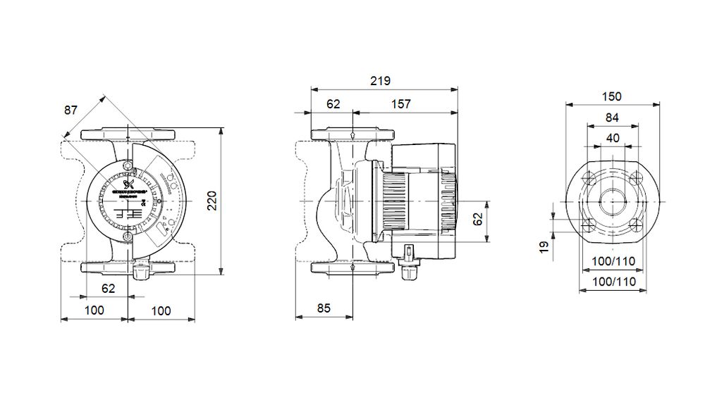
Przyłącze rurowe: DN 40
Ciśnienie: PN 6 / PN 10
Długość montażowa: 220 mm
Dane elektryczne:
Moc wejściowa-P1: 10 .. 180 W
Max. zużycie prądu: 0.09 .. 1.26 A
Częstotliwość podstawowa: 50 Hz
Napięcie nominalne: 1 x 230-240 V
Rodzaj ochrony (IEC 34-5): X4D
Klasa izolacji (IEC 85): F
Inne:
Energy (EEI): 0.22
Masa netto: 7.03 kg
Masa: 8.21 kg
- długość montażowa (mm): 220
- przepływ maksymalny Q m3/h: 12
- słup podnoszenia H max m: 10
- napiecie: 1~230V
- wielkość przyłącza: DN 40
Stan i serwis produktu
- Pompa używana, w pełni sprawna
- Po pełnym serwisie w naszej firmie
- Nie była malowana ani przezwojona – oryginał ma dla nas większą wartość
- Montujemy wyłącznie oryginalne części – bez chińskich zamienników
- Każda pompa przechodzi testy uzwojeń, szczelności, wirnika i łożysk
Co otrzymujesz w zestawie
- Pompa Grundfos – używana, po serwisie
- Instrukcja obsługi – w wersji papierowej
- Dokument sprzedaży – paragon lub faktura VAT
- 12 miesięcy gwarancji sprzedawcy – w formie pisemnej
- Bezpieczne i solidne opakowanie
Informacja o zdjęciach
Na aukcji sprzedajemy więcej niż jedną pompę tego modelu. Zdjęcia przedstawiają przykładowe egzemplarze. Wszystkie pompy są w takim samym stanie technicznym – mogą się różnić jedynie drobnymi szczegółami wizualnymi (np. rysy, etykiety, ślady użytkowania).
Dlaczego warto kupić u nas?
- Specjalizacja – tylko pompy i hydraulika
- Własny serwis – każda sztuka testowana przez nas
- Rzetelne opisy, realne zdjęcia, uczciwe podejście
- Wsparcie techniczne przed i po zakupie
- 14 dni na zwrot – zgodnie z prawem konsumenckim
Hydroit_pl – Twój sprawdzony partner w zakresie pomp obiegowych
nowa wtyczka w zestawie, pompa w idealnym stanie
moduł rozszerzeń komunikacji Geni + 500zł
Opis produktu
Grundfos MAGNA 40-100 F
Bezdławnicowa pompa obiegowa z mokrym wirnikiem silnika, uszczelniona tylko dwoma uszczelkami spoczynkowymi. pompa i silnik stanowią optymalnie dopasowaną jednostkę. Łożyska pompy są smarowane tłoczoną cieczą. Pompy są łatwe w demontażu i separacji materiałów do ich utylizacji.
Opis pompy:
Silnik z magnesami trwałymi
Zintegrowany regulator w skrzynce zaciskowej
Ceramiczne łożysko oporowe.
Węglowe łożysko osiowe.
Koszulka wirnika i tarcza łożyskowa ze stali nierdzewnej
Obudowa statora ze stopu aluminium.
Żeliwo szare korpus pompy.
Stator z wbudowanym łącznikiem termicznym.
Zabezpieczenie przed przeciążeniem
Możliwe są cztery rodzaje regulacji:
Regulacja Auto (regulacja automatyczna od jednej różnicy ciśnień do następnej) zapewnia optymalny komfort i redukcję żyżucia energii do minimum.
Ciśnienie proporcjonalne.
Ciśnienie stałe.
Charakterystyka stała (tylko poprzez komunikację zewnętrzną)
Pompa może komunikować się przez:
zintegrowany moduł LONWorks (opcja)
zintegrowany moduł GENIbus (opcja)
pilota R 100 (zamawiać oddzielnie)
wejście sygnalizacji zakłóceń
wejście zał/wył
Ciecz:
Czynnik tloczony: Woda
Zakres temperatury cieczy: 2 .. 95 °C
Temperatura cieczy: 20 °C
Gęstość: 998.2 kg/m3
Techniczne:
Klasa TF: 110
Dopuszczenia na tabliczce znamionowej: CE,TSE,GOST2
Materiały:
Korpus pompy: Żeliwo szare
Korpus pompy: EN-JL1040
Korpus pompy: ASTM 35 B - 40 B
Wirnik: Kompozyt, PES
Instalacja:
Zakres temperatury otoczenia: 0 .. 40 °C
Maksymalne ciśnienie pracy: 10 bar
Kołnierz standardowy: DIN
Przyłącze rurowe: DN 40
Ciśnienie: PN 6 / PN 10
Długość montażowa: 220 mm
Dane elektryczne:
Moc wejściowa-P1: 10 .. 180 W
Max. zużycie prądu: 0.09 .. 1.26 A
Częstotliwość podstawowa: 50 Hz
Napięcie nominalne: 1 x 230-240 V
Rodzaj ochrony (IEC 34-5): X4D
Klasa izolacji (IEC 85): F
Inne:
Energy (EEI): 0.22
Masa netto: 7.03 kg
Masa: 8.21 kg
- długość montażowa (mm): 220
- przepływ maksymalny Q m3/h: 12
- słup podnoszenia H max m: 10
- napiecie: 1~230V
- wielkość przyłącza: DN 40
ID: 1021020262
xxx xxx xxx
Dodane 28 października 2025
Pompa Grundfos Magna 40-100 F 220 używana z gwarancją
1 500 zł
Lokalizacja