Firmowe
Stan: Używane
Opis
pompa cwu grundfos ups 32-120 fb 400v
Stan i serwis produktu
- Pompa używana, w pełni sprawna
- Po pełnym serwisie w naszej firmie
- Nie była malowana ani przezwojona – oryginał ma dla nas większą wartość
- Montujemy wyłącznie oryginalne części – bez chińskich zamienników
- Każda pompa przechodzi testy uzwojeń, szczelności, wirnika i łożysk
Co otrzymujesz w zestawie
- Pompa Grundfos – używana, po serwisie
- Instrukcja obsługi – w wersji papierowej
- Dokument sprzedaży – paragon lub faktura VAT
- 12 miesięcy gwarancji sprzedawcy – w formie pisemnej
- Bezpieczne i solidne opakowanie
Informacja o zdjęciach
Na aukcji sprzedajemy więcej niż jedną pompę tego modelu. Zdjęcia przedstawiają przykładowe egzemplarze. Wszystkie pompy są w takim samym stanie technicznym – mogą się różnić jedynie drobnymi szczegółami wizualnymi (np. rysy, etykiety, ślady użytkowania).
Dlaczego warto kupić u nas?
- Specjalizacja – tylko pompy i hydraulika
- Własny serwis – każda sztuka testowana przez nas
- Rzetelne opisy, realne zdjęcia, uczciwe podejście
- Wsparcie techniczne przed i po zakupie
- 14 dni na zwrot – zgodnie z prawem konsumenckim
Hydroit_pl – Twój sprawdzony partner w zakresie pomp obiegowych
używana po pełnym serwisie z 12 miesięczną gwarancją
Grundfos UPS 32-120 F B 220Bezdławnicowe pompy obiegowe z mokrym wirnikiem silnika. Pompa i silnik tworzą optymalnie dopasowaną jednostkę, uszczelnioną tylko dwoma uszczelkami spoczynkowymi. Łożyska smarowane tłoczonym czynnikiem.
Pompy są łatwe w demontażu i separacji materiałów do ich utylizacji. Opis pompy:
Silnik z trzema stopniami prędkości.
Ceramiczne łożysko oporowe
Węglowe łożysko osiowe.
Rotor i tarcza łożyskowa ze stali nierdzewnej.
Obudowa statora ze stopu aluminium.
Brąz korpus pompy.
Stator z wbudowanym łącznikiem termicznym.
Silnik 3-fazowy.
Pompa jest dostarczana z modułem standardowym w skrzynce zaciskowej silnika. Moduł standardowy jest podłączony do sieci zasilającej poprzez zewnętrzny stycznik.
Układy sterowania:
Relay: bez przekaźnika
Ciecz:
Czynnik tloczony: Woda
Zakres temperatury cieczy: -10 .. 120 °C
Temperatura cieczy podczas pracy: 60 °C
Gęstość: 983.2 kg/m³
Techniczne:
Przepływ znamionowy: 7.71 m³/h
Wysokość podnoszenia: 7.22 m
Zatwierdzenia: CE,EAC,AAA,WEEE
Materiały:
Korpus pompy: Brąz
Obudowa pompy: 2.1176.01
Korpus pompy: B-271
Wirnik: Stainless steel
EN 1.4301
AISI 304
Instalacja:
Zakres temperatury otoczenia: 0 .. 80 °C
Maksymalne ciśnienie pracy: 10 bar
Standard połączeń rurowych: EN 1092-3
Rodzaj przyłącza: DIN
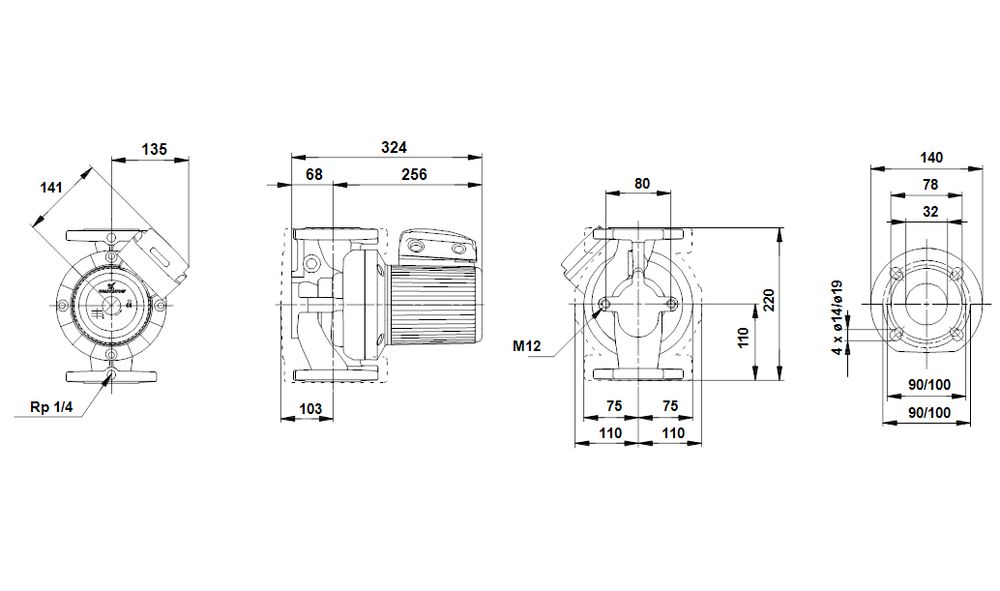
Rozmiar połączenia: DN 32
Ciśnienie znamionowe do podłączenia: PN 6/10
Długość montażowa: 220 mm
Dane elektryczne:
Pobór mocy przy prędkości 1: 245 W
Pobór mocy przy prędkości 2: 280 W
Max. Moc wejściowa: 400 W
Częstotliwość podstawowa: 50 Hz
Napięcie znamionowe: 3 x 400-415 V
Pobór mocy przy prędkości 1: 0.42 A
Pobór mocy przy prędkości 2: 0.47 A
Pobór mocy przy prędkości 3: 0.78 A
Cos fi - pędkość 1: 0.84
Cos fi - pędkość 2: 0.86
Cos fi - pędkość 3: 0.74
Klasa izolacji (IEC 85): F
Klasa obudowy (IEC 60529): X4D
Wykonanie Ex standard: CONTACT
Inne:
Pozycja skrzynki zaciskowej: 1.30H
Masa netto: 19.3 kg
Waga brutto: 19 kg
Koszt wysyłki: 0.026 m³
Kraj pochodzenia: RS
Numer taryfy celnej nr.: 84137030
Nazwa wyrobuUPS 32-120 F B 220Nr katalogowy96401846Numer EAN5708601065996CenaEUR 2105TechnicznePrędkości3Przepływ znamionowy7.71 m³/hWysokość podnoszenia7.22 mMaks. wysokość podnoszenia120 dmZatwierdzeniaCE,EAC,AAA,WEEEModelCMateriałyKorpus pompyBrązObudowa pompy2.1176.01Korpus pompyB-271WirnikStainless steelEN 1.4301AISI 304InstalacjaZakres temperatury otoczenia0 .. 80 °CMaksymalne ciśnienie pracy10 barStandard połączeń rurowychEN 1092-3Rodzaj przyłączaDINRozmiar połączeniaDN 32Ciśnienie znamionowe do podłączeniaPN 6/10Długość montażowa220 mmCieczCzynnik tloczonyWodaZakres temperatury cieczy-10 .. 120 °CTemperatura cieczy podczas pracy60 °CGęstość983.2 kg/m³Dane elektrycznePobór mocy przy prędkości 1245 WPobór mocy przy prędkości 2280 WMax. Moc wejściowa400 WCzęstotliwość podstawowa50 HzNapięcie znamionowe3 x 400-415 VPobór mocy przy prędkości 10.42 APobór mocy przy prędkości 20.47 APobór mocy przy prędkości 30.78 ACos fi - pędkość 10.84Cos fi - pędkość 20.86Cos fi - pędkość 30.74Klasa izolacji (IEC 85)FKlasa obudowy (IEC 60529)X4DWykonanie Ex standardCONTACTZabezpieczenie termicznezewn.Układy sterowaniaPrzekaźnikbez przekaźnikaInnePozycja skrzynki zaciskowej1.30HMasa netto19.3 kgWaga brutto19 kgKoszt wysyłki0.026 m³Kraj pochodzeniaRSNumer taryfy celnej nr.84137030
- długość montażowa (mm): 220
- przepływ maksymalny Q m3/h: 16
- słup podnoszenia H max m: 10
- napiecie: 3~400V
- wielkość przyłącza: DN 32
- Stan: Używany po pełnym serwisie
Stan i serwis produktu
- Pompa używana, w pełni sprawna
- Po pełnym serwisie w naszej firmie
- Nie była malowana ani przezwojona – oryginał ma dla nas większą wartość
- Montujemy wyłącznie oryginalne części – bez chińskich zamienników
- Każda pompa przechodzi testy uzwojeń, szczelności, wirnika i łożysk
Co otrzymujesz w zestawie
- Pompa Grundfos – używana, po serwisie
- Instrukcja obsługi – w wersji papierowej
- Dokument sprzedaży – paragon lub faktura VAT
- 12 miesięcy gwarancji sprzedawcy – w formie pisemnej
- Bezpieczne i solidne opakowanie
Informacja o zdjęciach
Na aukcji sprzedajemy więcej niż jedną pompę tego modelu. Zdjęcia przedstawiają przykładowe egzemplarze. Wszystkie pompy są w takim samym stanie technicznym – mogą się różnić jedynie drobnymi szczegółami wizualnymi (np. rysy, etykiety, ślady użytkowania).
Dlaczego warto kupić u nas?
- Specjalizacja – tylko pompy i hydraulika
- Własny serwis – każda sztuka testowana przez nas
- Rzetelne opisy, realne zdjęcia, uczciwe podejście
- Wsparcie techniczne przed i po zakupie
- 14 dni na zwrot – zgodnie z prawem konsumenckim
Hydroit_pl – Twój sprawdzony partner w zakresie pomp obiegowych
używana po pełnym serwisie z 12 miesięczną gwarancją
Grundfos UPS 32-120 F B 220Bezdławnicowe pompy obiegowe z mokrym wirnikiem silnika. Pompa i silnik tworzą optymalnie dopasowaną jednostkę, uszczelnioną tylko dwoma uszczelkami spoczynkowymi. Łożyska smarowane tłoczonym czynnikiem.
Pompy są łatwe w demontażu i separacji materiałów do ich utylizacji. Opis pompy:
Silnik z trzema stopniami prędkości.
Ceramiczne łożysko oporowe
Węglowe łożysko osiowe.
Rotor i tarcza łożyskowa ze stali nierdzewnej.
Obudowa statora ze stopu aluminium.
Brąz korpus pompy.
Stator z wbudowanym łącznikiem termicznym.
Silnik 3-fazowy.
Pompa jest dostarczana z modułem standardowym w skrzynce zaciskowej silnika. Moduł standardowy jest podłączony do sieci zasilającej poprzez zewnętrzny stycznik.
Układy sterowania:
Relay: bez przekaźnika
Ciecz:
Czynnik tloczony: Woda
Zakres temperatury cieczy: -10 .. 120 °C
Temperatura cieczy podczas pracy: 60 °C
Gęstość: 983.2 kg/m³
Techniczne:
Przepływ znamionowy: 7.71 m³/h
Wysokość podnoszenia: 7.22 m
Zatwierdzenia: CE,EAC,AAA,WEEE
Materiały:
Korpus pompy: Brąz
Obudowa pompy: 2.1176.01
Korpus pompy: B-271
Wirnik: Stainless steel
EN 1.4301
AISI 304
Instalacja:
Zakres temperatury otoczenia: 0 .. 80 °C
Maksymalne ciśnienie pracy: 10 bar
Standard połączeń rurowych: EN 1092-3
Rodzaj przyłącza: DIN
Rozmiar połączenia: DN 32
Ciśnienie znamionowe do podłączenia: PN 6/10
Długość montażowa: 220 mm
Dane elektryczne:
Pobór mocy przy prędkości 1: 245 W
Pobór mocy przy prędkości 2: 280 W
Max. Moc wejściowa: 400 W
Częstotliwość podstawowa: 50 Hz
Napięcie znamionowe: 3 x 400-415 V
Pobór mocy przy prędkości 1: 0.42 A
Pobór mocy przy prędkości 2: 0.47 A
Pobór mocy przy prędkości 3: 0.78 A
Cos fi - pędkość 1: 0.84
Cos fi - pędkość 2: 0.86
Cos fi - pędkość 3: 0.74
Klasa izolacji (IEC 85): F
Klasa obudowy (IEC 60529): X4D
Wykonanie Ex standard: CONTACT
Inne:
Pozycja skrzynki zaciskowej: 1.30H
Masa netto: 19.3 kg
Waga brutto: 19 kg
Koszt wysyłki: 0.026 m³
Kraj pochodzenia: RS
Numer taryfy celnej nr.: 84137030
Nazwa wyrobuUPS 32-120 F B 220Nr katalogowy96401846Numer EAN5708601065996CenaEUR 2105TechnicznePrędkości3Przepływ znamionowy7.71 m³/hWysokość podnoszenia7.22 mMaks. wysokość podnoszenia120 dmZatwierdzeniaCE,EAC,AAA,WEEEModelCMateriałyKorpus pompyBrązObudowa pompy2.1176.01Korpus pompyB-271WirnikStainless steelEN 1.4301AISI 304InstalacjaZakres temperatury otoczenia0 .. 80 °CMaksymalne ciśnienie pracy10 barStandard połączeń rurowychEN 1092-3Rodzaj przyłączaDINRozmiar połączeniaDN 32Ciśnienie znamionowe do podłączeniaPN 6/10Długość montażowa220 mmCieczCzynnik tloczonyWodaZakres temperatury cieczy-10 .. 120 °CTemperatura cieczy podczas pracy60 °CGęstość983.2 kg/m³Dane elektrycznePobór mocy przy prędkości 1245 WPobór mocy przy prędkości 2280 WMax. Moc wejściowa400 WCzęstotliwość podstawowa50 HzNapięcie znamionowe3 x 400-415 VPobór mocy przy prędkości 10.42 APobór mocy przy prędkości 20.47 APobór mocy przy prędkości 30.78 ACos fi - pędkość 10.84Cos fi - pędkość 20.86Cos fi - pędkość 30.74Klasa izolacji (IEC 85)FKlasa obudowy (IEC 60529)X4DWykonanie Ex standardCONTACTZabezpieczenie termicznezewn.Układy sterowaniaPrzekaźnikbez przekaźnikaInnePozycja skrzynki zaciskowej1.30HMasa netto19.3 kgWaga brutto19 kgKoszt wysyłki0.026 m³Kraj pochodzeniaRSNumer taryfy celnej nr.84137030
- długość montażowa (mm): 220
- przepływ maksymalny Q m3/h: 16
- słup podnoszenia H max m: 10
- napiecie: 3~400V
- wielkość przyłącza: DN 32
- Stan: Używany po pełnym serwisie
ID: 1050463789
xxx xxx xxx
Dodane 25 stycznia 2026
pompa cwu grundfos ups 32-120 fb 400v
Tylko przedmiot
2 700 zł
Przedmiot z Pakietem Ochronnym
Lokalizacja
Zwroty
Pakiet OchronnyZakup od przedsiębiorcy
Zwróć przedmiot, jeśli jest uszkodzony lub niezgodny z opisem. Zgłoś problem do 24 h od otrzymania przedmiotu. Szczegóły
Zwróć przedmiot do 14 dni od jego otrzymania przy zakupie od przedsiębiorcy. Skontaktuj się bezpośrednio ze sprzedającym, żeby zorganizować zwrot przedmiotu. Szczegóły