Firmowe
Stan: Nowe
Opis
Opis
Czy chcesz zmniejszyć swoje rachunki za energię i jednocześnie dbać o środowisko? Poznaj rewolucyjną technologię – pompy ciepła! Niech twój dom stanie się symbole wydajności i zrównoważonego rozwoju. Wybierz pompę ciepła i zacznij cieszyć się korzyściami już dziś!
…przyszłość ekologicznego ogrzewania ZENERGIA HP - NEWNTIDE
szczegóły na zenex.pl
SERWIS / PEWNA GWARANCJA / MOŻLIWY MONTAŻ na terenie wielkopolski
Stała współpraca z firmą NEWNTIDE pozwala nam utrzymywać stany magazynowe dla ciągłej sprzedaży pomp ciepła.
Przedstawiamy rewelacyjne pompy ciepła znanej firmy NEWNTIDE pod naszą nazwą ZENERGIA HP.
NEWNTIDE jeden z największych chińskich dostawców pomp ciepła, został oficjalnie uznany za „Pionierską Pompę Ciepła Powietrzną w Chinach” przez Frost & Sullivan, renomowaną instytucję badawczą rynku, zgodnie z najnowszym raportem.
Wszystkie pompy mają certyfikaty jakości między innymi: Certyfikat MCS, KEYMARK oraz niezbędny przy liście ZUM test raport z europejskiego akredytowanego laboratorium DANAK zgodne z zakresem wynikającym z norm EN-14511, EN 14825 oraz EN 12102.
Inwerterowa pompa ciepła powietrze-woda R32 charakteryzuje się nie tylko nowoczesnym wyglądem, innowacyjną galwanizowaną obudową, ale również wydajnością przy minimalnej emisji dwutlenku węgla. Pompy te zapewniają najwyższa wydajność przy minimalnej zmianie temperatury otoczenia. Wielopoziomowa redukcja szumów sprawia, że pompa jest praktycznie niesłyszalna. Wbudowany kompresor firmy Mitsubishi . Dzięki inwerterowi oraz technologii EVI pompa ciepła Zenergy HP wytwarza szeroki zakres temperatur roboczych, zapewniając ogrzewanie pomieszczeń, chłodzenie i wytwarzanie ciepłej wody użytkowej. Może osiągnąć wysoką temperaturę wody w zimnym klimacie i pracować stabilnie w temperaturach otoczenia nawet do -25 st. C. Posiada funkcję WI-FI z aplikacja mobilna.
Model: ZEHP160HCR32TI Maksymalna moc grzewcza 16kW
Krótki film opisujący pompę: www.youtube.com/watch?v=KNDFsRta85s
Oraz fabrykę NEWNTIDE: www.youtube.com/watch?v=oKHrmnVz5ms
(proszę skopiować i wkleić w przeglądarkę)
Zenex Sp z o.o. – firma z trzydziestoletnim doświadczeniem w branży elektrotechnicznej
szczegóły na zenex.pl
Opis:
Pompa Ciepła powietrze-woda
Ogrzewanie / Chłodzenie / Ciepła woda użytkowa.
Specjalna konstrukcja zapewniająca energooszczędne rozwiązania w zakresie:
- ogrzewania pomieszczeń zimą,
- centralnej klimatyzacji latem,
- ciepłej wody użytkowej przez cały rok.
- zasilanie 3-fazowe 3x400V niezbędne w przypadku współpracy z instalacją fotowoltaiczną.
Oferowany zestaw zawiera:
- pompa ciepła typu monoblok, ze sprężarką Mitsubishi
-wbudowana inwerterowa pompa obiegowa,
-wbudowany przeponowy zbiornik bezpieczeństwa,
- 4-calowy kolorowy panel dotykowy z przewodem 7,5m,
- 3 czujniki temperatury PT z przewodem 12m,
- instrukcja montażu i eksploatacji w j. polskim.
- instrukcja programowania i sterowania panela dotykowego w j. polskim.
Parametry Techniczne:
• Zasilanie: 380-415V/3N/50Hz - zasilanie 3-fazowe niezbędne w przypadku współpracy z instalacją fotowoltaiczną,
Tryb ogrzewania: Temperatura otoczenia (S/W): 7°C/6°C, Temp. wody (wlot/wylot): 30°C/35°C.
• Grzanie min-max (kW): 4.81 - 15.88
• Pobór mocy min-max (kW): 0.81 - 3.91
• Współczynnik COP: 5.94 - 4.06
Tryb ogrzewania: Temperatura otoczenia (S/W): 7°C/6°C, Temp. wody (wlot/wylot): 50°C/55°C.
• Grzanie min-max (kW): 3.90 - 15.99
• Pobór mocy min-max (kW): 1.03 - 5.92
• Współczynnik COP: 3.79 - 2.70
Tryb chłodzenia: Temperatura otoczenia (S/W): 35°C / -, Temp. wody (wlot/wylot): 12°C/7°C.
• Chłodzenie min-max (kW): 2.63 - 13.66
• Pobór mocy min-max (kW): 0.59 - 4.81
• Współczynnik EER: 4.46 - 2.84
Gorąca woda użytkowa CWU: Temp. otoczenia. (S/W): 20°C/15°C, temp. wody od 15°C do 55°C.
• Grzanie max (kW): 16.81
• Pobór mocy (kW): 3.94
• Współczynnik COP: 4.27
Parametry ogólne:
• Moc grzałki elektrycznej 3kW (rezerwowe źródło grzania)
• Maks. pobór mocy (kW): 7.4(4.4+3)
• Maks. pobór prądu (A): 21.5(7.8+13.7)
• Marka sprężarki: Mitsubishi
• Wymiennik ciepła: Płytowy wymiennik ciepła firmy Danfoss
• Maks. Temp. wody na wyjściu: 60°C
• Typ czynnika chłodniczego: R32
• Ilość czynnika chłodniczego 2.30 kg
• Max/Min ciśnienie wody 4,3 / 1,5 Mpa
• Nominalny przepływ wody 2.7 m³/h
• Spadek ciśnienia wody 24 kPa
• Efektywność energetyczna ErP (35°C): A+++
• Efektywność energetyczna ErP (55°C): A++
• Moc akustyczna max. 55 dB / 1m
• Przyłącze rury wodnej DN-32 / 1¼’’
• Temperatura pracy: -25~43
• Stopień ochrony IP: X4
• Klasa izolacji: I
• Wymiary (Dł x Szer x Wys)mm: 1263x440x1375
• Masa 130 kg
Inteligentne sterowanie:
• Inteligentny kolorowy wyświetlacz dotykowy w j.POLSKIM:
4-calowy kolorowy ekran dotykowy ma przyjazną dla użytkownika grafikę, która zapewnia łatwą i wygodną obsługę.
• Inteligentna regulacja temperatury i przełączanie wielu trybów pracy:
Dzięki inteligentnej logice regulacji temperatury można osiągnąć optymalny komfort. Dostępne różne tryby pracy.
• Zarządzanie wirtualne:
Komunikacja bezprzewodowa Wi-Fi umożliwia sterowanie urządzeniem za pomocą telefonu komórkowego w dowolnym miejscu i czasie.
• Inteligentny sterownik główny:
Zastosowana elektronika została wykonana przez znaną międzynarodową markę, zastosowana technologia mikroprocesorowa regulatora jest odporna na wszelkie zakłócenia i bardzo dobrą stabilność pracy. Sterownik został wyposażony w interfejs komunikacyjny RS485 umożliwiający podłączenie urządzenia do Ethernetu umożliwiając tym samym zdalny monitoring oraz sterowanie pompą ciepła.
Wielokrotna redukcja szumów, ciesz się ciszą.
Wielokrotna redukcja szumów spełnia wymagania dotyczące niskiej emisji hałasu i zapewnia, że nie będzie on przeszkadzał sąsiadom, a wysoka klasa energetyczna A+++ pozwoli na spore oszczędności energii elektrycznej.
Wysoce zintegrowana konstrukcja:
Zintegrowany przeponowy zbiornik wyrównawczy, cicha inwerterowa pompa wody oraz grzałka elektryczna upraszczają całą instalację.
• Zbiornik wyrównawczy:
Zintegrowany przeponowy zbiornik wyrównawczy 5l zapewnia bezpieczeństwo systemu wodnego w układzie wymiennika buforowego co zdecydowanie upraszcza montaż pompy ciepła.
• Grzałka elektryczna:
Grzałka elektryczna jako element rezerwowy pozwala na lepsze dopasowanie do potrzeb grzewczych nawet w ekstremalnych warunkach.
• Pompa obiegowa:
Wewnątrz urządzenia zainstalowana jest renomowana cicha inwerterowa pompa obiegowa, która zapewnia większy komfort i zdecydowanie upraszcza całą instalację pompy ciepła.
Nowatorskim rozwiązaniem proponowanym w instalacjach naszych pomp ciepła są zbiorniki dwufunkcyjne, oferowane na innych naszych aukcjach.
Zbiorniki wykonane ze stali nierdzewnej, wraz z wężownicą oraz dodatkową grzałką elektryczną o mocy 3kW.
Wystarczy połączyć naszą pompę ciepła ze zbiornikiem poprzez elektrozawór trójdrożny. Oferowana pompa ciepła nie zawiera w zestawie elektrozaworu.
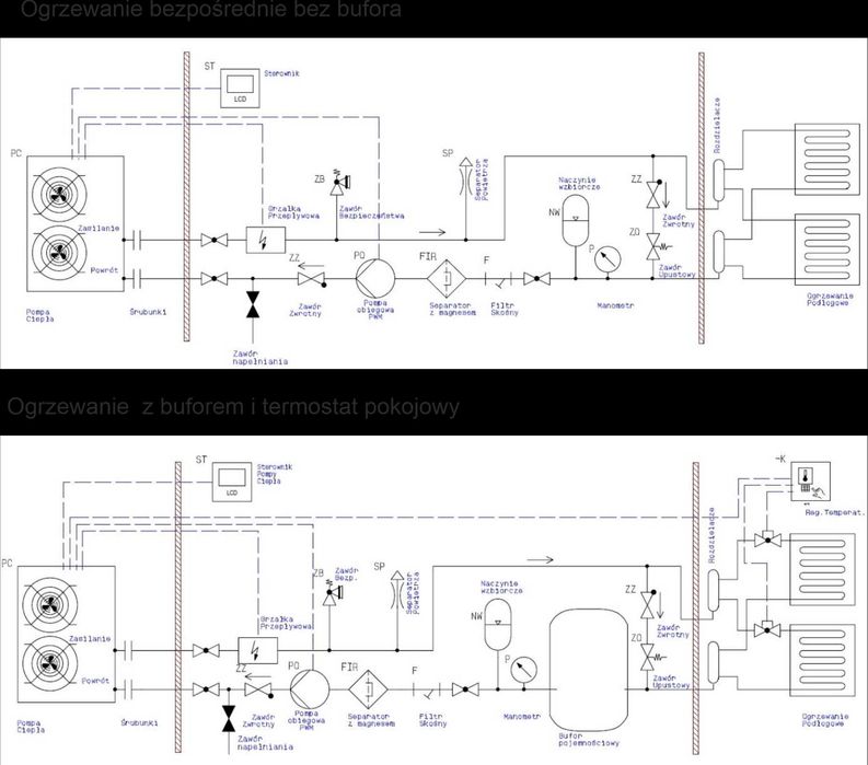
Inteligentny sterownik pompy ciepła zadba aby odpowiednio przygotować wodę użytkową, dbając jednocześnie o utrzymanie zadanej temperatury w zbiorniku buforowym. Szczegóły instalacji, schematy w dokumentacji do pobrania w zakładce Dodatkowe Informacje.
Dostępne dwie wielkości:
• Zbiornik CWU - 250l z wężownicą ze stali nierdzewnej o powierzchni wymiany 2,8m2 + zbiornik CO - 80l.
• Zbiornik CWU - 300l z wężownicą ze stali nierdzewnej o powierzchni wymiany 3,2m2 + zbiornik CO - 110l.
Zbiorniki oferowane na innych naszych aukcjach.
Zapytaj o Pompę Ciepła lub Fotowoltaikę a my wycenimy ją dla Ciebie.
Czy chcesz zmniejszyć swoje rachunki za energię i jednocześnie dbać o środowisko? Poznaj rewolucyjną technologię – pompy ciepła! Niech twój dom stanie się symbole wydajności i zrównoważonego rozwoju. Wybierz pompę ciepła i zacznij cieszyć się korzyściami już dziś!
…przyszłość ekologicznego ogrzewania ZENERGIA HP - NEWNTIDE
szczegóły na zenex.pl
SERWIS / PEWNA GWARANCJA / MOŻLIWY MONTAŻ na terenie wielkopolski
Stała współpraca z firmą NEWNTIDE pozwala nam utrzymywać stany magazynowe dla ciągłej sprzedaży pomp ciepła.
Przedstawiamy rewelacyjne pompy ciepła znanej firmy NEWNTIDE pod naszą nazwą ZENERGIA HP.
NEWNTIDE jeden z największych chińskich dostawców pomp ciepła, został oficjalnie uznany za „Pionierską Pompę Ciepła Powietrzną w Chinach” przez Frost & Sullivan, renomowaną instytucję badawczą rynku, zgodnie z najnowszym raportem.
Wszystkie pompy mają certyfikaty jakości między innymi: Certyfikat MCS, KEYMARK oraz niezbędny przy liście ZUM test raport z europejskiego akredytowanego laboratorium DANAK zgodne z zakresem wynikającym z norm EN-14511, EN 14825 oraz EN 12102.
Inwerterowa pompa ciepła powietrze-woda R32 charakteryzuje się nie tylko nowoczesnym wyglądem, innowacyjną galwanizowaną obudową, ale również wydajnością przy minimalnej emisji dwutlenku węgla. Pompy te zapewniają najwyższa wydajność przy minimalnej zmianie temperatury otoczenia. Wielopoziomowa redukcja szumów sprawia, że pompa jest praktycznie niesłyszalna. Wbudowany kompresor firmy Mitsubishi . Dzięki inwerterowi oraz technologii EVI pompa ciepła Zenergy HP wytwarza szeroki zakres temperatur roboczych, zapewniając ogrzewanie pomieszczeń, chłodzenie i wytwarzanie ciepłej wody użytkowej. Może osiągnąć wysoką temperaturę wody w zimnym klimacie i pracować stabilnie w temperaturach otoczenia nawet do -25 st. C. Posiada funkcję WI-FI z aplikacja mobilna.
Model: ZEHP160HCR32TI Maksymalna moc grzewcza 16kW
Krótki film opisujący pompę: www.youtube.com/watch?v=KNDFsRta85s
Oraz fabrykę NEWNTIDE: www.youtube.com/watch?v=oKHrmnVz5ms
(proszę skopiować i wkleić w przeglądarkę)
Zenex Sp z o.o. – firma z trzydziestoletnim doświadczeniem w branży elektrotechnicznej
szczegóły na zenex.pl
Opis:
Pompa Ciepła powietrze-woda
Ogrzewanie / Chłodzenie / Ciepła woda użytkowa.
Specjalna konstrukcja zapewniająca energooszczędne rozwiązania w zakresie:
- ogrzewania pomieszczeń zimą,
- centralnej klimatyzacji latem,
- ciepłej wody użytkowej przez cały rok.
- zasilanie 3-fazowe 3x400V niezbędne w przypadku współpracy z instalacją fotowoltaiczną.
Oferowany zestaw zawiera:
- pompa ciepła typu monoblok, ze sprężarką Mitsubishi
-wbudowana inwerterowa pompa obiegowa,
-wbudowany przeponowy zbiornik bezpieczeństwa,
- 4-calowy kolorowy panel dotykowy z przewodem 7,5m,
- 3 czujniki temperatury PT z przewodem 12m,
- instrukcja montażu i eksploatacji w j. polskim.
- instrukcja programowania i sterowania panela dotykowego w j. polskim.
Parametry Techniczne:
• Zasilanie: 380-415V/3N/50Hz - zasilanie 3-fazowe niezbędne w przypadku współpracy z instalacją fotowoltaiczną,
Tryb ogrzewania: Temperatura otoczenia (S/W): 7°C/6°C, Temp. wody (wlot/wylot): 30°C/35°C.
• Grzanie min-max (kW): 4.81 - 15.88
• Pobór mocy min-max (kW): 0.81 - 3.91
• Współczynnik COP: 5.94 - 4.06
Tryb ogrzewania: Temperatura otoczenia (S/W): 7°C/6°C, Temp. wody (wlot/wylot): 50°C/55°C.
• Grzanie min-max (kW): 3.90 - 15.99
• Pobór mocy min-max (kW): 1.03 - 5.92
• Współczynnik COP: 3.79 - 2.70
Tryb chłodzenia: Temperatura otoczenia (S/W): 35°C / -, Temp. wody (wlot/wylot): 12°C/7°C.
• Chłodzenie min-max (kW): 2.63 - 13.66
• Pobór mocy min-max (kW): 0.59 - 4.81
• Współczynnik EER: 4.46 - 2.84
Gorąca woda użytkowa CWU: Temp. otoczenia. (S/W): 20°C/15°C, temp. wody od 15°C do 55°C.
• Grzanie max (kW): 16.81
• Pobór mocy (kW): 3.94
• Współczynnik COP: 4.27
Parametry ogólne:
• Moc grzałki elektrycznej 3kW (rezerwowe źródło grzania)
• Maks. pobór mocy (kW): 7.4(4.4+3)
• Maks. pobór prądu (A): 21.5(7.8+13.7)
• Marka sprężarki: Mitsubishi
• Wymiennik ciepła: Płytowy wymiennik ciepła firmy Danfoss
• Maks. Temp. wody na wyjściu: 60°C
• Typ czynnika chłodniczego: R32
• Ilość czynnika chłodniczego 2.30 kg
• Max/Min ciśnienie wody 4,3 / 1,5 Mpa
• Nominalny przepływ wody 2.7 m³/h
• Spadek ciśnienia wody 24 kPa
• Efektywność energetyczna ErP (35°C): A+++
• Efektywność energetyczna ErP (55°C): A++
• Moc akustyczna max. 55 dB / 1m
• Przyłącze rury wodnej DN-32 / 1¼’’
• Temperatura pracy: -25~43
• Stopień ochrony IP: X4
• Klasa izolacji: I
• Wymiary (Dł x Szer x Wys)mm: 1263x440x1375
• Masa 130 kg
Inteligentne sterowanie:
• Inteligentny kolorowy wyświetlacz dotykowy w j.POLSKIM:
4-calowy kolorowy ekran dotykowy ma przyjazną dla użytkownika grafikę, która zapewnia łatwą i wygodną obsługę.
• Inteligentna regulacja temperatury i przełączanie wielu trybów pracy:
Dzięki inteligentnej logice regulacji temperatury można osiągnąć optymalny komfort. Dostępne różne tryby pracy.
• Zarządzanie wirtualne:
Komunikacja bezprzewodowa Wi-Fi umożliwia sterowanie urządzeniem za pomocą telefonu komórkowego w dowolnym miejscu i czasie.
• Inteligentny sterownik główny:
Zastosowana elektronika została wykonana przez znaną międzynarodową markę, zastosowana technologia mikroprocesorowa regulatora jest odporna na wszelkie zakłócenia i bardzo dobrą stabilność pracy. Sterownik został wyposażony w interfejs komunikacyjny RS485 umożliwiający podłączenie urządzenia do Ethernetu umożliwiając tym samym zdalny monitoring oraz sterowanie pompą ciepła.
Wielokrotna redukcja szumów, ciesz się ciszą.
Wielokrotna redukcja szumów spełnia wymagania dotyczące niskiej emisji hałasu i zapewnia, że nie będzie on przeszkadzał sąsiadom, a wysoka klasa energetyczna A+++ pozwoli na spore oszczędności energii elektrycznej.
Wysoce zintegrowana konstrukcja:
Zintegrowany przeponowy zbiornik wyrównawczy, cicha inwerterowa pompa wody oraz grzałka elektryczna upraszczają całą instalację.
• Zbiornik wyrównawczy:
Zintegrowany przeponowy zbiornik wyrównawczy 5l zapewnia bezpieczeństwo systemu wodnego w układzie wymiennika buforowego co zdecydowanie upraszcza montaż pompy ciepła.
• Grzałka elektryczna:
Grzałka elektryczna jako element rezerwowy pozwala na lepsze dopasowanie do potrzeb grzewczych nawet w ekstremalnych warunkach.
• Pompa obiegowa:
Wewnątrz urządzenia zainstalowana jest renomowana cicha inwerterowa pompa obiegowa, która zapewnia większy komfort i zdecydowanie upraszcza całą instalację pompy ciepła.
Nowatorskim rozwiązaniem proponowanym w instalacjach naszych pomp ciepła są zbiorniki dwufunkcyjne, oferowane na innych naszych aukcjach.
Zbiorniki wykonane ze stali nierdzewnej, wraz z wężownicą oraz dodatkową grzałką elektryczną o mocy 3kW.
Wystarczy połączyć naszą pompę ciepła ze zbiornikiem poprzez elektrozawór trójdrożny. Oferowana pompa ciepła nie zawiera w zestawie elektrozaworu.
Inteligentny sterownik pompy ciepła zadba aby odpowiednio przygotować wodę użytkową, dbając jednocześnie o utrzymanie zadanej temperatury w zbiorniku buforowym. Szczegóły instalacji, schematy w dokumentacji do pobrania w zakładce Dodatkowe Informacje.
Dostępne dwie wielkości:
• Zbiornik CWU - 250l z wężownicą ze stali nierdzewnej o powierzchni wymiany 2,8m2 + zbiornik CO - 80l.
• Zbiornik CWU - 300l z wężownicą ze stali nierdzewnej o powierzchni wymiany 3,2m2 + zbiornik CO - 110l.
Zbiorniki oferowane na innych naszych aukcjach.
Zapytaj o Pompę Ciepła lub Fotowoltaikę a my wycenimy ją dla Ciebie.
ID: 868625413
xxx xxx xxx
Dodane 22 października 2025
Pompa ciepła ZENERGIA HP - NEWNTIDE 16 kW 3-faz A+++ ZENEX.PL od Ręki
12 700 zł
Lokalizacja