Firmowe
Stan: Używane
Opis
Pompa Buderus BUE ECO 25/1-3 wilo stratos eco 25/1-3
Stan i serwis produktu
- Pompa używana, w pełni sprawna
- Po pełnym serwisie w naszej firmie
- Nie była malowana ani przezwojona – oryginał ma dla nas większą wartość
- Montujemy wyłącznie oryginalne części – bez chińskich zamienników
- Każda pompa przechodzi testy uzwojeń, szczelności, wirnika i łożysk
Co otrzymujesz w zestawie
- Pompa Buderus – używana, po serwisie
- Instrukcja obsługi – w wersji papierowej
- Dokument sprzedaży – paragon lub faktura VAT
- 12 miesięcy gwarancji sprzedawcy – w formie pisemnej
- Bezpieczne i solidne opakowanie
Informacja o zdjęciach
Na aukcji sprzedajemy więcej niż jedną pompę tego modelu. Zdjęcia przedstawiają przykładowe egzemplarze. Wszystkie pompy są w takim samym stanie technicznym – mogą się różnić jedynie drobnymi szczegółami wizualnymi (np. rysy, etykiety, ślady użytkowania).
Dlaczego warto kupić u nas?
- Specjalizacja – tylko pompy i hydraulika
- Własny serwis – każda sztuka testowana przez nas
- Rzetelne opisy, realne zdjęcia, uczciwe podejście
- Wsparcie techniczne przed i po zakupie
- 14 dni na zwrot – zgodnie z prawem konsumenckim
Hydroit_pl – Twój sprawdzony partner w zakresie pomp obiegowych
Pompa obiegowa Buderus BUE ECO 25/1-3 to niezawodne urządzenie przeznaczone do instalacji centralnego ogrzewania w budynkach mieszkalnych oraz obiektach komercyjnych. Dzięki solidnej konstrukcji i sprawdzonej technologii, zapewnia efektywną i cichą pracę przez długie lata.
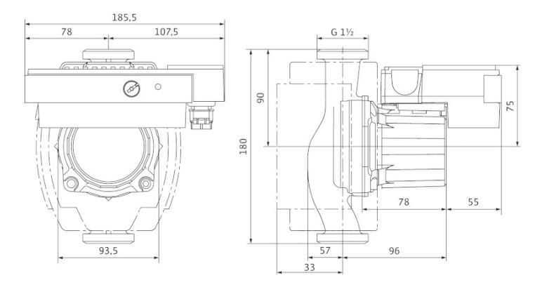
Kluczowe cechy:- Długość montażowa: 180 mm – standardowy rozstaw przyłączy
- Zasilanie: 1~230 V
- Maksymalny przepływ: 3 m³/h
- Maksymalna wysokość podnoszenia: 4 m
- Przyłącza: Gwintowane 6/4 cala
- Maksymalna temperatura pracy: 110°C
- Maksymalne ciśnienie robocze: 1 MPa (10 bar)
Zastosowanie:Pompa Buderus BUE ECO 25/1-3 jest idealnym rozwiązaniem dla:
- Instalacji centralnego ogrzewania w domach jednorodzinnych i budynkach wielorodzinnych
- Obiegów grzewczych w obiektach komercyjnych i przemysłowych
Dlaczego warto wybrać tę pompę?- Niezawodność: Sprawdzona konstrukcja zapewnia długowieczność i minimalne koszty eksploatacji.
- Efektywność: Optymalna wydajność przy niskim zużyciu energii.
- Łatwość montażu: Standardowe przyłącza ułatwiają instalację w większości systemów grzewczych.
- długość montażowa (mm): 180
- przepływ maksymalny Q m3/h: 3
- słup podnoszenia H max m: 4
- napiecie: 1~230V
- wielkość przyłącza: 6/4 cala
Stan i serwis produktu
- Pompa używana, w pełni sprawna
- Po pełnym serwisie w naszej firmie
- Nie była malowana ani przezwojona – oryginał ma dla nas większą wartość
- Montujemy wyłącznie oryginalne części – bez chińskich zamienników
- Każda pompa przechodzi testy uzwojeń, szczelności, wirnika i łożysk
Co otrzymujesz w zestawie
- Pompa Buderus – używana, po serwisie
- Instrukcja obsługi – w wersji papierowej
- Dokument sprzedaży – paragon lub faktura VAT
- 12 miesięcy gwarancji sprzedawcy – w formie pisemnej
- Bezpieczne i solidne opakowanie
Informacja o zdjęciach
Na aukcji sprzedajemy więcej niż jedną pompę tego modelu. Zdjęcia przedstawiają przykładowe egzemplarze. Wszystkie pompy są w takim samym stanie technicznym – mogą się różnić jedynie drobnymi szczegółami wizualnymi (np. rysy, etykiety, ślady użytkowania).
Dlaczego warto kupić u nas?
- Specjalizacja – tylko pompy i hydraulika
- Własny serwis – każda sztuka testowana przez nas
- Rzetelne opisy, realne zdjęcia, uczciwe podejście
- Wsparcie techniczne przed i po zakupie
- 14 dni na zwrot – zgodnie z prawem konsumenckim
Hydroit_pl – Twój sprawdzony partner w zakresie pomp obiegowych
Pompa obiegowa Buderus BUE ECO 25/1-3 to niezawodne urządzenie przeznaczone do instalacji centralnego ogrzewania w budynkach mieszkalnych oraz obiektach komercyjnych. Dzięki solidnej konstrukcji i sprawdzonej technologii, zapewnia efektywną i cichą pracę przez długie lata.
Kluczowe cechy:- Długość montażowa: 180 mm – standardowy rozstaw przyłączy
- Zasilanie: 1~230 V
- Maksymalny przepływ: 3 m³/h
- Maksymalna wysokość podnoszenia: 4 m
- Przyłącza: Gwintowane 6/4 cala
- Maksymalna temperatura pracy: 110°C
- Maksymalne ciśnienie robocze: 1 MPa (10 bar)
Zastosowanie:Pompa Buderus BUE ECO 25/1-3 jest idealnym rozwiązaniem dla:
- Instalacji centralnego ogrzewania w domach jednorodzinnych i budynkach wielorodzinnych
- Obiegów grzewczych w obiektach komercyjnych i przemysłowych
Dlaczego warto wybrać tę pompę?- Niezawodność: Sprawdzona konstrukcja zapewnia długowieczność i minimalne koszty eksploatacji.
- Efektywność: Optymalna wydajność przy niskim zużyciu energii.
- Łatwość montażu: Standardowe przyłącza ułatwiają instalację w większości systemów grzewczych.
- długość montażowa (mm): 180
- przepływ maksymalny Q m3/h: 3
- słup podnoszenia H max m: 4
- napiecie: 1~230V
- wielkość przyłącza: 6/4 cala
ID: 1016185036
xxx xxx xxx
Dodane 14 lutego 2026
Pompa Buderus BUE ECO 25/1-3 wilo stratos eco 25/1-3
Tylko przedmiot
400 zł
Przedmiot z Pakietem Ochronnym
Lokalizacja
Zwroty
Pakiet OchronnyZakup od przedsiębiorcy
Zwróć przedmiot, jeśli jest uszkodzony lub niezgodny z opisem. Zgłoś problem do 24 h od otrzymania przedmiotu. Szczegóły
Zwróć przedmiot do 14 dni od jego otrzymania przy zakupie od przedsiębiorcy. Skontaktuj się bezpośrednio ze sprzedającym, żeby zorganizować zwrot przedmiotu. Szczegóły