Firmowe
Opis
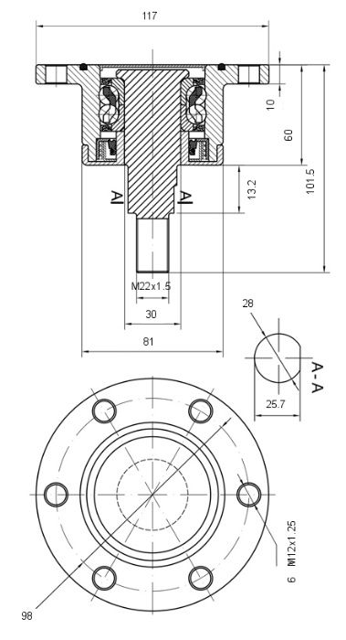
Sprzedam piasty bezobsługowe idealne do wykorzystania w bronach talerzowych. Bezobsługowe łozyska zapewniają długą i bezawaryjną pracę. Pozwalają zaoszczędzić czas zwjązany z codziennym przeglądami i samrowaniem maszyny. Dzięki swej dużej sztywności piasta minimalizuje ryzyko przechyłu taletrza zwiększając tym samym trwałość i niezawodność maszyny.
Cena dotyczy piasty z 4 otworami M12 na średnicy podziałowej 98 mm. Występuje również wersja z 5 i 6 otworami na średnicy 98 mm. Produkt Polski.
Posiadamy ponad 10 lat doświadczenia w branży maszyn rolniczych.
Wystawiamy fakturę VAT. Zapraszamy do współpracy.
Cena dotyczy piasty z 4 otworami M12 na średnicy podziałowej 98 mm. Występuje również wersja z 5 i 6 otworami na średnicy 98 mm. Produkt Polski.
Posiadamy ponad 10 lat doświadczenia w branży maszyn rolniczych.
Wystawiamy fakturę VAT. Zapraszamy do współpracy.
ID: 527437068
xxx xxx xxx

