Firmowe
Opis
Wzmocniony orbitrol wraz z wałkiem
KOD SKRAW MET: [8848]
Producent: SM-G (Skraw-Met Group)
Typ: OSPC - ON (NORMALNIE OTWARTY)
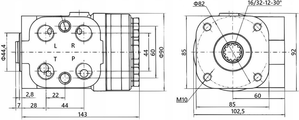
Wałek: 16/32-12-30°
Objętość geometryczna: 160 cm3/obr
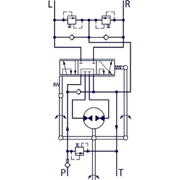
Orbitrol 160 ON (OPEN NORMALLY — normalnie otwarty) — w momencie gdy kierownica nie zmienia położenia, olej swobodnie porusza się w układzie orbitrola i przepływa przez powrót, spływając do zbiornika. Dzięki temu pompa podczas swojej pracy zostaje odciążona.
Zalety naszych orbitroli:
- Precyzyjnie wykonana konstrukcja, która zapewnia brak jakichkolwiek przecieków oraz lekką i płynną pracę — sprawdza się nawet przy bardzo obciążonej osi
- Każdy orbitrol posiada opisane przyłącza: P, T, R, L, co zapewnia prawidłowe podłączenie do układu
- Umożliwia sterowanie pojazdem podczas holowania nawet w przypadku awarii ciągnika (np. pompy)
W skład zestawu wchodzą:
Orbitrol OSPC 160cm3 ON
Wałek kierowniczy 165 mm
Zastosowanie:
Orbitrol ma za zadanie sterowanie hydraulicznym układem kierowniczym w ciągnikach rolniczych, koparkach, kombajnach, widlakach i maszynach budowlanych.
Doskonale sprawdza się w maszynach i urządzeniach zasilanych hydraulicznie.
URSUS: C-385, C-385A, 902, 912, 914, 1202, 1204, 1212, 1214
ZETOR: 8011, 8111, 8045, 8145
CASE IH: JX 55, 60, 65, 70, 75, 80, 85, 90, 95
NEW HOLLAND TD: 5040, 5050, 60D, 70D, 80D, 90D, 95D
Dane techniczne:
Orbitrol 160 ON (OPEN NORMALLY) – w momencie gdy kierownica nie zmienia położenia, olej porusza się w układzie i przepływa przez orbitrol, powrót i spływa do zbiornika nie powodując nadmiernego obciążenia pompy.
Przyłącza: P , T , A , B gwinty wewnętrzne [BSP]: 1/2"
Mocowanie kolumny kierownicy: 4x śruba M10 - 16mm
Długość Orbitrola [L] : 145mm
Ustawienie zaworów: przelewowy 160bar , szokowe 240bar
Objętość geometryczna: 160cm3/obr.
Zalecany przepływ oleju w układzie: od 12 do 18L/min.
Materiał: żeliwo
Oznaczenia przyłączeń:
P - zasilanie z pompy
T - powrót do zbiornika
R - skręt w prawo
L - skręt w lewo
WAŁEK ORBITROLA KRÓTKI DŁUGOŚĆ 165 mm
Zastosowanie:
Posiada szerokie zastosowanie w układach hydraulicznych w rolnictwie, sadownictwie, leśnictwie, budownictwie i szeroko pojętym przemyśle.
Wałek pasuje do wszystkich typów orbitroli (ON, CN, LS).
Specyfikacja techniczna:
Ilość frezów na końcówce wałka: 12
Szerokość końcówki frezowanej: 20 mm
Długość całkowita wałka: 165 mm
Szerokość końcówki gładkiej: 25 mm
Długość końcówki gładkiej: 28 mm
KOD SKRAW MET: [8848]
Producent: SM-G (Skraw-Met Group)
Typ: OSPC - ON (NORMALNIE OTWARTY)
Wałek: 16/32-12-30°
Objętość geometryczna: 160 cm3/obr
Orbitrol 160 ON (OPEN NORMALLY — normalnie otwarty) — w momencie gdy kierownica nie zmienia położenia, olej swobodnie porusza się w układzie orbitrola i przepływa przez powrót, spływając do zbiornika. Dzięki temu pompa podczas swojej pracy zostaje odciążona.
Zalety naszych orbitroli:
- Precyzyjnie wykonana konstrukcja, która zapewnia brak jakichkolwiek przecieków oraz lekką i płynną pracę — sprawdza się nawet przy bardzo obciążonej osi
- Każdy orbitrol posiada opisane przyłącza: P, T, R, L, co zapewnia prawidłowe podłączenie do układu
- Umożliwia sterowanie pojazdem podczas holowania nawet w przypadku awarii ciągnika (np. pompy)
W skład zestawu wchodzą:
Orbitrol OSPC 160cm3 ON
Wałek kierowniczy 165 mm
Zastosowanie:
Orbitrol ma za zadanie sterowanie hydraulicznym układem kierowniczym w ciągnikach rolniczych, koparkach, kombajnach, widlakach i maszynach budowlanych.
Doskonale sprawdza się w maszynach i urządzeniach zasilanych hydraulicznie.
URSUS: C-385, C-385A, 902, 912, 914, 1202, 1204, 1212, 1214
ZETOR: 8011, 8111, 8045, 8145
CASE IH: JX 55, 60, 65, 70, 75, 80, 85, 90, 95
NEW HOLLAND TD: 5040, 5050, 60D, 70D, 80D, 90D, 95D
Dane techniczne:
Orbitrol 160 ON (OPEN NORMALLY) – w momencie gdy kierownica nie zmienia położenia, olej porusza się w układzie i przepływa przez orbitrol, powrót i spływa do zbiornika nie powodując nadmiernego obciążenia pompy.
Przyłącza: P , T , A , B gwinty wewnętrzne [BSP]: 1/2"
Mocowanie kolumny kierownicy: 4x śruba M10 - 16mm
Długość Orbitrola [L] : 145mm
Ustawienie zaworów: przelewowy 160bar , szokowe 240bar
Objętość geometryczna: 160cm3/obr.
Zalecany przepływ oleju w układzie: od 12 do 18L/min.
Materiał: żeliwo
Oznaczenia przyłączeń:
P - zasilanie z pompy
T - powrót do zbiornika
R - skręt w prawo
L - skręt w lewo
WAŁEK ORBITROLA KRÓTKI DŁUGOŚĆ 165 mm
Zastosowanie:
Posiada szerokie zastosowanie w układach hydraulicznych w rolnictwie, sadownictwie, leśnictwie, budownictwie i szeroko pojętym przemyśle.
Wałek pasuje do wszystkich typów orbitroli (ON, CN, LS).
Specyfikacja techniczna:
Ilość frezów na końcówce wałka: 12
Szerokość końcówki frezowanej: 20 mm
Długość całkowita wałka: 165 mm
Szerokość końcówki gładkiej: 25 mm
Długość końcówki gładkiej: 28 mm
ID: 984667594
xxx xxx xxx
Dodane dzisiaj o 05:06
ORBITROL OSPC 160 ON Wałek 165 mm Bizon Ursus [8848]
329 zł
Lokalizacja