Firmowe
Opis
Wzmocniony orbitrol
KOD SKRAW MET: [1880]
Typ: OSPC - ON (NORMALNIE OTWARTY)
Wałek: 16/32-12-30°
Objętość geometryczna: 125 cm3/obr
Orbitrol 125 ON (OPEN NORMALLY — normalnie otwarty) — w momencie gdy kierownica nie zmienia położenia, olej swobodnie porusza się w układzie orbitrola i przepływa przez powrót, spływając do zbiornika. Dzięki temu pompa podczas swojej pracy zostaje odciążona.
Zalety naszych orbitroli:
- Precyzyjnie wykonana konstrukcja, która zapewnia brak jakichkolwiek przecieków oraz lekką i płynną pracę — sprawdza się nawet przy bardzo obciążonej osi
- Każdy orbitrol posiada opisane przyłącza: P, T, R, L, co zapewnia prawidłowe podłączenie do układu
- Umożliwia sterowanie pojazdem podczas holowania nawet w przypadku awarii ciągnika (np. pompy)
Zastosowanie:
Orbitrol ma za zadanie sterowanie hydraulicznym układem kierowniczym w ciągnikach rolniczych, koparkach, kombajnach, widlakach i maszynach budowlanych.
Doskonale sprawdza się w maszynach i urządzeniach zasilanych hydraulicznie.
URSUS: C-330, C-360, C-360-3P, 3512, 3502
ZETOR: 5211, 7211, 7045, 7245
CASE IH AVJ: 55, 60, 70, JX 55, 60, 65, 70, 75, 80, 85, 90, 95, VJ 60, 70, 80
NEW HOLLAND TD: 5040, 5050, 55D, 60D, 65D, 70D, 75D, 80D, 85D, 90D, 95D
MASSEY FERGUSON: 230, 240, 253, 255, 261, 263, 340, 342, 350, 352, 355, 360, 362, 365, 372, 375, 382, 390, 396, 398, 399, 265, 275, 3275E, 285, 290, 290E, 298, 375E, 390E, 675, 690, 698, 698T, 699
CLAAS CELTIS: 426RA, 426RC, 426RX, 436RC, 436RX, 446RA, 446RC, 446RX, 456RA, 456RC, 456RX
MTZ: 80, 82, T-25
FIAT: 55-46, 60-46, 65-46, 55-56, 60-56, 65-56, 70-56, 55-66, 60-66, 65-66, 70-66, 80-66, 55-88, 60-88, 65-88, 70-88, 80-88, 55-90, 60-90, 65-90, 70-90, 80-90, 90-90, 100-90, 110-90, 60-93, 65-93, 60-94, 65-94, F100, 110, 130
RENAULT: 58-32ME, 58-32MA, 58-32MS, 58-32MX, 75-32TX, 75-34TX, 85-32TX, 85-34TX, 90-32TX, 90-34TX, 650MI, 750MI, 754MI, 850MI, 854MI, 900MI, 904MI, 950MI, 954MI, 1032-54TS, 103-54TX, 103-54TE, 103-54TA, 106-54TS, 106-54TX, 106-54TE, 106-54TA
RENAULT CERGOS: 330, 340, 350, 345, 355
RENAULT CERES: 65, 70, 70X, 75, 75X, 85, 85X, 95, 95X, 310, 320, 320X, 330, 330X, 340, 340X, 325X, 335X, 345X, 355X
Specyfikacja techniczna:
Objętość geometryczna: 125cm3/obr
Zalecany przepływ oleju w układzie: od 10 do 14L/min.
Gwinty wewnętrzne (P, T, R, L): G1/2" BSP
Gwinty wewnętrzne (obok przyłączeniowych): M10
Mocowanie kolumny kierownicy: 4x śruba M10 - 16mm
Długość Orbitrola [L] : 137mm
Ilość wcięć na wałek: 12z
Średnica zewnętrzna wałka: 15/20 mm
Ustawienie zaworów:
przelewowy: 160 bar
szokowe: 240 bar
Materiał: żeliwo
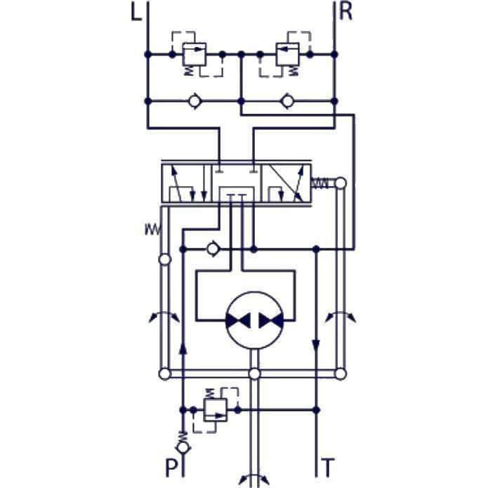
Oznaczenia przyłączeń:
P - zasilanie z pompy
T - powrót do zbiornika
R - skręt w prawo
L - skręt w lewo
KOD SKRAW MET: [1880]
Typ: OSPC - ON (NORMALNIE OTWARTY)
Wałek: 16/32-12-30°
Objętość geometryczna: 125 cm3/obr
Orbitrol 125 ON (OPEN NORMALLY — normalnie otwarty) — w momencie gdy kierownica nie zmienia położenia, olej swobodnie porusza się w układzie orbitrola i przepływa przez powrót, spływając do zbiornika. Dzięki temu pompa podczas swojej pracy zostaje odciążona.
Zalety naszych orbitroli:
- Precyzyjnie wykonana konstrukcja, która zapewnia brak jakichkolwiek przecieków oraz lekką i płynną pracę — sprawdza się nawet przy bardzo obciążonej osi
- Każdy orbitrol posiada opisane przyłącza: P, T, R, L, co zapewnia prawidłowe podłączenie do układu
- Umożliwia sterowanie pojazdem podczas holowania nawet w przypadku awarii ciągnika (np. pompy)
Zastosowanie:
Orbitrol ma za zadanie sterowanie hydraulicznym układem kierowniczym w ciągnikach rolniczych, koparkach, kombajnach, widlakach i maszynach budowlanych.
Doskonale sprawdza się w maszynach i urządzeniach zasilanych hydraulicznie.
URSUS: C-330, C-360, C-360-3P, 3512, 3502
ZETOR: 5211, 7211, 7045, 7245
CASE IH AVJ: 55, 60, 70, JX 55, 60, 65, 70, 75, 80, 85, 90, 95, VJ 60, 70, 80
NEW HOLLAND TD: 5040, 5050, 55D, 60D, 65D, 70D, 75D, 80D, 85D, 90D, 95D
MASSEY FERGUSON: 230, 240, 253, 255, 261, 263, 340, 342, 350, 352, 355, 360, 362, 365, 372, 375, 382, 390, 396, 398, 399, 265, 275, 3275E, 285, 290, 290E, 298, 375E, 390E, 675, 690, 698, 698T, 699
CLAAS CELTIS: 426RA, 426RC, 426RX, 436RC, 436RX, 446RA, 446RC, 446RX, 456RA, 456RC, 456RX
MTZ: 80, 82, T-25
FIAT: 55-46, 60-46, 65-46, 55-56, 60-56, 65-56, 70-56, 55-66, 60-66, 65-66, 70-66, 80-66, 55-88, 60-88, 65-88, 70-88, 80-88, 55-90, 60-90, 65-90, 70-90, 80-90, 90-90, 100-90, 110-90, 60-93, 65-93, 60-94, 65-94, F100, 110, 130
RENAULT: 58-32ME, 58-32MA, 58-32MS, 58-32MX, 75-32TX, 75-34TX, 85-32TX, 85-34TX, 90-32TX, 90-34TX, 650MI, 750MI, 754MI, 850MI, 854MI, 900MI, 904MI, 950MI, 954MI, 1032-54TS, 103-54TX, 103-54TE, 103-54TA, 106-54TS, 106-54TX, 106-54TE, 106-54TA
RENAULT CERGOS: 330, 340, 350, 345, 355
RENAULT CERES: 65, 70, 70X, 75, 75X, 85, 85X, 95, 95X, 310, 320, 320X, 330, 330X, 340, 340X, 325X, 335X, 345X, 355X
Specyfikacja techniczna:
Objętość geometryczna: 125cm3/obr
Zalecany przepływ oleju w układzie: od 10 do 14L/min.
Gwinty wewnętrzne (P, T, R, L): G1/2" BSP
Gwinty wewnętrzne (obok przyłączeniowych): M10
Mocowanie kolumny kierownicy: 4x śruba M10 - 16mm
Długość Orbitrola [L] : 137mm
Ilość wcięć na wałek: 12z
Średnica zewnętrzna wałka: 15/20 mm
Ustawienie zaworów:
przelewowy: 160 bar
szokowe: 240 bar
Materiał: żeliwo
Oznaczenia przyłączeń:
P - zasilanie z pompy
T - powrót do zbiornika
R - skręt w prawo
L - skręt w lewo
ID: 548814218
xxx xxx xxx
Dodane 11 marca 2026
Orbitrol OSPC 125 ON [1880]
308 zł
Lokalizacja