Firmowe
Opis
Przekładnia / motoreduktor silnika elektrycznego o kołnierzu 71B5
KOD SKRAW MET: [3430]
Producent: SM-G (SKRAW MET GROUP)
Symbol: PM--040
Typ mocowania: kołnierzowy
Przełożenie: i = 10
W ZESTAWIE ZNAJDUJĄ SIĘ ŚRUBY WRAZ Z NAKRĘTKAMI I PODKŁADKAMI
Motoreduktor walcowy to elektromechaniczny układ napędowy, którego zadaniem jest zmiana prędkości obrotowej oraz momentu obrotowego.
Przekładnie z kołem zębatym walcowym o zębach skośnych ERC to nowa generacja mechaniczno-elektrycznych produktów, które zaprojektowane zostały jako system modułowy do systemów karmienia na fermach drobiu.
Dedykowany do redukowania napędu silników elektrycznych MS 71 z kołnierzem mocującym (B5) oraz wałkiem napędowym Φ14 mm.
Współpracują ze zwykłymi silnikami, silnikami z hamulcem, silnikami w wykonaniu przeciwwybuchowym, silnikami zasilanymi z falowników, serwomotorami, silnikami IEC, itp.
Główne cechy:
- Wyjątkowo trwały, bardzo dobrej jakości
- Doskonałe rozpraszanie ciepła zapewnia ciągłą pracę pod obciążeniem
- Gwarantuje długoletnią i bezawaryjną pracę
Przekładnie smarowane są olejem syntetycznym o lepkości VG 320.
Idealnie nada się jako zamiennik motoreduktorów firm takich jak:
NMRV Motovario
WMI STM
Specyfikacja techniczna:
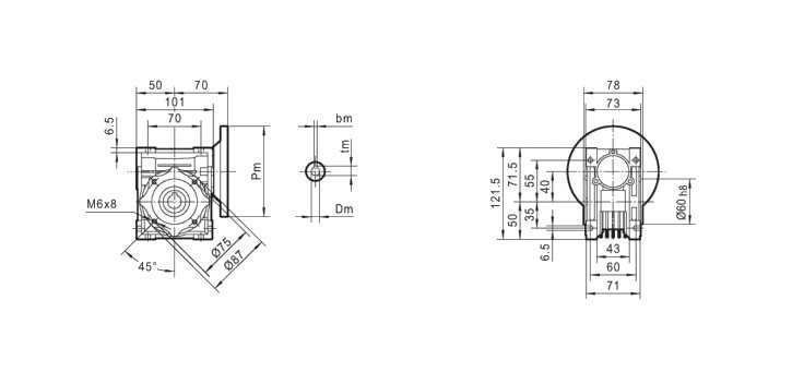
Pm: 160mm
Dm: 14mm
bm: 5mm
tm: 16,3mm
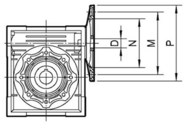
Wymiary kołnierza
P: 160mm
M: 130mm
N: 110mm
D: 14mm
Dodatkowo w zestawie znajduje się osłonka boczna do motoreduktora, w komplecie z czterema śrubami mocującymi. Pasuje zarówno do lewej, jak i prawej strony, jest uniwersalna.
KOD SKRAW MET: [3430]
Producent: SM-G (SKRAW MET GROUP)
Symbol: PM--040
Typ mocowania: kołnierzowy
Przełożenie: i = 10
W ZESTAWIE ZNAJDUJĄ SIĘ ŚRUBY WRAZ Z NAKRĘTKAMI I PODKŁADKAMI
Motoreduktor walcowy to elektromechaniczny układ napędowy, którego zadaniem jest zmiana prędkości obrotowej oraz momentu obrotowego.
Przekładnie z kołem zębatym walcowym o zębach skośnych ERC to nowa generacja mechaniczno-elektrycznych produktów, które zaprojektowane zostały jako system modułowy do systemów karmienia na fermach drobiu.
Dedykowany do redukowania napędu silników elektrycznych MS 71 z kołnierzem mocującym (B5) oraz wałkiem napędowym Φ14 mm.
Współpracują ze zwykłymi silnikami, silnikami z hamulcem, silnikami w wykonaniu przeciwwybuchowym, silnikami zasilanymi z falowników, serwomotorami, silnikami IEC, itp.
Główne cechy:
- Wyjątkowo trwały, bardzo dobrej jakości
- Doskonałe rozpraszanie ciepła zapewnia ciągłą pracę pod obciążeniem
- Gwarantuje długoletnią i bezawaryjną pracę
Przekładnie smarowane są olejem syntetycznym o lepkości VG 320.
Idealnie nada się jako zamiennik motoreduktorów firm takich jak:
NMRV Motovario
WMI STM
Specyfikacja techniczna:
Pm: 160mm
Dm: 14mm
bm: 5mm
tm: 16,3mm
Wymiary kołnierza
P: 160mm
M: 130mm
N: 110mm
D: 14mm
Dodatkowo w zestawie znajduje się osłonka boczna do motoreduktora, w komplecie z czterema śrubami mocującymi. Pasuje zarówno do lewej, jak i prawej strony, jest uniwersalna.
ID: 789895157
xxx xxx xxx
Dodane 10 października 2025
Mocna Przekładnia SILNIKA ELEKTRYCZNEGO 71B5 I=10 [3430]
180 zł
Lokalizacja