Przejdź do głównej części
Czat

Powiadomienia

Dodaj ogłoszenie
Łącznik wałków ślimaka obrotu rury sieczkarni CLAAS JAGUAR
Łącznik wałków ślimaka obrotu rury sieczkarni CLAAS JAGUAR
Łącznik wałków ślimaka obrotu rury sieczkarni CLAAS JAGUAR
Łącznik wałków ślimaka obrotu rury sieczkarni CLAAS JAGUAR
PromujOdśwież

Firmowe

Opis

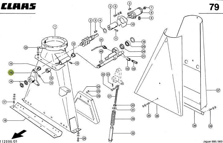
Łącznik wałków ślimaka obrotu rury sieczkarni CLAAS

nr porównawczy: 0000762262

Zastosowanie: Jaguar 810, 840-820, 88********00-830, 980-930

Cena brutto
jesteśmy producentami
ID: 695375118

Skontaktuj się

ZMP MIKROSTAL

Na OLX od sierpień 2010

Ostatnio online w dniu 15 października 2025

xxx xxx xxx

Dodane 11 października 2025

Łącznik wałków ślimaka obrotu rury sieczkarni CLAAS JAGUAR

850 zł

Lokalizacja

Darmowa aplikacja na Twój telefon