Przejdź do głównej części
Czat

Powiadomienia

Dodaj ogłoszenie
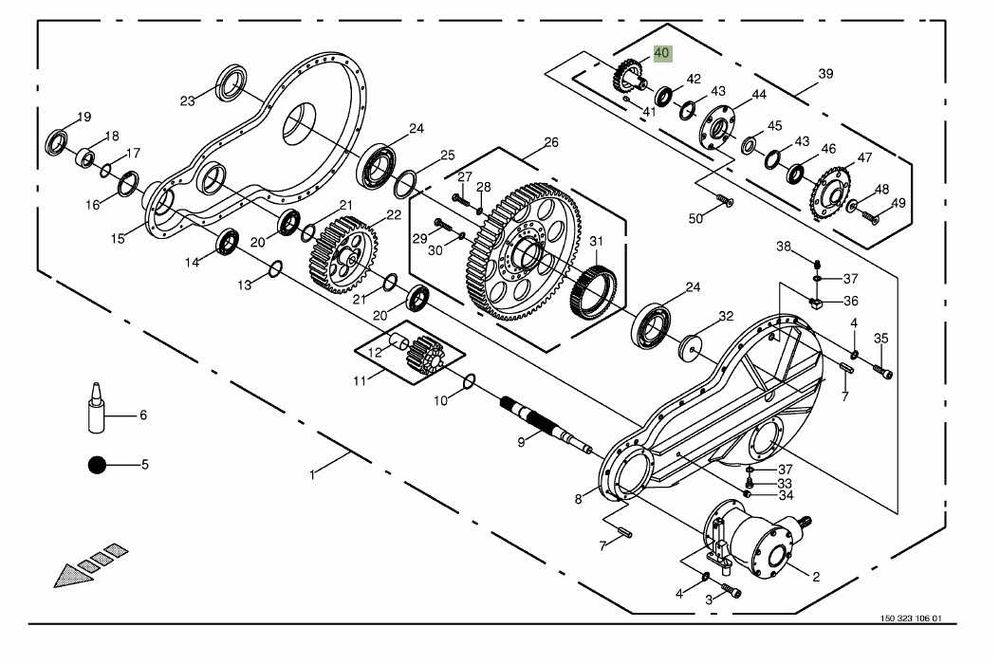
Koło Z25 przekładni napędowej przyczepy samozbierającej KRONE ZX, MX
Koło Z25 przekładni napędowej przyczepy samozbierającej KRONE ZX, MX
Koło Z25 przekładni napędowej przyczepy samozbierającej KRONE ZX, MX
Koło Z25 przekładni napędowej przyczepy samozbierającej KRONE ZX, MX
PromujOdśwież

Firmowe

Opis

Koło Z25 przekładni napędowej przyczepy samozbierającej KRONE

nr porównawczy: 003383543, 00 338 354 3

Zastosowanie: ZX, MX

Cena brutto
jesteśmy producentami
ID: 831873351

Skontaktuj się

ZMP MIKROSTAL

Na OLX od sierpień 2010

Ostatnio online wczoraj o 05:31

xxx xxx xxx

Dodane 15 października 2025

Koło Z25 przekładni napędowej przyczepy samozbierającej KRONE ZX, MX

1 200 zł

Lokalizacja

Darmowa aplikacja na Twój telefon