Firmowe
Cena za m²: 3080.88 zł/m²
Rynek: Pierwotny
Powierzchnia: 136 m²
Powierzchnia działki: 1 000 m²
Rodzaj zabudowy: Wolnostojący
Liczba pięter: Parterowy z użytkowym poddaszem
Opis
Działamy na terenach województwa dolnośląskiego oraz lubuskiego
Wolne terminy na 2025r.
Posiadasz własną działkę? Wybudujemy Ci dom (stan deweloperski) w atrakcyjnej cenie w zaledwie 9 miesięcy.
W swojej ofercie posiadamy jeszcze inne projekty.
Cena 419000 zł obejmuje:
-materiał do budowy stanu deweloperskiego
-robociznę
-papierologię (projekty, pozwolenia itp.)
Technologia tradycyjna.
Prace przygotowawcze:
- załatwienie wszelkich pozwoleń dotyczących pozwolenia na budowę
- prace geodezyjno - geologiczne
- opieka kierownika budowy
Fundament:
- ławy betonowe zbrojone
- bloczki betonowe na zaprawie
- styropian 10cm
- hydroizolacja
- zasyp
- instalacja kanalizacyjna pod posadzkowa
- zasyp
- posadzka z chudego betonu
Ściany zewnętrzne:
- bloczek komórkowy SOLBET/YTONG/TERMOBET gr. 24cm
- styropian 20cm
- tynk zewnętrzny
Ściany wewnętrzne:
- bloczek komórkowy 11,5cm
- tynk maszynowy
Strop prefabrykowany z płyt SMART
Dach:
- tradycyjna więźba dachowa
- pokrycie dachowe - dachówka betonowa
- poddasze (strych)
- ocieplenie stropu i skosów pianą PUR/celulozą
Stolarka:
- okna trzyszybowe
- rolety sterowane elektrycznie
- drzwi wejściowe
a także:
- ogrzewanie podłogowe
- posadzka - wylewka anhydrytowa
- instalacja elektryczna (bez białego montażu)
- instalacja wodno-kanalizacyjna
- piec na pelet (możliwość instalacji pompy ciepła)
- komin ceramiczny
- praca z projektantem wnętrz (układ funkcjonalny, dedykowany projekt elewacji, projekt elektryki, projekt wodno-kanalizacyjny)
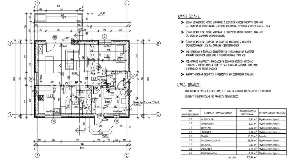
Opis projektu:
PARTER:
1. Wiatrołap 5,32 m2
2. Kotłownia 5,97 m2
3. Korytarz 2,52 m2
4. Łazienka 3,7 m2
5. Pokój 10,6 m2
6. Salon+ Jadalnia 25,29 m2
7. Kuchnia 9,17 m2
8. Spiżarnia 2,51 m2
9. Komunikacja 2,86 m2
RAZEM PARTER: 67,94 m2
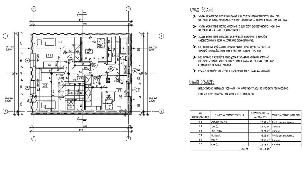
PODDASZE:
1. Korytarz 12,42 m2
2. Pokój 13,7 m2
3. Łazienka 9,24 m2
4. Pralnia 6,35 m2
5. Pokój 13,63 m2
6. Pokój 12,78 m2
RAZEM PODDASZE: 68,12 m2
RAZEM: 136,06 m2
Cena za wykonanie stanu deweloperskiego na działce klienta to 419000 zł.
Wolne terminy na 2025r.
Posiadasz własną działkę? Wybudujemy Ci dom (stan deweloperski) w atrakcyjnej cenie w zaledwie 9 miesięcy.
W swojej ofercie posiadamy jeszcze inne projekty.
Cena 419000 zł obejmuje:
-materiał do budowy stanu deweloperskiego
-robociznę
-papierologię (projekty, pozwolenia itp.)
Technologia tradycyjna.
Prace przygotowawcze:
- załatwienie wszelkich pozwoleń dotyczących pozwolenia na budowę
- prace geodezyjno - geologiczne
- opieka kierownika budowy
Fundament:
- ławy betonowe zbrojone
- bloczki betonowe na zaprawie
- styropian 10cm
- hydroizolacja
- zasyp
- instalacja kanalizacyjna pod posadzkowa
- zasyp
- posadzka z chudego betonu
Ściany zewnętrzne:
- bloczek komórkowy SOLBET/YTONG/TERMOBET gr. 24cm
- styropian 20cm
- tynk zewnętrzny
Ściany wewnętrzne:
- bloczek komórkowy 11,5cm
- tynk maszynowy
Strop prefabrykowany z płyt SMART
Dach:
- tradycyjna więźba dachowa
- pokrycie dachowe - dachówka betonowa
- poddasze (strych)
- ocieplenie stropu i skosów pianą PUR/celulozą
Stolarka:
- okna trzyszybowe
- rolety sterowane elektrycznie
- drzwi wejściowe
a także:
- ogrzewanie podłogowe
- posadzka - wylewka anhydrytowa
- instalacja elektryczna (bez białego montażu)
- instalacja wodno-kanalizacyjna
- piec na pelet (możliwość instalacji pompy ciepła)
- komin ceramiczny
- praca z projektantem wnętrz (układ funkcjonalny, dedykowany projekt elewacji, projekt elektryki, projekt wodno-kanalizacyjny)
Opis projektu:
PARTER:
1. Wiatrołap 5,32 m2
2. Kotłownia 5,97 m2
3. Korytarz 2,52 m2
4. Łazienka 3,7 m2
5. Pokój 10,6 m2
6. Salon+ Jadalnia 25,29 m2
7. Kuchnia 9,17 m2
8. Spiżarnia 2,51 m2
9. Komunikacja 2,86 m2
RAZEM PARTER: 67,94 m2
PODDASZE:
1. Korytarz 12,42 m2
2. Pokój 13,7 m2
3. Łazienka 9,24 m2
4. Pralnia 6,35 m2
5. Pokój 13,63 m2
6. Pokój 12,78 m2
RAZEM PODDASZE: 68,12 m2
RAZEM: 136,06 m2
Cena za wykonanie stanu deweloperskiego na działce klienta to 419000 zł.
ID: 1007753013
xxx xxx xxx
Dodane 29 stycznia 2026
Dom na Twojej działce, 136m2, stan deweloperski, materiał + robocizna
419 000 zł
Lokalizacja
Bolesławiec
Dolnośląskie