Firmowe
Stan: Nowe
Opis
www.wisesolution
W ofercie, poza przedstawianym poniżej zbiornikiem, mamy w ofercie również inne modele i pojemności. Zapraszamy do kontaktu!
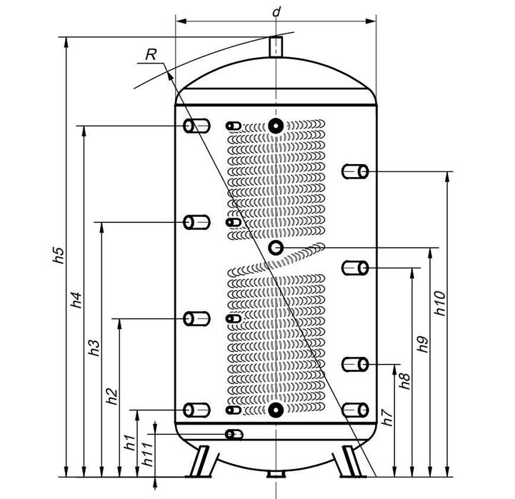
Bufor Ciepła 1000L z wężownicą higieniczną (CWU)
Zbiorniki buforowe z wężownicą CWU spełniają jednocześnie rolę zbiornika buforowego oraz zasobnika ciepłej wody użytkowej (CWU). Wymiennik ciepła, wykonany z karbowanej rury ze stali nierdzewnej AISI 316L, zapewnia higieniczne przygotowanie ciepłej wody użytkowej.
Dzięki wężownicy o dużej powierzchni (7,8m2) osiąga się wysoką efektywność podgrzewania wody użytkowej. W górnej części zbiornika zamontowany jest wymiennik ciepła, który umożliwia szybkie dostarczanie ciepłej wody użytkowej.
-Oszczędność miejsca - Zamiast instalować dwa oddzielne urządzenia (bufor i bojler CWU), potrzebujesz tylko jednego zbiornika.
-Niższe koszty instalacji- Jeden zbiornik oznacza mniejszą ilość materiałów instalacyjnych (mniej rur, zaworów, izolacji itp.) oraz prostszy montaż, co obniża koszty zarówno materiałów, jak i robocizny.
-Higiena wody użytkowej- Woda użytkowa nie jest przechowywana w dużych ilościach, lecz podgrzewana na bieżąco, co minimalizuje ryzyko rozwoju bakterii, takich jak Legionella.
-Wysoka efektywność energetyczna- Duża powierzchnia wymiennika ciepła w zbiorniku higienicznym pozwala na szybkie i efektywne podgrzewanie wody.
-Elastyczność zastosowań- Zbiornik higieniczny może współpracować z różnymi źródłami energii (np. pompy ciepła, kotły kondensacyjne, kolektory słoneczne), co czyni go uniwersalnym rozwiązaniem.
Specyfikacja:
Powierzchnia wężownicy CWU: 7,8m2
Maksymalna temperatura robocza: 95°C
Maksymalne ciśnienie robocze zbiornika: 3 bar
Maksymalne ciśnienie robocze wężownicy: 6 bar
Połączenia: 8 x 6/4", 4 x 1/2", 3x 5/4"
Wysokość: 200 cm
Średnica z izolacją: 95 cm
Średnica bez izolacji: 79 cm
Zbiornik jest wykonany ze specjalnej stali węglowej ST37IRG2 (według DIN4753), pokryty farbami antykorozyjnymi.
Wężownica wykonana ze stali nierdzewnej AISI 316L
Zdejmowalna izolacja (8cm)
Możliwość podłączenia grzałki elektrycznej!
Cena bazowa, wystawiamy FV23%
W ofercie, poza przedstawianym poniżej zbiornikiem, mamy w ofercie również inne modele i pojemności. Zapraszamy do kontaktu!
Bufor Ciepła 1000L z wężownicą higieniczną (CWU)
Zbiorniki buforowe z wężownicą CWU spełniają jednocześnie rolę zbiornika buforowego oraz zasobnika ciepłej wody użytkowej (CWU). Wymiennik ciepła, wykonany z karbowanej rury ze stali nierdzewnej AISI 316L, zapewnia higieniczne przygotowanie ciepłej wody użytkowej.
Dzięki wężownicy o dużej powierzchni (7,8m2) osiąga się wysoką efektywność podgrzewania wody użytkowej. W górnej części zbiornika zamontowany jest wymiennik ciepła, który umożliwia szybkie dostarczanie ciepłej wody użytkowej.
-Oszczędność miejsca - Zamiast instalować dwa oddzielne urządzenia (bufor i bojler CWU), potrzebujesz tylko jednego zbiornika.
-Niższe koszty instalacji- Jeden zbiornik oznacza mniejszą ilość materiałów instalacyjnych (mniej rur, zaworów, izolacji itp.) oraz prostszy montaż, co obniża koszty zarówno materiałów, jak i robocizny.
-Higiena wody użytkowej- Woda użytkowa nie jest przechowywana w dużych ilościach, lecz podgrzewana na bieżąco, co minimalizuje ryzyko rozwoju bakterii, takich jak Legionella.
-Wysoka efektywność energetyczna- Duża powierzchnia wymiennika ciepła w zbiorniku higienicznym pozwala na szybkie i efektywne podgrzewanie wody.
-Elastyczność zastosowań- Zbiornik higieniczny może współpracować z różnymi źródłami energii (np. pompy ciepła, kotły kondensacyjne, kolektory słoneczne), co czyni go uniwersalnym rozwiązaniem.
Specyfikacja:
Powierzchnia wężownicy CWU: 7,8m2
Maksymalna temperatura robocza: 95°C
Maksymalne ciśnienie robocze zbiornika: 3 bar
Maksymalne ciśnienie robocze wężownicy: 6 bar
Połączenia: 8 x 6/4", 4 x 1/2", 3x 5/4"
Wysokość: 200 cm
Średnica z izolacją: 95 cm
Średnica bez izolacji: 79 cm
Zbiornik jest wykonany ze specjalnej stali węglowej ST37IRG2 (według DIN4753), pokryty farbami antykorozyjnymi.
Wężownica wykonana ze stali nierdzewnej AISI 316L
Zdejmowalna izolacja (8cm)
Możliwość podłączenia grzałki elektrycznej!
Cena bazowa, wystawiamy FV23%
ID: 957269393
xxx xxx xxx