Firmowe
Opis
Obce chłodzenie silnika elektrycznego G-112B2
KOD SKRAW MET: [3645]
Producent: SM-G (SKRAW MET GROUP)
Przeznaczone do silników serii MS oraz Y3 w wielkości mechanicznej 112
Kompletny zestaw obcego chłodzenia z wentylatorem, osłoną i skrzynką zaciskową tworzy odrębny zespół i jest gotowy do samodzielnego montażu w standardowym silniku elektrycznym. Przed montażem zestawu wystarczy zdemontować tylko przewietrznik i jego osłonę w głównym silniku.
Stosowane w przypadkach, gdy układ napędowy działa na przeciążeniu, silnik znajduje się w pobliżu innych elementów o podwyższonej temperaturze, lub gdy silnik długotrwale pracuje przy obniżonej częstotliwości.
Obce chłodzenie umożliwia współpracę z falownikami przy niskich prędkościach obrotowych, gdzie wentylator umieszczony na osi silnika ma za niskie obroty, aby schłodzić motor. Gwarantuje bezpieczną i stabilną pracę silnika nawet na bardzo niskich obrotach.
Stosowanie opcjonalnego chłodzenia silników elektrycznych, chroni silnik przed nadmiernym przegrzaniem uzwojeń.
Silnik elektryczny zachowuje wszystkie pierwotne cechy użytkowe i eksploatacyjne z możliwością przywrócenia fabrycznego sposobu wentylacji własnej.
Chłodzenie silnika elektrycznego z dodatkowym chłodzeniem, przy stosowaniu przemienników częstotliwości, może wydatnie wydłużyć żywotność samego silnika elektrycznego i polepszyć komfort pracy urządzenia.
Uwagi dotyczące użytkowania:
- przy podłączaniu sprawdź, czy połączenia są solidne, a wiatrak może się swobodnie obracać,
- regularnie usuwaj kurz i zabrudzenia z wnętrza obudowy oraz z wiatraka, mogą one prowadzić do pogorszenia przepływu powietrza,
- upewnij się, że wiatrak obraca się w stronę zgodną ze strzałką na obudowie.
Specyfikacja techniczna:
Napięcie: 400V
Częstotliwość: 50Hz
Moc: 85W
Prąd: 0.175A
Obroty: 2600/min
Wydajność: 229m³/h
Ciśnienie: 80Pa
Hałas: 67dB
Stopień ochrony: IP54
Dopuszczalna temperatura otoczenia: do 40°C
Dopuszczalna wilgotność powietrza: do 90% (przy 25°C)
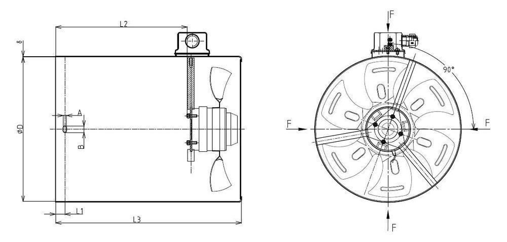
Wymiary:
øD: 219mm
L1: 18,5mm
L2: 100mm
L3: 200mm
A: 7mm
B: 14mm
δ: 1,2mm
KOD SKRAW MET: [3645]
Producent: SM-G (SKRAW MET GROUP)
Przeznaczone do silników serii MS oraz Y3 w wielkości mechanicznej 112
Kompletny zestaw obcego chłodzenia z wentylatorem, osłoną i skrzynką zaciskową tworzy odrębny zespół i jest gotowy do samodzielnego montażu w standardowym silniku elektrycznym. Przed montażem zestawu wystarczy zdemontować tylko przewietrznik i jego osłonę w głównym silniku.
Stosowane w przypadkach, gdy układ napędowy działa na przeciążeniu, silnik znajduje się w pobliżu innych elementów o podwyższonej temperaturze, lub gdy silnik długotrwale pracuje przy obniżonej częstotliwości.
Obce chłodzenie umożliwia współpracę z falownikami przy niskich prędkościach obrotowych, gdzie wentylator umieszczony na osi silnika ma za niskie obroty, aby schłodzić motor. Gwarantuje bezpieczną i stabilną pracę silnika nawet na bardzo niskich obrotach.
Stosowanie opcjonalnego chłodzenia silników elektrycznych, chroni silnik przed nadmiernym przegrzaniem uzwojeń.
Silnik elektryczny zachowuje wszystkie pierwotne cechy użytkowe i eksploatacyjne z możliwością przywrócenia fabrycznego sposobu wentylacji własnej.
Chłodzenie silnika elektrycznego z dodatkowym chłodzeniem, przy stosowaniu przemienników częstotliwości, może wydatnie wydłużyć żywotność samego silnika elektrycznego i polepszyć komfort pracy urządzenia.
Uwagi dotyczące użytkowania:
- przy podłączaniu sprawdź, czy połączenia są solidne, a wiatrak może się swobodnie obracać,
- regularnie usuwaj kurz i zabrudzenia z wnętrza obudowy oraz z wiatraka, mogą one prowadzić do pogorszenia przepływu powietrza,
- upewnij się, że wiatrak obraca się w stronę zgodną ze strzałką na obudowie.
Specyfikacja techniczna:
Napięcie: 400V
Częstotliwość: 50Hz
Moc: 85W
Prąd: 0.175A
Obroty: 2600/min
Wydajność: 229m³/h
Ciśnienie: 80Pa
Hałas: 67dB
Stopień ochrony: IP54
Dopuszczalna temperatura otoczenia: do 40°C
Dopuszczalna wilgotność powietrza: do 90% (przy 25°C)
Wymiary:
øD: 219mm
L1: 18,5mm
L2: 100mm
L3: 200mm
A: 7mm
B: 14mm
δ: 1,2mm
ID: 861615690
xxx xxx xxx
Dodane 20 października 2025
OBCE CHŁODZENIE Silnika Elektrycznego G-112 400V [3645]
351 zł
Lokalizacja